| Номер на схеме | Каталожный номер | Название | Количество | Детали | |||
|---|---|---|---|---|---|---|---|
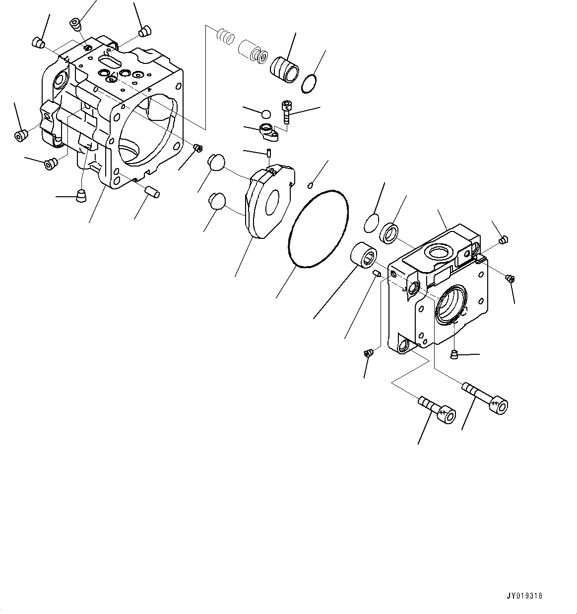
| ? | 708-1T-00552 | Pump Assembly | 1 | SN: 90001- KIT-FLAG: _- SCC: SERIALNO: 90001- |
|||
| ? | (708-1T-01552) | • Pump Subassembly | 1 | SN: 90001- KIT-FLAG: _- SCC: C2 SERIALNO: 90001- |
|||
| ? | (708-1T-04151) | • • Case Assembly | 1 | SN: 90001- KIT-FLAG: _- SCC: C2 SERIALNO: 90001- |
|||
| ? | • • • Case | 1 | SN: 90001- KIT-FLAG: _- SCC: C1 SERIALNO: 90001- |
||||
| ? | • • • Plug, Stocking | 8 | SN: 90001- KIT-FLAG: _- SCC: C1 SERIALNO: 90001- |
||||
| ? | • • • Sleeve | 1 | SN: 90001- KIT-FLAG: _- SCC: C1 SERIALNO: 90001- |
||||
| ? | • • • Ring | 1 | SN: 90001- KIT-FLAG: _- SCC: C1 SERIALNO: 90001- |
||||
| ? | (708-3S-13480) | • • Cam, Rocker | 1 | SN: 90001- KIT-FLAG: _- SCC: C2 SERIALNO: 90001- |
|||
| ? | (04260-01270) | • • Ball | 1 | SN: 90001- KIT-FLAG: _- SCC: C2 SERIALNO: 90001- |
|||
| ? | (708-3S-14141) | • • Spacer | 1 | SN: 90001- KIT-FLAG: _- SCC: C2 SERIALNO: 90001- |
|||
| ? | (708-1S-13420) | • • Pin | 2 | SN: 90001- KIT-FLAG: _- SCC: C2 SERIALNO: 90001- |
|||
| ? | (01252-60616) | • • Bolt, Hexagon Socket Head | 1 | SN: 90001- KIT-FLAG: _- SCC: C2 SERIALNO: 90001- |
|||
| ? | (708-1T-33432) | • • Ball, Retainer | 1 | SN: 90001- KIT-FLAG: _- SCC: C2 SERIALNO: 90001- |
|||
| ? | (708-1T-33470) | • • Ball, Retainer | 1 | SN: 90001- KIT-FLAG: _- SCC: C2 SERIALNO: 90001- |
|||
| ? | (01252-61235) | • • Bolt, Hexagon Socket Head | 2 | SN: 90001- KIT-FLAG: _- SCC: C2 SERIALNO: 90001- |
|||
| ? | (01252-61255) | • • Bolt, Hexagon Socket Head | 2 | SN: 90001- KIT-FLAG: _- SCC: C2 SERIALNO: 90001- |
|||
| ? | (04020-01024) | • • Pin, Dowel | 2 | SN: 90001- KIT-FLAG: _- SCC: C2 SERIALNO: 90001- |
|||
| ? | (708-3T-11310) | • • Orifice | 1 | SN: 90001- KIT-FLAG: _- SCC: C2 SERIALNO: 90001- |
|||
| ? | (708-1T-04561) | • • Cap Assembly | 1 | SN: 90001- KIT-FLAG: _- SCC: C2 SERIALNO: 90001- |
|||
| ? | • • • Cap | 1 | SN: 90001- KIT-FLAG: _- SCC: C1 SERIALNO: 90001- |
||||
| ? | • • • Plug, Stocking | 4 | SN: 90001- KIT-FLAG: _- SCC: C1 SERIALNO: 90001- |
||||
| ? | (708-21-12760) | • • Bearing | 1 | SN: 90001- KIT-FLAG: _- SCC: C2 SERIALNO: 90001- |
|||
| ? | (720-68-19610) | • • Pin | 1 | SN: 90001- KIT-FLAG: _- SCC: C2 SERIALNO: 90001- |
|||
| ? | (07000-B1006) | • • O-ring | 1 | SN: 90001- KIT-FLAG: _- SCC: C2 SERIALNO: 90001- |
|||
| ? | (07000-B2130) | • • O-ring | 1 | SN: 90001- KIT-FLAG: _- SCC: C2 SERIALNO: 90001- |
|||
| ? | (708-2L-25480) | • • Filter | 1 | SN: 90001- KIT-FLAG: _- SCC: C2 SERIALNO: 90001- |
|||
| ? | (708-2L-25490) | • • O-ring | 1 | SN: 90001- KIT-FLAG: _- SCC: C2 SERIALNO: 90001- |