k-part
Номер на схеме Каталожный номер Название Количество Детали
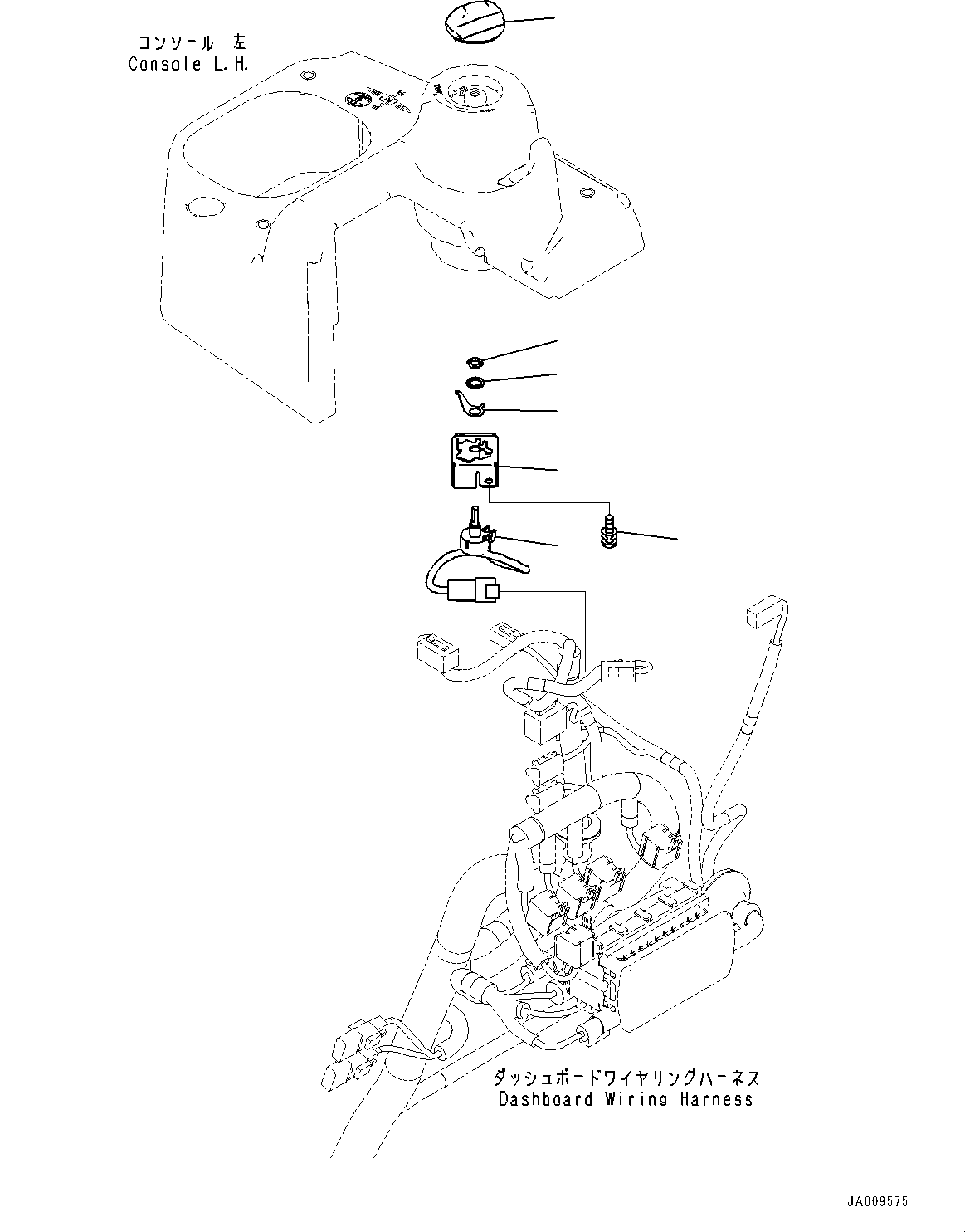
? 12Y-06-11611 Potentiometer Assembly 1
SN: 30001-
KIT-FLAG: _-
SCC:
SERIALNO: 30001-
? 12Y-06-11621 • Potentiometer 1
SN: 30001-
KIT-FLAG: _-
SCC:
SERIALNO: 30001-
? 12Y-06-11631 • Bracket 1
SN: 30001-
KIT-FLAG: _-
SCC:
SERIALNO: 30001-
? 22U-06-22460 • Spring 1
SN: 30001-
KIT-FLAG: _-
SCC:
SERIALNO: 30001-
? 20Y-43-41781 Knob 1
SN: 30001-
KIT-FLAG: _-
SCC:
SERIALNO: 30001-
? 01023-60512 Screw 2
SN: 30001-
KIT-FLAG: _-
SCC:
SERIALNO: 30001-

Bulldozers Komatsu / D61PXI-23 S/N 30001-UP(0000712C) / Cab, Potentiometer (#30001-)(K016032 : K0210-007032)
?
?
?
?
?
?
?