| Номер на схеме | Каталожный номер | Название | Количество | Детали | |||
|---|---|---|---|---|---|---|---|
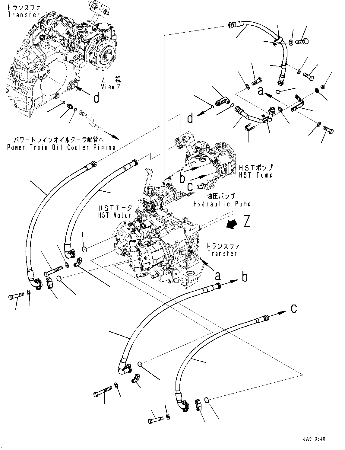
| ? | 418-18-52340 | Hose | 1 | SN: 80001- KIT-FLAG: _- SCC: SERIALNO: 80001- |
|||
| ? | 415-18-21310 | O-ring | 1 | SN: 80001- KIT-FLAG: _- SCC: SERIALNO: 80001- |
|||
| ? | 415-18-11230 | Flange, Split | 2 | SN: 80001- KIT-FLAG: _- SCC: SERIALNO: 80001- |
|||
| ? | 01643-51232 | Washer | 4 | SN: 80001- KIT-FLAG: _- SCC: SERIALNO: 80001- |
|||
| ? | 418-18-52480 | Bolt | 4 | SN: 80001- KIT-FLAG: _- SCC: SERIALNO: 80001- |
|||
| ? | 418-18-52110 | Hose | 1 | SN: 80001- KIT-FLAG: _- SCC: SERIALNO: 80001- |
|||
| ? | 415-18-21310 | O-ring | 1 | SN: 80001- KIT-FLAG: _- SCC: SERIALNO: 80001- |
|||
| ? | 415-18-11230 | Flange, Split | 2 | SN: 80001- KIT-FLAG: _- SCC: SERIALNO: 80001- |
|||
| ? | 01643-51232 | Washer | 4 | SN: 80001- KIT-FLAG: _- SCC: SERIALNO: 80001- |
|||
| ? | 07372-21245 | Bolt | 4 | SN: 80001- KIT-FLAG: _- SCC: SERIALNO: 80001- |
|||
| ? | 418-18-52120 | Hose | 1 | SN: 80001- KIT-FLAG: _- SCC: SERIALNO: 80001- |
|||
| ? | 415-18-21310 | O-ring | 1 | SN: 80001- KIT-FLAG: _- SCC: SERIALNO: 80001- |
|||
| ? | 415-18-11230 | Flange, Split | 2 | SN: 80001- KIT-FLAG: _- SCC: SERIALNO: 80001- |
|||
| ? | 01643-51232 | Washer | 4 | SN: 80001- KIT-FLAG: _- SCC: SERIALNO: 80001- |
|||
| ? | 07372-21245 | Bolt | 4 | SN: 80001- KIT-FLAG: _- SCC: SERIALNO: 80001- |
|||
| ? | 418-18-52330 | Hose | 1 | SN: 80001- KIT-FLAG: _- SCC: SERIALNO: 80001- |
|||
| ? | 415-18-21310 | O-ring | 1 | SN: 80001- KIT-FLAG: _- SCC: SERIALNO: 80001- |
|||
| ? | 415-18-11230 | Flange, Split | 2 | SN: 80001- KIT-FLAG: _- SCC: SERIALNO: 80001- |
|||
| ? | 01643-51232 | Washer | 4 | SN: 80001- KIT-FLAG: _- SCC: SERIALNO: 80001- |
|||
| ? | 418-18-52480 | Bolt | 4 | SN: 80001- KIT-FLAG: _- SCC: SERIALNO: 80001- |
|||
| ? | 02782-10630 | Elbow | 1 | SN: 80001- KIT-FLAG: _- SCC: SERIALNO: 80001- |
|||
| ? | 07002-22434 | O-ring | 1 | SN: 80001- KIT-FLAG: _- SCC: SERIALNO: 80001- |
|||
| ? | 02896-21018 | O-ring | 1 | SN: 80001- KIT-FLAG: _- SCC: SERIALNO: 80001- |
|||
| ? | 418-18-52260 | Tube | 1 | SN: 80001- KIT-FLAG: _- SCC: SERIALNO: 80001- |
|||
| ? | 02896-21018 | O-ring | 1 | SN: 80001- KIT-FLAG: _- SCC: SERIALNO: 80001- |
|||
| ? | 04434-52711 | Clip | 1 | SN: 80001- KIT-FLAG: _- SCC: SERIALNO: 80001- |
|||
| ? | 01010-81025 | Bolt | 1 | SN: 80001- KIT-FLAG: _- SCC: SERIALNO: 80001- |
|||
| ? | 01643-31032 | Washer | 1 | SN: 80001- KIT-FLAG: _- SCC: SERIALNO: 80001- |
|||
| ? | 418-18-52210 | Plate | 1 | SN: 80001- KIT-FLAG: _- SCC: SERIALNO: 80001- |
|||
| ? | 01010-81025 | Bolt | 2 | SN: 80001- KIT-FLAG: _- SCC: SERIALNO: 80001- |
|||
| ? | 01643-31032 | Washer | 2 | SN: 80001- KIT-FLAG: _- SCC: SERIALNO: 80001- |
|||
| ? | 07283-52737 | Seat | 1 | SN: 80001- KIT-FLAG: _- SCC: SERIALNO: 80001- |
|||
| ? | 07283-32746 | Clip | 1 | SN: 80001- KIT-FLAG: _- SCC: SERIALNO: 80001- |
|||
| ? | 01643-31032 | Washer | 2 | SN: 80001- KIT-FLAG: _- SCC: SERIALNO: 80001- |
|||
| ? | 01597-01009 | Nut | 2 | SN: 80001- KIT-FLAG: _- SCC: SERIALNO: 80001- |
|||
| ? | 418-18-52190 | Hose | 1 | SN: 80001- KIT-FLAG: _- SCC: SERIALNO: 80001- |
|||
| ? | 04434-52711 | Clip | 1 | SN: 80001- KIT-FLAG: _- SCC: SERIALNO: 80001- |
|||
| ? | 01010-81020 | Bolt | 1 | SN: 80001- KIT-FLAG: _- SCC: SERIALNO: 80001- |
|||
| ? | 01643-31032 | Washer | 1 | SN: 80001- KIT-FLAG: _- SCC: SERIALNO: 80001- |
|||
| ? | 04434-53411 | Clip | 1 | SN: 80001- KIT-FLAG: _- SCC: SERIALNO: 80001- |
|||
| ? | 07095-20627 | Cushion | 1 | SN: 80001- KIT-FLAG: _- SCC: SERIALNO: 80001- |
|||
| ? | 01010-81020 | Bolt | 1 | SN: 80001- KIT-FLAG: _- SCC: SERIALNO: 80001- |
|||
| ? | 01643-31032 | Washer | 1 | SN: 80001- KIT-FLAG: _- SCC: SERIALNO: 80001- |
|||
| ? | 02781-00422 | Union | 1 | SN: 80001- KIT-FLAG: _- SCC: SERIALNO: 80001- |
|||
| ? | 07002-22034 | O-ring | 1 | SN: 80001- KIT-FLAG: _- SCC: SERIALNO: 80001- |
|||
| ? | 02896-21012 | O-ring | 1 | SN: 80001- KIT-FLAG: _- SCC: SERIALNO: 80001- |