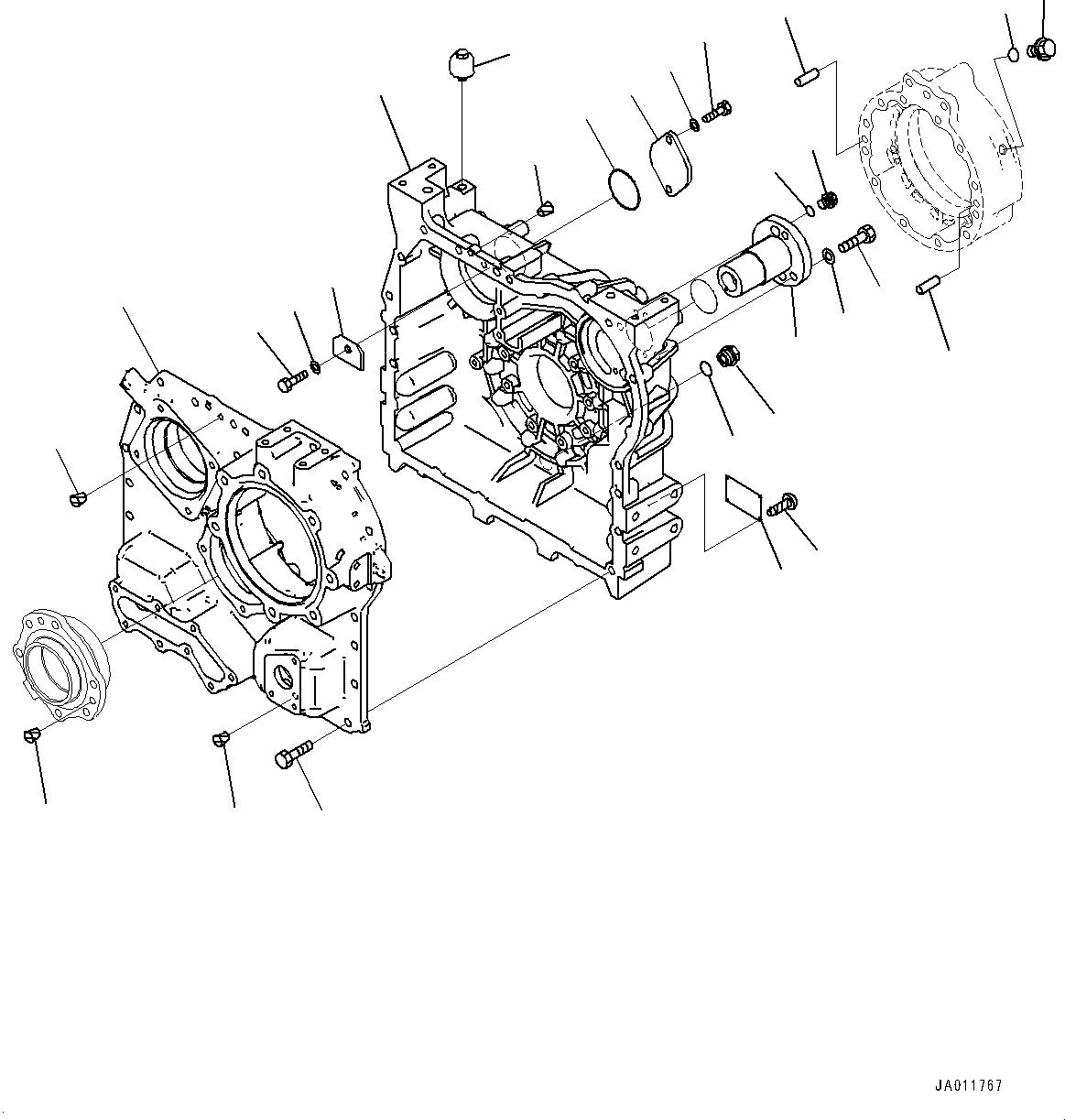
| Номер на схеме | Каталожный номер | Название | Количество | Детали | |||
|---|---|---|---|---|---|---|---|
| ? | 418-17-51001 | Transfer Assembly | 1 | SN: 80930- KIT-FLAG: _- SCC: SERIALNO: 80930- |
|||
| ? | 418-17-51000 | Transfer Assembly | 1 | SN: 80001-80929 KIT-FLAG: _- SCC: A2 SERIALNO: 80001-80929 |
|||
| ? | 418-17-51100 | • Case Assembly | 1 | SN: 80001- KIT-FLAG: _- SCC: SERIALNO: 80001- |
|||
| ? | • • Case | 1 | SN: 80001- KIT-FLAG: _- SCC: C1 SERIALNO: 80001- |
||||
| ? | • • Case | 1 | SN: 80001- KIT-FLAG: _- SCC: C1 SERIALNO: 80001- |
||||
| ? | 01010-81235 | • Bolt | 23 | SN: 80001- KIT-FLAG: _- SCC: SERIALNO: 80001- |
|||
| ? | 419-17-52810 | • Shaft | 1 | SN: 80001- KIT-FLAG: _- SCC: SERIALNO: 80001- |
|||
| ? | 01010-81245 | • Bolt | 3 | SN: 80001- KIT-FLAG: _- SCC: SERIALNO: 80001- |
|||
| ? | 01643-31232 | • Washer | 3 | SN: 80001- KIT-FLAG: _- SCC: SERIALNO: 80001- |
|||
| ? | 708-8E-16150 | • Plug | 2 | SN: 80001- KIT-FLAG: _- SCC: SERIALNO: 80001- |
|||
| ? | 07002-61023 | • O-ring | 2 | SN: 80001- KIT-FLAG: _- SCC: SERIALNO: 80001- |
|||
| ? | 07044-12412 | • Plug | 1 | SN: 80001- KIT-FLAG: _- SCC: SERIALNO: 80001- |
|||
| ? | 07002-62434 | • O-ring | 1 | SN: 80001- KIT-FLAG: _- SCC: SERIALNO: 80001- |
|||
| ? | 07030-00252 | • Breather | 1 | SN: 80001-80929 KIT-FLAG: _- SCC: SERIALNO: 80001-80929 |
|||
| ? | 418-17-54510 | • Plate | 1 | SN: 80001- KIT-FLAG: _- SCC: SERIALNO: 80001- |
|||
| ? | 07000-72070 | • O-ring | 1 | SN: 80001- KIT-FLAG: _- SCC: SERIALNO: 80001- |
|||
| ? | 01010-81030 | • Bolt | 2 | SN: 80001- KIT-FLAG: _- SCC: SERIALNO: 80001- |
|||
| ? | 01643-31032 | • Washer | 2 | SN: 80001- KIT-FLAG: _- SCC: SERIALNO: 80001- |
|||
| ? | 419-17-59430 | • Plate | 1 | SN: 80001- KIT-FLAG: _- SCC: SERIALNO: 80001- |
|||
| ? | 01010-81030 | • Bolt | 1 | SN: 80001- KIT-FLAG: _- SCC: SERIALNO: 80001- |
|||
| ? | 01643-31032 | • Washer | 1 | SN: 80001- KIT-FLAG: _- SCC: SERIALNO: 80001- |
|||
| ? | (09608-05080) | • Plate, Name (Limited Supply) | 1 | SN: 80001- KIT-FLAG: _- SCC: C2 SERIALNO: 80001- |
|||
| ? | 04418-13060 | • Screw | 4 | SN: 80001- KIT-FLAG: _- SCC: SERIALNO: 80001- |
|||
| ? | 07049-01215 | • Plug | 9 | SN: 80001- KIT-FLAG: _- SCC: SERIALNO: 80001- |
|||
| ? | 04020-01228 | • Pin, Dowel | 2 | SN: 80001- KIT-FLAG: _- SCC: SERIALNO: 80001- |
|||
| ? | 708-8E-16150 | • Plug | 1 | SN: 80001- KIT-FLAG: _- SCC: SERIALNO: 80001- |
|||
| ? | 07002-61023 | • O-ring | 1 | SN: 80001- KIT-FLAG: _- SCC: SERIALNO: 80001- |
|||
| ? | (418-17-51130) | Cage | SN: - KIT-FLAG: _- SCC: SERIALNO: |
F2420-001004 | |||
| ? | (419-17-57111) | Housing | SN: - KIT-FLAG: _- SCC: SERIALNO: |
F2420-001005 |