| Номер на схеме | Каталожный номер | Название | Количество | Детали | |||
|---|---|---|---|---|---|---|---|
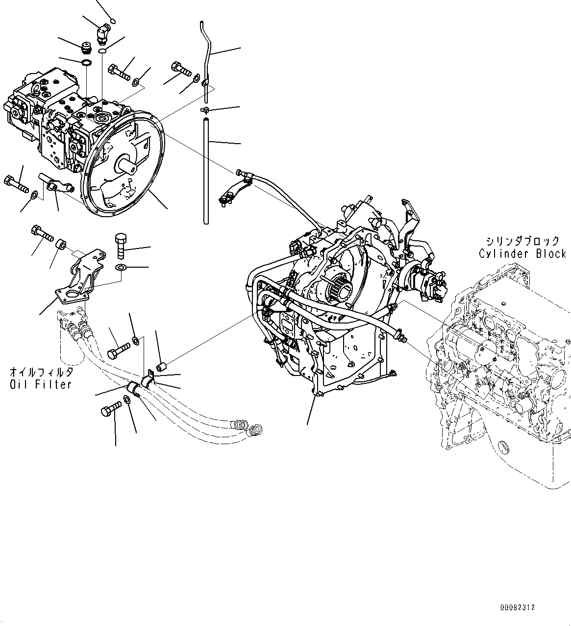
| ? | 7875-10-1103 | Motor Assembly | 1 | SN: 1741- KIT-FLAG: _- SCC: SERIALNO: 1741- |
|||
| ? | 7875-10-1102 | Motor Assembly | 1 | SN: 1686-1740 KIT-FLAG: _- SCC: A2 SERIALNO: 1686-1740 |
|||
| ? | 7875-10-1101 | Motor Assembly | 1 | SN: 1118-1685 KIT-FLAG: _- SCC: SERIALNO: 1118-1685 |
|||
| ? | 205-01-31120 | Tube | 1 | SN: 1118- KIT-FLAG: _- SCC: SERIALNO: 1118- |
|||
| ? | 07260-20950 | Hose | 1 | SN: 1118- KIT-FLAG: _- SCC: SERIALNO: 1118- |
|||
| ? | 07285-00155 | Clip | 1 | SN: 1118- KIT-FLAG: _- SCC: SERIALNO: 1118- |
|||
| ? | 01010-81045 | Bolt | 8 | SN: 1118- KIT-FLAG: _- SCC: SERIALNO: 1118- |
|||
| ? | 01643-31032 | Washer | 8 | SN: 1118- KIT-FLAG: _- SCC: SERIALNO: 1118- |
|||
| ? | 01010-81060 | Bolt | 2 | SN: 1118- KIT-FLAG: _- SCC: SERIALNO: 1118- |
|||
| ? | 01643-31032 | Washer | 2 | SN: 1118- KIT-FLAG: _- SCC: SERIALNO: 1118- |
|||
| ? | 205-62-31380 | Bracket | 1 | SN: 1118- KIT-FLAG: _- SCC: SERIALNO: 1118- |
|||
| ? | 01010-81070 | Bolt | 2 | SN: 1118- KIT-FLAG: _- SCC: SERIALNO: 1118- |
|||
| ? | 01643-31032 | Washer | 2 | SN: 1118- KIT-FLAG: _- SCC: SERIALNO: 1118- |
|||
| ? | 02782-10628 | Elbow | 1 | SN: 1118- KIT-FLAG: _- SCC: SERIALNO: 1118- |
|||
| ? | 02896-11018 | O-ring | 1 | SN: 1118- KIT-FLAG: _- SCC: SERIALNO: 1118- |
|||
| ? | 07002-12434 | O-ring | 1 | SN: 1118- KIT-FLAG: _- SCC: SERIALNO: 1118- |
|||
| ? | 205-01-31111 | Bracket | 1 | SN: 1118- KIT-FLAG: _- SCC: SERIALNO: 1118- |
|||
| ? | 01010-80825 | Bolt | 4 | SN: 1118- KIT-FLAG: _- SCC: SERIALNO: 1118- |
|||
| ? | 01643-30823 | Washer | 4 | SN: 1118- KIT-FLAG: _- SCC: SERIALNO: 1118- |
|||
| ? | 01010-81245 | Bolt | 2 | SN: 1118- KIT-FLAG: _- SCC: SERIALNO: 1118- |
|||
| ? | 6164-41-5390 | Seat | 2 | SN: 1118- KIT-FLAG: _- SCC: SERIALNO: 1118- |
|||
| ? | 198-06-53630 | Cushion | 2 | SN: 1118- KIT-FLAG: _- SCC: SERIALNO: 1118- |
|||
| ? | 04434-53412 | Clip | 1 | SN: 1118- KIT-FLAG: _- SCC: SERIALNO: 1118- |
|||
| ? | 04434-53411 | Clip | 1 | SN: 1118- KIT-FLAG: _- SCC: SERIALNO: 1118- |
|||
| ? | 205-01-31140 | Collar | 1 | SN: 1118- KIT-FLAG: _- SCC: SERIALNO: 1118- |
|||
| ? | 01010-81055 | Bolt | 1 | SN: 1118- KIT-FLAG: _- SCC: SERIALNO: 1118- |
|||
| ? | 01643-31032 | Washer | 1 | SN: 1118- KIT-FLAG: _- SCC: SERIALNO: 1118- |
|||
| ? | 01010-81225 | Bolt | 1 | SN: 1118- KIT-FLAG: _- SCC: SERIALNO: 1118- |
|||
| ? | 01643-31232 | Washer | 1 | SN: 1118- KIT-FLAG: _- SCC: SERIALNO: 1118- |
|||
| ? | 232-23-11220 | Breather | 1 | SN: 1741- KIT-FLAG: _- SCC: SERIALNO: 1741- |
|||
| ? | 07030-03034 | Breather | 1 | SN: 1118-1740 KIT-FLAG: _- SCC: SERIALNO: 1118-1740 |
|||
| ? | 07005-03016 | Seal, Washer | 1 | SN: 1118- KIT-FLAG: _- SCC: SERIALNO: 1118- |
|||
| ? | (708-2L-01500) | Pump Subassembly | SN: - KIT-FLAG: _- SCC: SERIALNO: |
H0210-002001 | |||
| ? | (708-2L-01500) | Pump Subassembly | SN: - KIT-FLAG: _- SCC: SERIALNO: |
H0210-001001 |