k-part
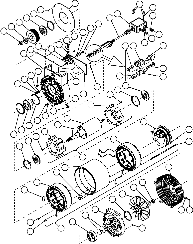
Номер на схеме Каталожный номер Название Количество Детали
? BF4962 LOCKNUT - 5/8" - 18NF (1)/(2) 1
? BF4963 FLAT WASHER - 5/8" (1)/(2) 1
? PULLEY (SUPPLIED WITH ENGINE) 1
? BF4957 BUSHING, PULLEY 1
? BF4864 RING, SPIRAL 2
? XA2112 SCREW, PAN - #8 - 32NC X 3/8" (1) 15
? BF1970 PLATE, COVER 1
? BF1989 RING, RETAINER (2) 1
? BF4865 BEARING, FRONT 1
? BF1988 RING, RETAINER (2) 1
? XA2122 JAM NUT - 1/4" - 28NF (1) 18
? XA2121 FLAT WASHER - 1/4" (1) 12
? XA3294 INSULATOR 6
? BF2002 LOCKNUT - #8 - 32NC (1)/(2) 18
? BF4973 FLAT WASHER - 1/4" (1)/(2) 6
? BF4969 CAPSCREW - M10 X 1.50 X 20 (1)/(2) 2
? XA3310 LOCKWASHER - M10 (1) 2
? BF4980 LOCKWASHER - 3/8" (1) 1
? BF4979 CAPSCREW - M10 X 1.40 X 20 (1)/(2) 1
? XA2098 HOUSING, DRIVE END 1
? XA3295 COVER, CONTROL UNIT 1
? XA3302 SWITCH, THERMAL 1
? XA2113 CAPSCREW - 1/2" - 13NC X 1" (1) 1
? XA3312 LOCKWASHER - 1/2" (1) 1
? XA3313 FLAT WASHER - 1/2" (1) 1
? XA0188 COVER, STUD ASSEMBLY 1
? BF4967 CAPSCREW - M12 X 1.75 X 25 (1)/(2) 1
? BF4966 LOCKWASHER - M12 (1)/(2) 1
? BF1996 FLAT WASHER - 1/2" (1)/(2) 1
? XA3296 SHELL CONNECTOR 1
? XA3297 • PIN CONNECTOR, FEMALE 2
? XA3298 • PLUG, WEDGE LOCK 1
? XA3299 SHELL CONNECTOR 1
? XA3300 • RECEPTACLE, WEDGE LOCK 1
? XA3301 • PIN CONNECTOR, MALE 2
? XA2130 HARNESS 1
? XA2109 REGULATOR 1
? BF4970 SCREW, HEX - M5 X 0.8 X 12 (1)/(2) 4
? XA2114 WASHER, BELLVILLE (1)/(2) 4
? XA2118 WASHER, BELLVILLE (1) 1
? XA2117 LOCKNUT - M6 X 1.00 (1) 1
? XA2115 NUT - M5 X 0.8 (1)/(2) 1
? XA2116 WASHER, BELLVILLE (1)/(2) 1
? BF4860 BUSHING, PULLEY 1
? XA2099 SHAFT & CORE, ROTOR ASSEMBLY 1
? BF3719 • CAPSCREW - #10 - 32NF X 1/2" (1)/(2) 12
? XA2100 • ROTOR ASSEMBLY 2
? XA2101 • SHAFT & CORE ASSEMBLY 1
? BF1999 • KEY, WOODRUFF - 5/32" X 3/4" (1)/(2) 1
? XA2103 • RING, SPIRAL 2
? XA2102 RING, CARRIER 1
? XA2104 STATOR & FIELD COIL ASSEMBLY 1
? BF3722 • PAN SCREW - #8 - 32NC X 3/8" (1)/(2) 16
? BF3723 • NUT, HEX HEAD - #8 - 32NC (1)/(2) 9
? BF4978 • WEDGE, STATOR 6
? XA2105 • STATOR, DRIVE END 1
? BF1981 • BUSHING, TENSION 1
? • SHELL (2) 1
? XA2106 • STATOR, ANTI DRIVE END 1
? XA3304 • COIL, FIELD 1
? BF1980 • STUD - #8 - 32NC X 8 5/8" 9
? XA2108 BEARING, ANTI DRIVE END 1
? XA2110 O-RING 2
? XA2107 HOUSING, ANTI DRIVE END 1
? XA2096 FAN 1
? BF4975 WASHER, BELLVILLE (1)/(2) 1
? BF4976 NUT - M16 X 1.50 (1)/(2) 1
? XA2097 GUARD, FAN 1
? BF4977 SCREW, PAN - M5 X 0.8 X 25 (1)/(2) 6
? XA2119 GROMMET 6
? NOTE: (1) INCLUDED IN XA3306 SMALL PARTS PACKAGE.
? XA3306 INCLUDES 2 EACH ITEMS 40 AND 41.
? ONLY 1 EACH NEEDED.
? (2) NOT SERVICED SEPARATELY.

Dump Trucks Komatsu / AFE47-DR 730E S/N A30387             ALCOA(AFE47-DR) / BATTERY CHARGING ALTERNATOR (XA3319)(056 : 55767)
?
?
?
?
?
?
?
?
?
?
?
?
?
?
?
?
?
?
?
?
?
?
?
?
?
?
?
?
?
?
?
?
?
?
?
?
?
?
?
?
?
?
?
?
?
?
?
?
?
?
?
?
?
?
?
?
?
?
?
?
?
?
?
?
?
?
?
?
?
?
?
?
?
?
?
?
?
?
?