| Номер на схеме | Каталожный номер | Название | Количество | Детали | |||
|---|---|---|---|---|---|---|---|
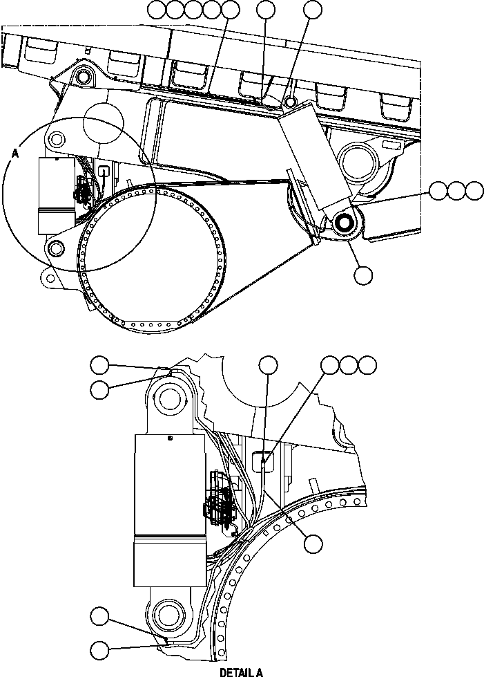
| ? | VN9907 | CLAMP, VINYL - 5/8" | 12 | ||||
| ? | MM0471 | LOCKWASHER - M10 | 12 | ||||
| ? | MM0178 | NUT - M10 X 1.50 | 12 | ||||
| ? | MM0713 | FLAT WASHER - M10 (HARDENED) (ZINC) | 12 | ||||
| ? | MM0042 | CAPSCREW - M10 X 1.50 X 25 | 12 | ||||
| ? | HA1517 | HOSE | 2 | ||||
| ? | WB0454 | FITTING, 37 DEG FLARE, STRAIGHT ADAPTER | 6 | ||||
| ? | DC5608 | NIPPLE | 2 | ||||
| ? | TZ9849 | COUPLING, PIPE | 2 | ||||
| ? | WB0252 | FITTING, 37 DEG FLARE, 90 DEG ELBOW | 2 | ||||
| ? | HA3434 | HOSE | 2 | ||||
| ? | HA1190 | HOSE | 2 | ||||
| ? | WB0281 | FITTING, 37 DEG FLARE, 45 DEG ELBOW | 1 | ||||
| ? | C1231 | COUPLING, PIPE | 1 | ||||
| ? | D9862 | NIPPLE, LONG | 1 | ||||
| ? | HA1413 | HOSE | 2 | ||||
| ? | HA0989 | HOSE | 2 |