| Номер на схеме | Каталожный номер | Название | Количество | Детали | |||
|---|---|---|---|---|---|---|---|
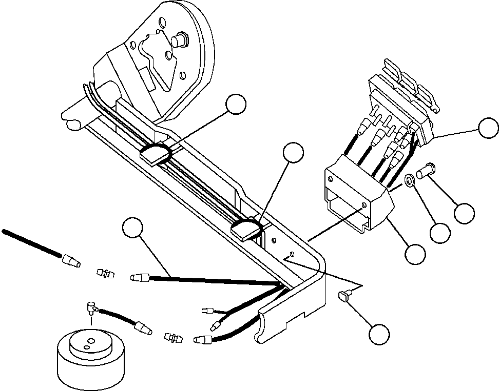
| ? | VE8861 | SEAT FRAME ASSEMBLY | 1 | ||||
| ? | VE9079 | • KIT, ELECTRIC CONTROL VALVE | 1 | ||||
| ? | • • VALVE, CONTROL (1) | 1 | |||||
| ? | • • SCREW, PHILLIPS HEAD - M4 X 1 (1) | 2 | |||||
| ? | • • WASHER, FLAT - M4 (1) | 2 | |||||
| ? | • • HOUSING, VALVE (1) | 1 | |||||
| ? | • • NUT, TEE - M4 (1) | 2 | |||||
| ? | • • HOSE - 290MM (1) | 1 | |||||
| ? | • • STRAP, TIE (1) | 2 | |||||
| ? | NOTE: NS = NOT SHOWN | ||||||
| ? | FITTING, HOSE (1) | 1 | |||||
| ? | BF0588 | HOSE, PLASTIC | 1 | ||||
| ? | NOTE: (1) NOT SERVICED SEPARATELY. |