k-part
Номер на схеме Каталожный номер Название Количество Детали
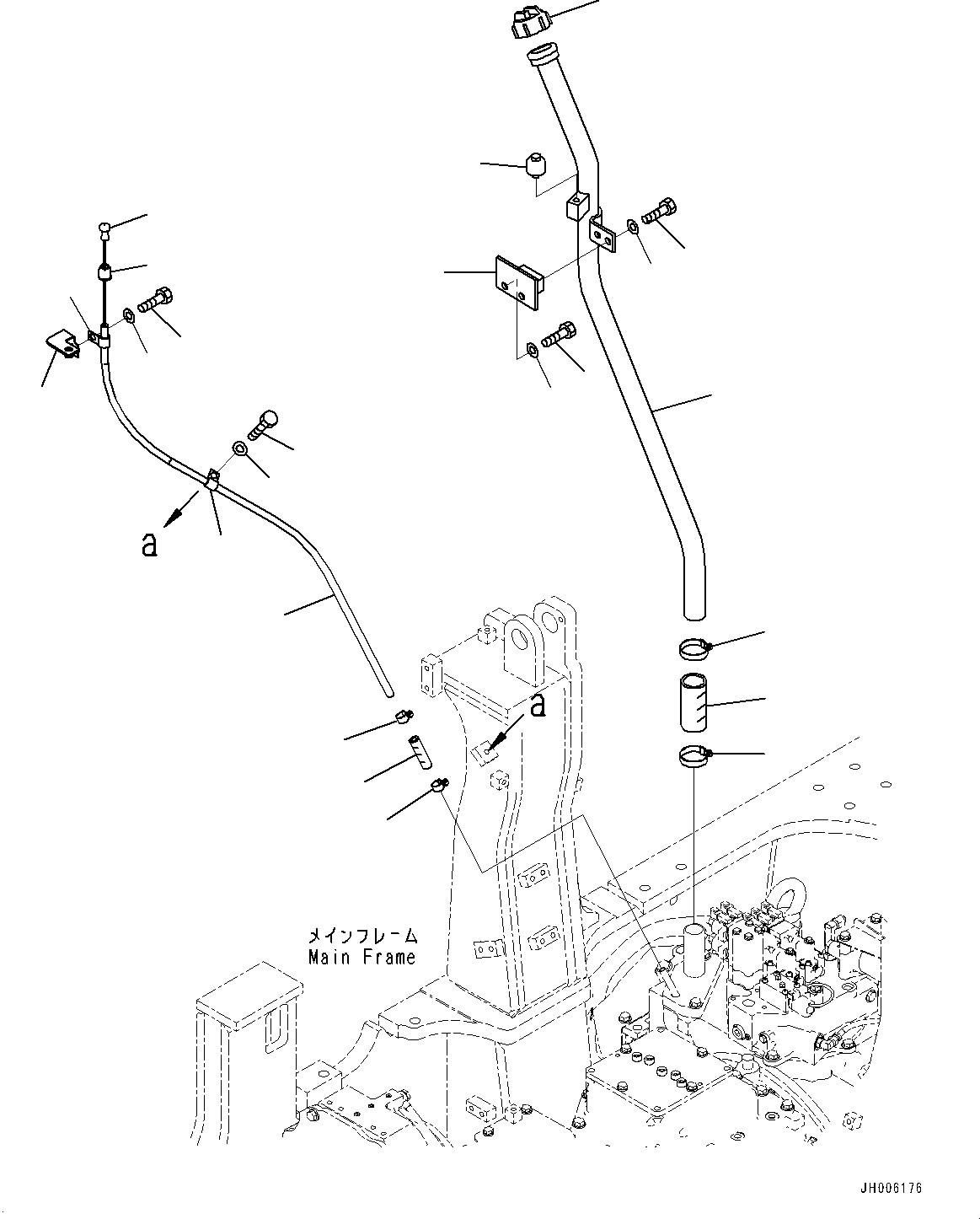
? 17A-21-51210 Frame Assembly 1
SN: 90001-90151
KIT-FLAG: _-
SCC:
SERIALNO: 90001-90151
? 17A-21-11151 Plate 2
SN: 90001-90151
KIT-FLAG: _-
SCC:
SERIALNO: 90001-90151
? 01010-81225 Bolt 8
SN: 90001-90151
KIT-FLAG: _-
SCC:
SERIALNO: 90001-90151
? 01643-31232 Washer 8
SN: 90001-90151
KIT-FLAG: _-
SCC:
SERIALNO: 90001-90151
? 17A-50-42211 Bushing 2
SN: 90001-90151
KIT-FLAG: _-
SCC:
SERIALNO: 90001-90151
? 175-61-15450 Bushing 2
SN: 90001-90151
KIT-FLAG: _-
SCC:
SERIALNO: 90001-90151
? 175-61-15460 Bushing 2
SN: 90001-90151
KIT-FLAG: _-
SCC:
SERIALNO: 90001-90151
? 07145-00125 Seal, Dust 2
SN: 90001-90151
KIT-FLAG: _-
SCC:
SERIALNO: 90001-90151
? 201-62-41910 Elbow 2
SN: 90001-90151
KIT-FLAG: _-
SCC:
SERIALNO: 90001-90151
? 202-62-21430 Elbow 2
SN: 90001-90151
KIT-FLAG: _-
SCC:
SERIALNO: 90001-90151
? 07020-00675 Fitting, Grease 2
SN: 90001-90151
KIT-FLAG: _-
SCC:
SERIALNO: 90001-90151
? 17A-61-41820 Hose 2
SN: 90001-90151
KIT-FLAG: _-
SCC:
SERIALNO: 90001-90151
? 07049-03949 Plug, Cork 22
SN: 90001-90151
KIT-FLAG: _-
SCC:
SERIALNO: 90001-90151
? 17A-21-41391 Cap 2
SN: 90001-90151
KIT-FLAG: _-
SCC:
SERIALNO: 90001-90151
? 01011-81655 Bolt 8
SN: 90001-90151
KIT-FLAG: _-
SCC:
SERIALNO: 90001-90151
? 01643-31645 Washer 8
SN: 90001-90151
KIT-FLAG: _-
SCC:
SERIALNO: 90001-90151

Bulldozers Komatsu / D155AX-7 S/N 90001-UP(0000628C) / Main Frame (#90001-90151)(J004001 : J2100-002001)
?
?
?
?
?
?
?
?
?
?
?
?
?
?
?
?
?
?
?
?
?
?
?
?
?
?
?
?
?