| Наименование | Страница | Код страницы |
|---|---|---|
| RELAY BOARDS | 470 | 55612 |
| RELAY BOARDS | 470 | 55612 |
| RELAY BOARDS | 470 | 55612 |
| RELAY BOARDS | 470 | 55612 |
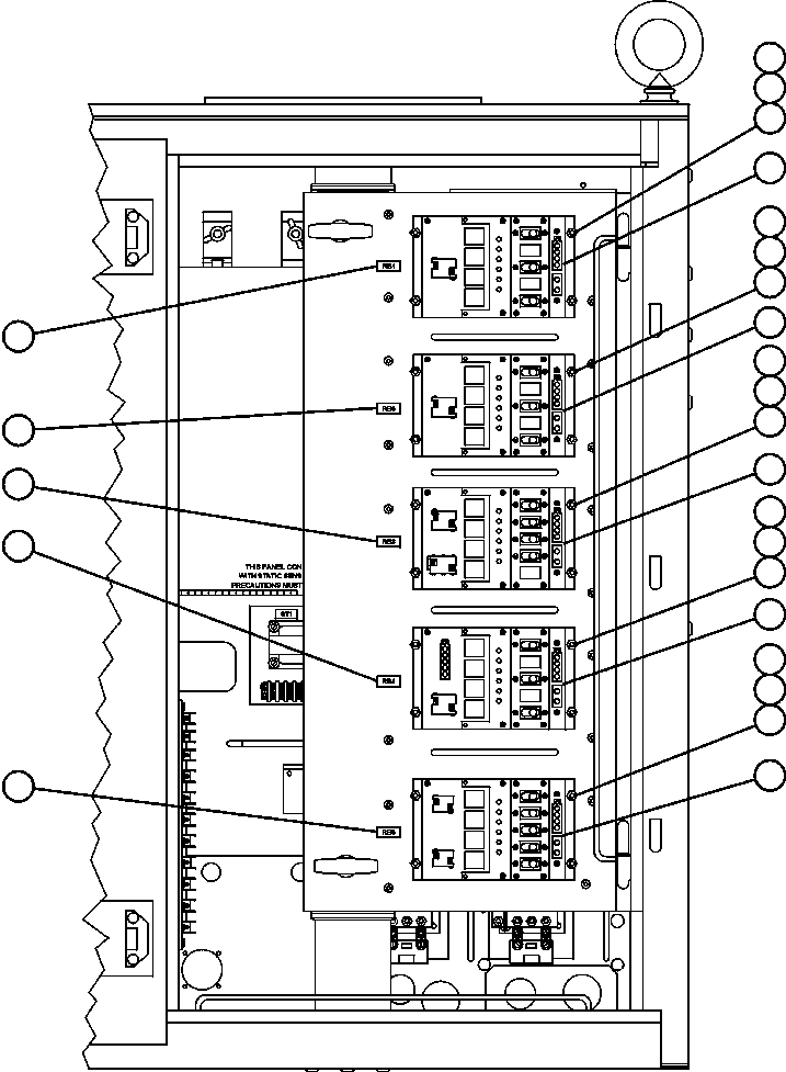
| RELAY AND DIODE BOARDS - 1 | 474 | 55613 |
| Номер на схеме | Каталожный номер | Название | Количество | Детали | |||
|---|---|---|---|---|---|---|---|
| ? | EC8823 | PLATE, NAME - RB5 | 1 | ||||
| ? | EC8822 | PLATE, NAME - RB4 | 1 | ||||
| ? | EC8821 | PLATE, NAME - RB3 | 1 | ||||
| ? | EC8824 | PLATE, NAME - RB6 | 1 | ||||
| ? | EC8819 | PLATE, NAME - RB1 | 1 | ||||
| ? | MM0459 | FLAT WASHER - M6 | 20 | ||||
| ? | MM0469 | LOCKWASHER - M6 | 20 | ||||
| ? | MM0007 | CAPSCREW - M6 X 1.00 X 12 | 20 | ||||
| ? | EK3808 | RELAY BOARD ASSEMBLY - RB1 (SEE FIG 55612) | 1 | 55612 | |||
| ? | EK4991 | RELAY BOARD ASSEMBLY - RB6 (SEE FIG 55613)(OPTIONAL) | 1 | 55613 | |||
| ? | EK3803 | RELAY BOARD ASSEMBLY - RB3 (SEE FIG 55612) | 1 | 55612 | |||
| ? | EK3806 | RELAY BOARD ASSEMBLY - RB4 (SEE FIG 55612) | 1 | 55612 | |||
| ? | EK3811 | RELAY BOARD ASSEMBLY - RB5 (SEE FIG 55612) | 1 | 55612 |