| Номер на схеме | Каталожный номер | Название | Количество | Детали | |||
|---|---|---|---|---|---|---|---|
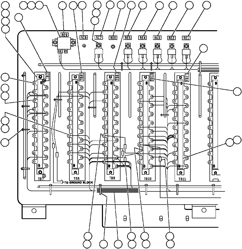
| ? | PB7276 | • RELAY - 24 VOLT/50 AMP | 1 | ||||
| ? | DC3101 | • • LOCKWASHER - #10 | 22 | ||||
| ? | DF0017 | • • NUT - #10 - 24NC | 10 | ||||
| ? | PB4767 | • • RELAY | 6 | ||||
| ? | EC0611 | • • STRIP, CIRCUIT IDENTIFICATION | 1 | ||||
| ? | VM2951 | • • SET SCREW - #6 - 32NC X 5/16" | 10 | ||||
| ? | TY7848 | • • HOUSING, STOP RELAY | 1 | ||||
| ? | VZ3250 | • • DIODE | 4 | ||||
| ? | TY7849 | • • HOUSING | 1 | ||||
| ? | EC1289 | • • HARNESS, INTERNAL CAB | 1 | ||||
| ? | VH5017 | • • STRAP, TIE | 25 | ||||
| ? | EC0610 | • • STRIP, CIRCUIT IDENTIFICATION | 1 | ||||
| ? | EC0609 | • • STRIP, CIRCUIT IDENTIFICATION | 1 | ||||
| ? | TZ7311 | • • PLATE, NAME - RE9 | 1 | ||||
| ? | WB0733 | • • STRIP, CIRCUIT IDENTIFICATION | 1 | ||||
| ? | VZ0070 | • • TYRAP | 9 | ||||
| ? | EC0608 | • • STRIP, CIRCUIT IDENTIFICATION | 1 | ||||
| ? | WA3367 | • • NUT ASSM | 100 | ||||
| ? | VS8193 | • • BOARD, TERMINAL | 5 | ||||
| ? | VF2231 | • • MACHINE SCREW - #10 - 24NC X 3/8" | 10 | ||||
| ? | VC5344 | • • FLAT WASHER - #10 | 10 | ||||
| ? | TZ7310 | • • PLATE, NAME - RE8 | 1 | ||||
| ? | TZ7309 | • • PLATE, NAME - RE7 | 1 | ||||
| ? | TZ7308 | • • PLATE, NAME - RE6 | 1 | ||||
| ? | TZ7307 | • • PLATE, NAME - RE5 | 1 | ||||
| ? | TZ7306 | • • PLATE, NAME - RE4 | 1 | ||||
| ? | TZ7305 | • • PLATE, NAME - RE3 | 1 | ||||
| ? | TZ7304 | • • PLATE, NAME - RE2 | 1 | ||||
| ? | TZ7303 | • • PLATE, NAME - RE1 | 1 | ||||
| ? | TZ7312 | • • PLATE, NAME - TB7 | 1 | ||||
| ? | TZ7313 | • • PLATE, NAME - TB8 | 1 | ||||
| ? | TZ7314 | • • PLATE, NAME - TB9 | 1 | ||||
| ? | TZ7315 | • • PLATE, NAME - TB10 | 1 | ||||
| ? | TZ7316 | • • PLATE, NAME - TB11 | 1 |