| Номер на схеме | Каталожный номер | Название | Количество | Детали | |||
|---|---|---|---|---|---|---|---|
| ? | TF6925 | CLAMP | 4 | ||||
| ? | DC5604 | SET SCREW - 1/4" - 20NC | 3 | ||||
| ? | SP8417 | FLAT WASHER - 1/4" | 3 | ||||
| ? | VY8331 | CLAMP | 1 | ||||
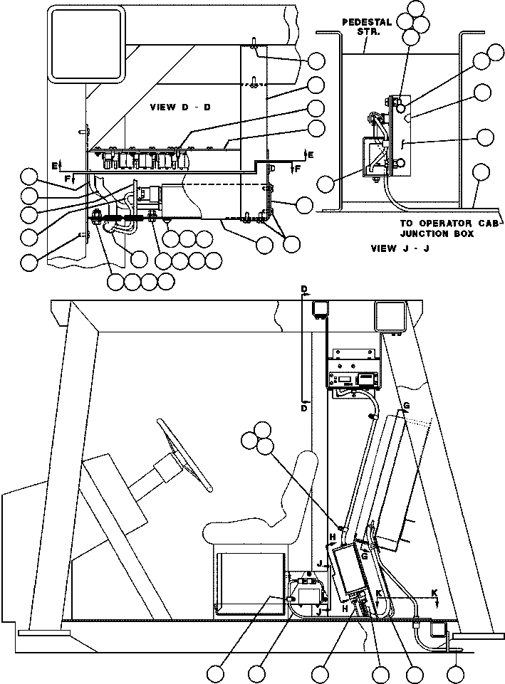
| ? | EB8241 | HARNESS, ANGLE SENSOR | 1 | ||||
| ? | EB9760 | HARNESS, INTERFACE | 1 | ||||
| ? | EC4352 | HARNESS, EMB POWER SUPPLY | 1 | ||||
| ? | EB8242 | HARNESS, PLM OPERATOR CAB | 1 | ||||
| ? | EB8240 | HARNESS, FRONT SUSPENSION | 1 | ||||
| ? | WA2853 | SET SCREW - #12 | 24 | ||||
| ? | EB3778 | HOUSING, PLM | 1 | ||||
| ? | EB9775 | PLATE, COVER | 1 | ||||
| ? | EC0754 | PLM CONTROL BOX ASSM | 1 | ||||
| ? | AK8361 | • PRINTER ASSM | 1 | ||||
| ? | AK8449 | • PRINTER MODULE | 1 | ||||
| ? | EC2453 | • BATTERY | 1 | ||||
| ? | VE5548 | PAPER, PRINTER | 1 | ||||
| ? | EB9773 | HOUSING, PLM | 1 | ||||
| ? | MM0357 | MACHINE SCREW - M6 X 1 | 2 | ||||
| ? | DC3584 | LOCKWASHER - 1/4" | 2 | ||||
| ? | SP8417 | FLAT WASHER - 1/4" | 2 | ||||
| ? | TD0794 | CAPSCREW - 5/16" - 18NC X 3/4" | 2 | ||||
| ? | TV0177 | FLAT WASHER - 5/16" | 2 | ||||
| ? | SC4174 | LOCKWASHER - 5/16" | 2 | ||||
| ? | TD1684 | NUT - 5/16" - 18NC | 2 | ||||
| ? | TG5720 | CAPSCREW - 3/8" - 16NC X 1" | 6 | ||||
| ? | TR4436 | FLAT WASHER - 3/8" | 4 | ||||
| ? | TC1231 | LOCKWASHER - 3/8" | 6 | ||||
| ? | TC1233 | NUT - 3/8" - 16NC | 4 | ||||
| ? | EC2454 | HARNESS, PLM CONTROL BOX | 1 | ||||
| ? | EB0860 | MOUNTING PLATE, INCLINOMETER | 1 | ||||
| ? | EB0861 | MOUNTING BRACKET, INCLINOMETER | 1 | ||||
| ? | 7861925330 | SENSOR, ANGLE | 1 |