k-part
Номер на схеме Каталожный номер Название Количество Детали
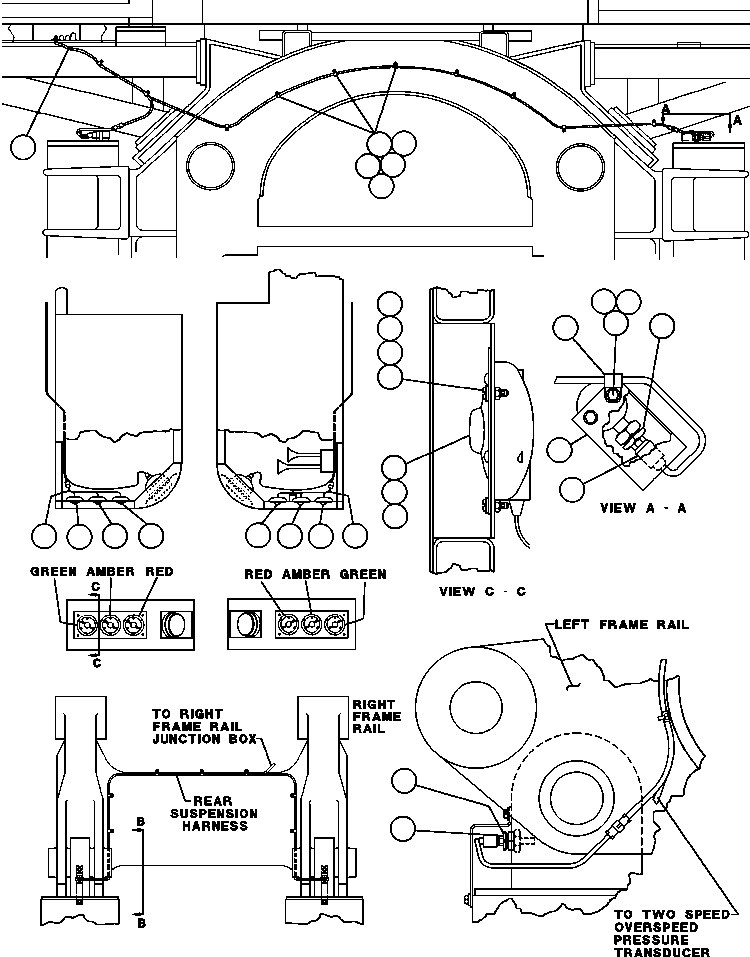
? EB8240 HARNESS, FRONT SUSPENSION 1
? 424243 CLAMP 10
? VC2195 WELD STUD - 3/8" - 16NC X 1" 10
? TR4436 FLAT WASHER - 3/8" 10
? TC1231 LOCKWASHER - 3/8" 10
? TC1233 NUT - 3/8" - 16NC 10
? WA4887 CLAMP 2
? VG7146 CAPSCREW - 1/2" - 13NC X 3/4" 4
? TR5445 LOCKWASHER - 1/2" 4
? TR6008 FLAT WASHER - 1/2" 4
? TZ9715 LOAD WEIGH VALVE ASSM 4
? TZ8627 • BODY 4
? TZ8628 • ADAPTOR, PRESSURE SENSOR 4
? TD7179 • CORE, VALVE 4
? 07000510009 • O-RING 4
? EB8840 SENSOR, PRESSURE 4
? 0700251423 • O-RING 4
? TZ8636 COVER 2
? EB8239 HARNESS, LIGHT 2
? EB2846 LIGHT ASSM, GREEN 2
? PB7397 • LIGHT, BACKUP 2
? PB7762 • LENS, GREEN 2
? SF9896 • DISCONNECT, KNIFE 4
? EB8246 • LAMP - 24 V 2
? EB2847 LIGHT ASSM, AMBER 2
? PB7397 • LIGHT, BACKUP 2
? SF9896 • DISCONNECT, KNIFE 4
? EB8246 • LAMP - 24 V 2
? VS5384 • LENS PKG., AMBER 2
? EB2848 LIGHT ASSM, RED 2
? PB7397 • LIGHT, BACKUP 2
? EB8246 • LAMP - 24 V 2
? VS6513 • LENS PKG., RED 2
? SF9896 • DISCONNECT, KNIFE 4
? HD6007 MACHINE SCREW - #10 - 24NC X 3/4" 18
? DC3101 LOCKWASHER - #10 18
? VC5344 FLAT WASHER - #10 18
? DF0017 NUT - #10 - 24NC 18

Dump Trucks Komatsu / AFE32-CE 830E S/N 32326-32328   WESTERN COLLERIES(AFE32-CE) / PAYLOAD METER/ON BOARD WEIGHING SYSTEM(426 : 40419)
?
?
?
?
?
?
?
?
?
?
?
?
?
?
?
?
?
?
?
?
?
?
?
?
?
?
?
?
?
?