k-part
Наименование Страница Код страницы
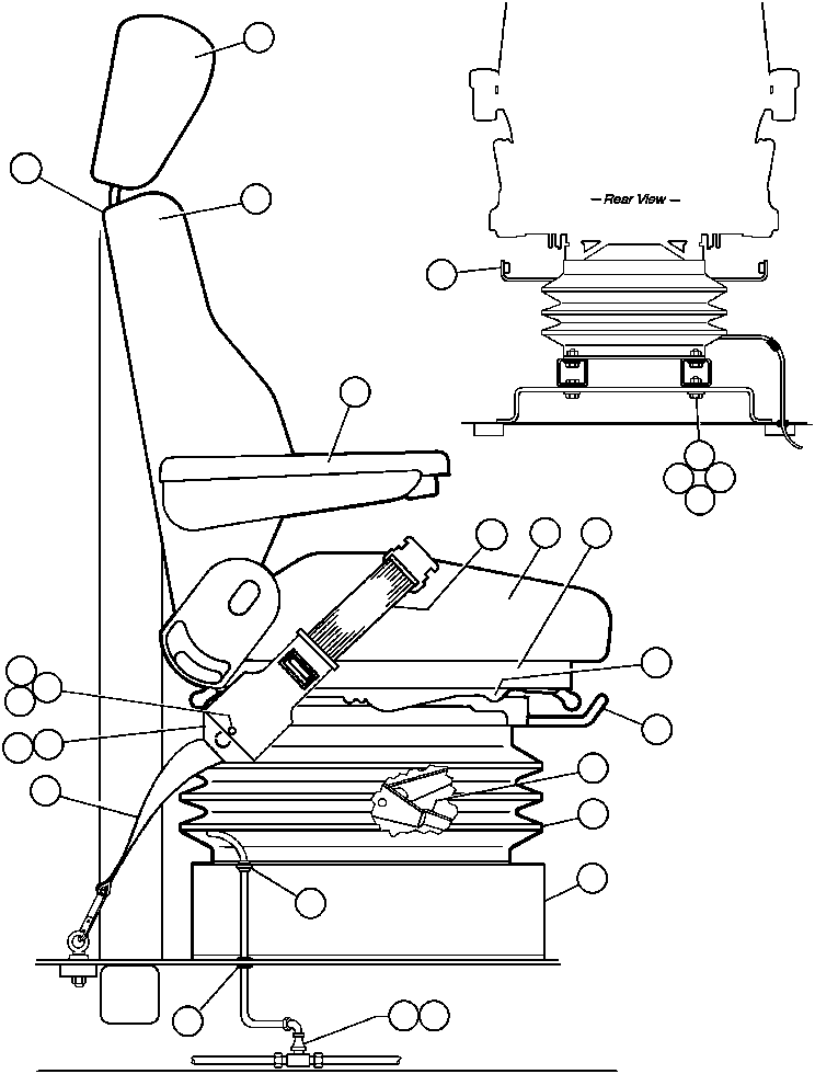
DRIVER'S SEAT ASSM (PB8742) 152 30314

Номер на схеме Каталожный номер Название Количество Детали
? PB8742 • SEAT ASSM (SEE INDEX) 1
? SF4691 • • FITTING, PIPE 1
? TA0602 • • FITTING, NYLON 1
? TF6380 • • GROMMET, RUBBER 1
? TD0794 • • CAPSCREW - 5/16" - 18NC X 3/4" 4
? WA4725 • • FLAT WASHER - 5/16" 4
? SC4174 • • LOCKWASHER - 5/16" 4
? TD1684 • • NUT - 5/16" - 18NC 4
? PB7240 • • BELT, TETHER 1
? WA3135 • • CAPSCREW - 7/16" - 14NC X 1" 2
? WA4727 • • FLAT WASHER - 7/16" 2
? PB7239 • • BELT, SEAT 1
? WA3135 • • CAPSCREW - 7/16" - 14NC X 1" 2
? WA4727 • • FLAT WASHER - 7/16" 2
? TF8136 • • LOCKNUT - 7/16" - 14NC 2
? WA4065 • • UNION, TUBE 1
? EB2790 • • TUBE (SEAT SPACER) 2
? VE2962 • • HEADREST (1) 1
? VE4557 • • ARM REST SET (1) 1
? VE8365 • • BACKREST ASSM (1) 1
? VE8359 • • SEAT PAN ASSM (1) 1
? VE8370 • • SEAT FRAME ASSM (1) 1
? VE8361 • • SPACER, STATIC (1) 1
? LA0319 • • KIT, SLIDE (1) 1
? VE8362 • • KIT, SUSPENSION (1) 1
? VE4564 • • BAR, ICP (1) 1
? VE4565 • • BOOT (1) 1
? • • NOTE: (1) INCLUDED IN PB8742 SEAT ASSEMBLY. 65535
? • • SEE FIG. 65535

Dump Trucks Komatsu / AFE32-CD 830E                  ELKVIEW(AFE32-CD) / OPERATOR
?
?
?
?
?
?
?
?
?
?
?
?
?
?
?
?
?
?
?
?
?
?
?
?
?
?
?