k-part
Номер на схеме Каталожный номер Название Количество Детали
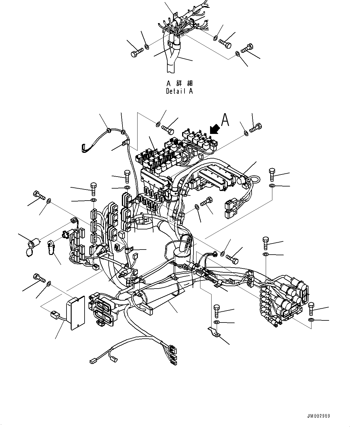
? 42C-06-22283 Wiring Harness Assembly 1
SN: 60002-
KIT-FLAG: _-
SCC:
SERIALNO: 60002-
? 42C-06-22281 Wiring Harness Assembly 1
SN: 60001-60001
KIT-FLAG: _-
SCC: A2
SERIALNO: 60001-60001
? 198-Z11-2640 Socket Assembly 1
SN: 60001-
KIT-FLAG: _-
SCC:
SERIALNO: 60001-
? 562-43-15810 Cap 1
SN: 60001-
KIT-FLAG: _-
SCC:
SERIALNO: 60001-
? 22U-06-22251 Converter 1
SN: 60001-
KIT-FLAG: _-
SCC:
SERIALNO: 60001-
? 01010-80612 Bolt 2
SN: 60001-
KIT-FLAG: _-
SCC:
SERIALNO: 60001-
? 01643-30623 Washer 2
SN: 60001-
KIT-FLAG: _-
SCC:
SERIALNO: 60001-
? 01010-81020 Bolt 1
SN: 60001-
KIT-FLAG: _-
SCC:
SERIALNO: 60001-
? 01643-31032 Washer 1
SN: 60001-
KIT-FLAG: _-
SCC:
SERIALNO: 60001-
? 04434-51010 Clip 1
SN: 60001-
KIT-FLAG: _-
SCC:
SERIALNO: 60001-
? 01010-81020 Bolt 1
SN: 60001-
KIT-FLAG: _-
SCC:
SERIALNO: 60001-
? 01643-31032 Washer 1
SN: 60001-
KIT-FLAG: _-
SCC:
SERIALNO: 60001-
? 08037-01008 Grommet 2
SN: 60001-
KIT-FLAG: _-
SCC:
SERIALNO: 60001-
? 04434-53411 Clip 1
SN: 60001-
KIT-FLAG: _-
SCC:
SERIALNO: 60001-
? 01010-81020 Bolt 2
SN: 60001-
KIT-FLAG: _-
SCC:
SERIALNO: 60001-
? 01643-31032 Washer 2
SN: 60001-
KIT-FLAG: _-
SCC:
SERIALNO: 60001-
? 04434-52711 Clip 2
SN: 60001-
KIT-FLAG: _-
SCC:
SERIALNO: 60001-
? 01010-81020 Bolt 2
SN: 60001-
KIT-FLAG: _-
SCC:
SERIALNO: 60001-
? 01643-31032 Washer 2
SN: 60001-
KIT-FLAG: _-
SCC:
SERIALNO: 60001-
? 04434-53211 Clip 1
SN: 60001-
KIT-FLAG: _-
SCC:
SERIALNO: 60001-
? 01010-81020 Bolt 1
SN: 60001-
KIT-FLAG: _-
SCC:
SERIALNO: 60001-
? 01643-31032 Washer 1
SN: 60001-
KIT-FLAG: _-
SCC:
SERIALNO: 60001-
? 04434-51610 Clip 1
SN: 60001-
KIT-FLAG: _-
SCC:
SERIALNO: 60001-
? 01010-81020 Bolt 1
SN: 60001-
KIT-FLAG: _-
SCC:
SERIALNO: 60001-
? 01643-31032 Washer 1
SN: 60001-
KIT-FLAG: _-
SCC:
SERIALNO: 60001-
? 04434-51410 Clip 1
SN: 60001-
KIT-FLAG: _-
SCC:
SERIALNO: 60001-
? 04434-50610 Clip 1
SN: 60001-
KIT-FLAG: _-
SCC:
SERIALNO: 60001-
? 04434-51010 Clip 1
SN: 60001-
KIT-FLAG: _-
SCC:
SERIALNO: 60001-
? 01010-81020 Bolt 1
SN: 60001-
KIT-FLAG: _-
SCC:
SERIALNO: 60001-
? 01643-31032 Washer 1
SN: 60001-
KIT-FLAG: _-
SCC:
SERIALNO: 60001-
? 01010-81020 Bolt 6
SN: 60001-
KIT-FLAG: _-
SCC:
SERIALNO: 60001-
? 01643-31032 Washer 6
SN: 60001-
KIT-FLAG: _-
SCC:
SERIALNO: 60001-
? 04434-51010 Clip 1
SN: 60001-
KIT-FLAG: _-
SCC:
SERIALNO: 60001-
? 04434-50610 Clip 1
SN: 60001-
KIT-FLAG: _-
SCC:
SERIALNO: 60001-
? 01010-81020 Bolt 1
SN: 60001-
KIT-FLAG: _-
SCC:
SERIALNO: 60001-
? 01643-31032 Washer 1
SN: 60001-
KIT-FLAG: _-
SCC:
SERIALNO: 60001-
? 01010-81020 Bolt 1
SN: 60001-
KIT-FLAG: _-
SCC:
SERIALNO: 60001-
? 01643-31032 Washer 1
SN: 60001-
KIT-FLAG: _-
SCC:
SERIALNO: 60001-
? 04434-50810 Clip 2
SN: 60001-
KIT-FLAG: _-
SCC:
SERIALNO: 60001-
? 01010-81020 Bolt 2
SN: 60001-
KIT-FLAG: _-
SCC:
SERIALNO: 60001-
? 01643-31032 Washer 2
SN: 60001-
KIT-FLAG: _-
SCC:
SERIALNO: 60001-
? 08053-01510 Clip 1
SN: 60001-
KIT-FLAG: _-
SCC:
SERIALNO: 60001-
? 01010-81020 Bolt 1
SN: 60001-
KIT-FLAG: _-
SCC:
SERIALNO: 60001-
? 01643-31032 Washer 1
SN: 60001-
KIT-FLAG: _-
SCC:
SERIALNO: 60001-

Wheel Loaders Komatsu / WA1200-6 S/N 60004-UP (KAL Spec. (Chassis only))(0000631C) / Floor, Electric Parts (#60001-)(K012019 : K4010-005018)
?
?
?
?
?
?
?
?
?
?
?
?
?
?
?
?
?
?
?
?
?
?
?
?
?
?
?
?
?
?
?
?
?
?
?
?
?
?
?
?
?
?
?
?
?
?
?
?
?
?
?