k-part
Номер на схеме Каталожный номер Название Количество Детали
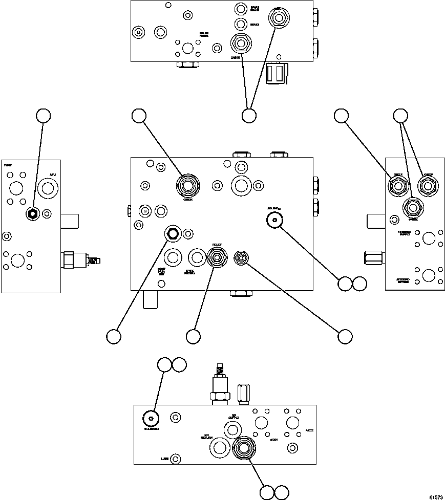
? PB5916 VALVE, CHECK 2
? XA0200 VALVE, CHECK 2
? VE3054 VALVE, CHECK 2
? XA4435 VALVE, RELIEF 1
? XA0201 PLUG, CAVITY 1
? BF4493 VALVE, SOLENOID 1
? VE3839 VALVE, CHECK 1
? BF5202 VALVE, RELIEF 1
? VS7009 CARTRIDGE, SOLENOID 1
? BF5204 VALVE, PILOT 1
? XA2379 VALVE, PILOT PISTON 1
? XA2380 COIL - 24V 2

Dump Trucks Komatsu / AFE62-S 930E-4SE S/N A31016, A31018 & A31020     COLLAHUASI(AFE62-S) / BLEED DOWN MANIFOLD      PC1493(522 : 61573)
?
?
?
?
?
?
?
?
?
?
?
?
?
?