| Номер на схеме | Каталожный номер | Название | Количество | Детали | |||
|---|---|---|---|---|---|---|---|
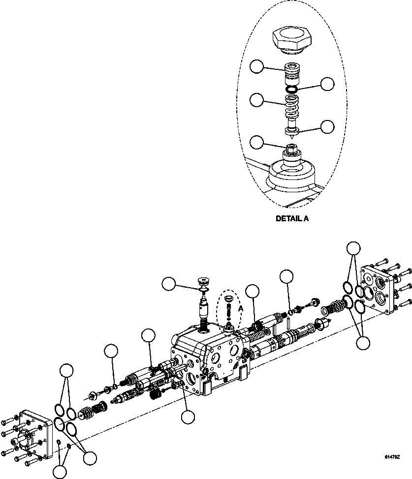
| ? | XA3695 | O-RING (1) | 1 | ||||
| ? | XA3696 | ADJUSTING SCREW (1) | 1 | ||||
| ? | XA3697 | SPRING (1) | 1 | ||||
| ? | XA3698 | PILOT CONE (1) | 1 | ||||
| ? | XA3699 | VALVE SEAT (1) | 1 | ||||
| ? | VE4146 | O-RING (2) | 4 | ||||
| ? | VE4147 | O-RING (2) | 4 | ||||
| ? | VE4148 | O-RING (2) | 2 | ||||
| ? | VE4149 | O-RING (2) | 1 | ||||
| ? | VE4152 | O-RING (2) | 2 | ||||
| ? | VE4153 | O-RING (2) | 2 | ||||
| ? | VE4154 | O-RING (2) | 1 | ||||
| ? | XA4442 | NOTE: (1) INCLUDED IN XA4442 FLOW AMPLIFIER SERVICE KIT. | |||||
| ? | XA4441 | (2) INCLUDED IN XA4441 RELIEF VALVE ASSEMBLY SERVICE KIT. |