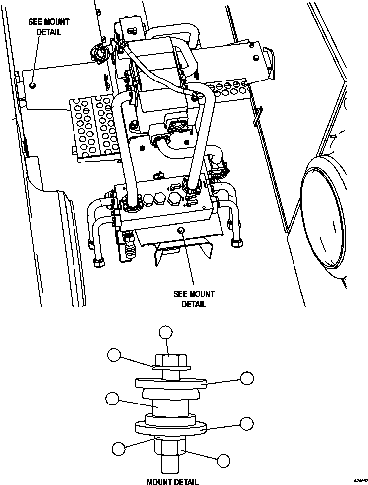
Найти k-part Содержание Dump Trucks Komatsu AFE62-S 930E-4SE S/N A31016, A31018 & A31020 COLLAHUASI(AFE62-S) PUMP MODULE INSTALLATION(406 : 42493) Номер на схеме Каталожный номер Название Количество Детали ? C1637 CAPSCREW - 5/8" - 11NC X 3 3/4" 3 ? TD5915 WASHER 6 ? C1525 NUT - 5/8" - 11NC 3 ? C1541 LOCKWASHER - 5/8" 3 ? VG7000 MOUNT 3 ? WA0361 FLAT WASHER - 5/8" (HARDENED) 3 ? ? ? ? ? ? ?