| Номер на схеме | Каталожный номер | Название | Количество | Детали | |||
|---|---|---|---|---|---|---|---|
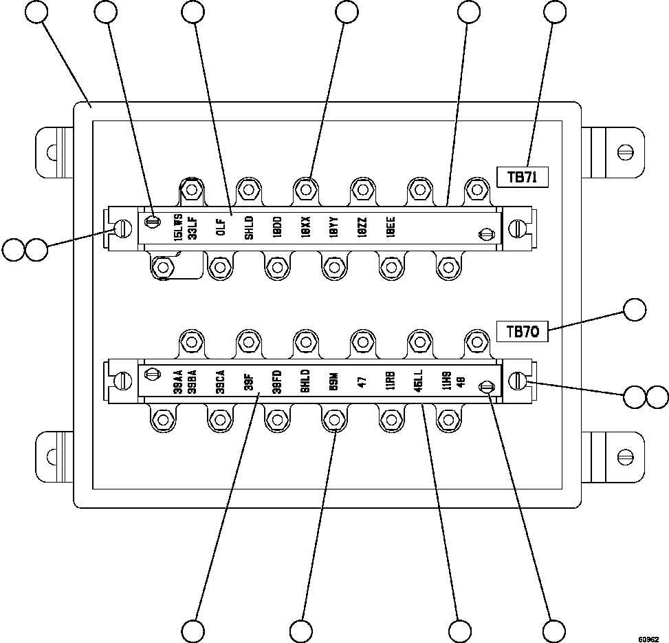
| ? | EK1411 | BOX W/COVER | 1 | ||||
| ? | VS8479 | BOARD, TERMINAL | 2 | ||||
| ? | VF2231 | MACHINE SCREW - #10 - 24NC X 3/8" | 4 | ||||
| ? | DC3101 | LOCKWASHER - #10 | 4 | ||||
| ? | WB1243 | STRIP, CIRCUIT ID | 1 | ||||
| ? | WB1242 | STRIP, CIRCUIT ID | 1 | ||||
| ? | WA3367 | NUT ASSEMBLY | 24 | ||||
| ? | VM2951 | SCREW, SELF-TAPPING - #6 - 32NC X 5/16" | 4 | ||||
| ? | WB1245 | NAME PLATE - TB71 | 1 | ||||
| ? | WB1244 | NAME PLATE - TB70 | 1 |