| Наименование | Страница | Код страницы |
|---|---|---|
| LIGHT ASSEMBLY (SUPER HALOGEN) | 338 | 42185 |
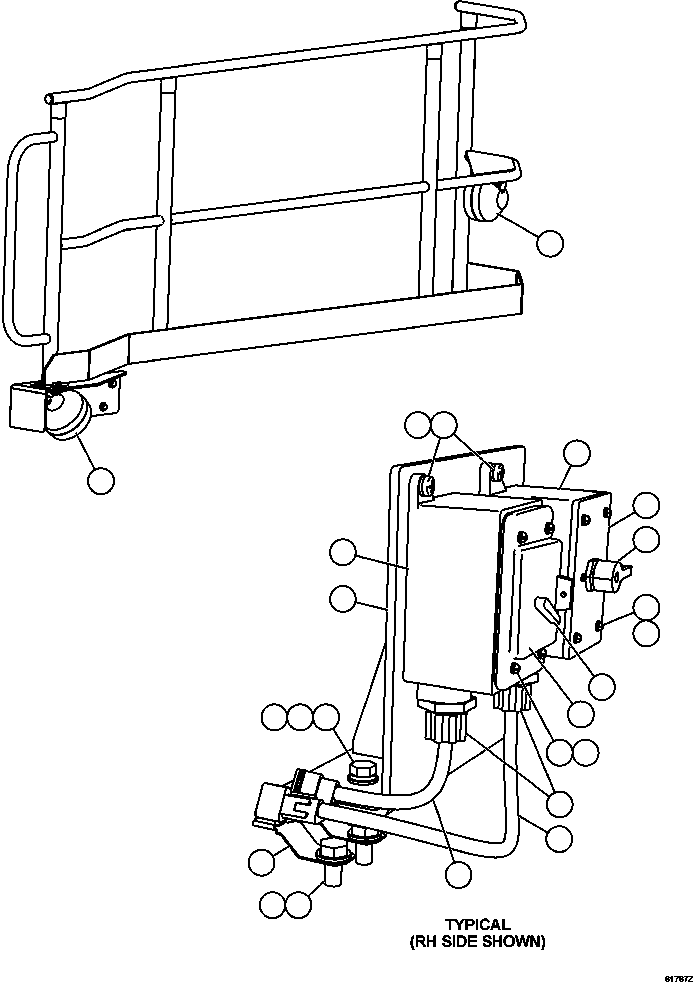
| Номер на схеме | Каталожный номер | Название | Количество | Детали | |||
|---|---|---|---|---|---|---|---|
| ? | AK7503 | FLOODLIGHT ASSEMBLY (SEE FIG 42185) | 2 | 42185 | |||
| ? | PB8735 | SWITCH, ENGINE SHUTDOWN | 1 | ||||
| ? | VA2828 | SWITCH, FLUSH | 1 | ||||
| ? | VA2826 | COVER, SWITCH | 1 | ||||
| ? | VN7129 | MACHINE SCREW - #6 - 32NC X 5/8" | 8 | ||||
| ? | MM0358 | MACHINE SCREW - M6 X 1.00 X 16 | 4 | ||||
| ? | VM5737 | CORD GRIP | 2 | ||||
| ? | DF4944 | LOCKWASHER - #6 | 8 | ||||
| ? | MM0469 | LOCKWASHER - M6 | 4 | ||||
| ? | EM2230 | HARNESS, JUMPER - LADDER LIGHT SWITCH | 1 | ||||
| ? | EM2231 | HARNESS, JUMPER - ENGINE SHUTDOWN SWITCH | 1 | ||||
| ? | EM2064 | BRACKET, SWITCH MOUNT | 1 | ||||
| ? | MM0605 | CAPSCREW - M10 X 1.50 X 25 | 2 | ||||
| ? | MM0471 | LOCKWASHER - M10 | 2 | ||||
| ? | MM0461 | FLAT WASHER - M10 | 4 | ||||
| ? | PB9075 | CONDULET | 2 | ||||
| ? | TZ0880 | COVER, SWITCH | 1 | ||||
| ? | MM0604 | CAPSCREW - M10 X 1.50 X 20 | 2 | ||||
| ? | 08193-20012 | CLIP | 2 |