| Номер на схеме | Каталожный номер | Название | Количество | Детали | |||
|---|---|---|---|---|---|---|---|
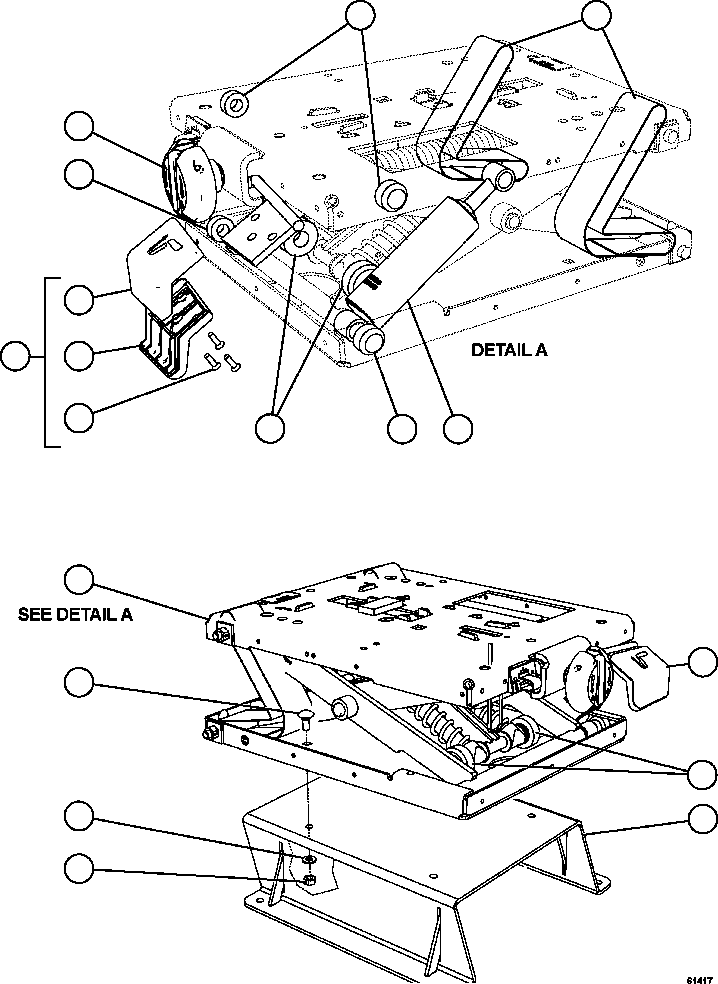
| ? | EM4056 | RISER | 1 | ||||
| ? | XA4454 | FLAT WASHER - M8 | 4 | ||||
| ? | XA4455 | LOCK NUT - M8 | 4 | ||||
| ? | XA4458 | BOLT, CARRIAGE - M8 X 20 | 4 | ||||
| ? | XA4461 | SUSPENSION ASSEMBLY | 1 | ||||
| ? | XA4469 | SHOCK | 1 | ||||
| ? | XA4468 | ROLLER, SMALL | 4 | ||||
| ? | XA4473 | STRAP, REBOUND | 2 | ||||
| ? | XA4471 | ADJUSTMENT KNOB ASSEMBLY | 1 | ||||
| ? | XA4472 | HEIGHT ADJUSTMENT LEVER ASSEMBLY | 1 | ||||
| ? | XA4484 | • HEIGHT ADJUSTMENT COVER, TOP | 1 | ||||
| ? | XA4483 | • HEIGHT ADJUSTMENT COVER, BOTTOM | 1 | ||||
| ? | XA4482 | • SCREW | 3 | ||||
| ? | XA4470 | ROLLER, LARGE | 2 |