| Номер на схеме | Каталожный номер | Название | Количество | Детали | |||
|---|---|---|---|---|---|---|---|
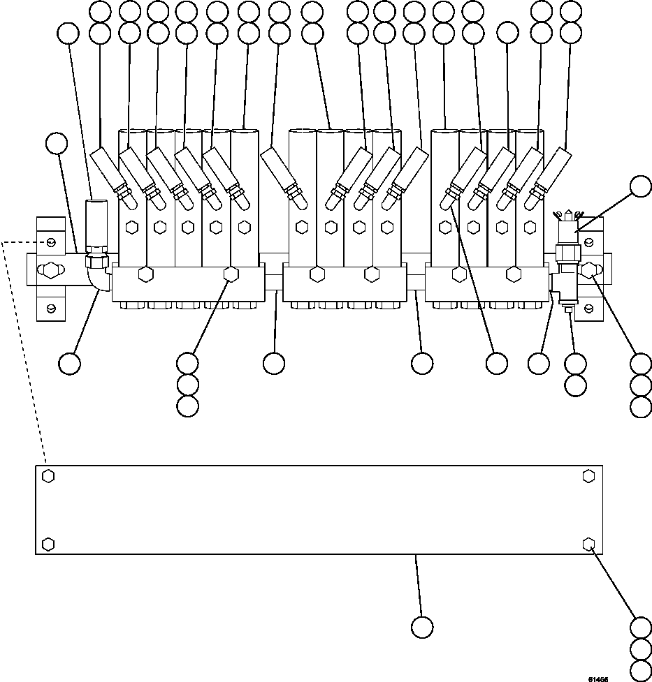
| ? | TA4411 | INJECTOR, REAR (5 PIECE) (1) | 1 | ||||
| ? | XA2520 | NIPPLE & CAP ASSEMBLY | 5 | ||||
| ? | VW7989 | INJECTOR, REAR (4-PIECE) (1) | 2 | ||||
| ? | XA2520 | NIPPLE & CAP ASSEMBLY | 8 | ||||
| ? | VW7990 | CAP, PROTECTIVE | 13 | ||||
| ? | WB0252 | FITTING, ELBOW - 90 DEG | 13 | ||||
| ? | EJ4053 | PLATE, MOUNTING | 1 | ||||
| ? | MM0606 | CAPSCREW - M10 X 1.50 X 30 | 6 | ||||
| ? | MM0471 | LOCKWASHER - M10 | 12 | ||||
| ? | MM0611 | CAPSCREW - M10 X 1.50 X 60 | 6 | ||||
| ? | MM0461 | FLAT WASHER - M10 | 12 | ||||
| ? | MM0178 | NUT - M10 X 1.50 | 6 | ||||
| ? | EG0583 | PLATE, COVER (REAR INJECTORS) | 1 | ||||
| ? | TB8803 | NIPPLE, PIPE - 3/8" | 2 | ||||
| ? | WB0262 | FITTING, ELBOW - 90 DEG | 1 | ||||
| ? | HA6448 | HOSE (TO JUNCTION AT HORSECOLLAR) | 1 | ||||
| ? | HA1413 | HOSE (TO BOTTOM OF REAR SUSPENSIONS) | 2 | ||||
| ? | WB0574 | FITTING, STRAIGHT (AT BOTTOM OF REAR SUSPENSIONS) | 2 | ||||
| ? | HA0994 | HOSE (TO BOTTOM OF HOIST CYLINDERS) | 2 | ||||
| ? | WB0252 | FITTING, ELBOW - 90 DEG (AT BOTTOM OF HOIST CYLINDERS) | 2 | ||||
| ? | HA0570 | HOSE (TO R.H. END OF SWAY BAR) | 1 | ||||
| ? | WB0281 | FITTING, ELBOW - 45 DEG (AT R.H. END OF SWAY BAR) | 1 | ||||
| ? | HA1413 | HOSE (TO L.H. END OF SWAY BAR) | 1 | ||||
| ? | WB0281 | FITTING, ELBOW - 45 DEG (AT L.H. END OF SWAY BAR) | 1 | ||||
| ? | HA0197 | HOSE (TO TOP OF REAR SUSPENSIONS) | 2 | ||||
| ? | WB0499 | FITTING, ELBOW - 90 DEG (AT TOP OF REAR SUSPENSIONS) | 2 | ||||
| ? | VD4661 | HOSE (TO BODY PIVOT PINS) | 2 | ||||
| ? | WB0284 | FITTING, ELBOW - 45 DEG (AT BODY PIVOT PINS) | 2 | ||||
| ? | PC1654 | SWITCH, PRESSURE | 1 | ||||
| ? | HA0394 | HOSE (TO TOP OF HOIST CYLINDERS) | 2 | ||||
| ? | WB0252 | FITTING, ELBOW - 90 DEG (AT TOP OF HOIST CYLINDERS) | 2 | ||||
| ? | HA8283 | HOSE (TO DRIVE CASE PIVOT) | 1 | ||||
| ? | R0086 | BUSHING, PIPE - 1/4" X 3/8" | 1 | ||||
| ? | R2508 | FITTING, TEE | 1 | ||||
| ? | R2510 | NIPPLE | 1 | ||||
| ? | NOTE: (1) FOR SINGLE INJECTOR, ORDER VS1947. |