k-part
Наименование Страница Код страницы
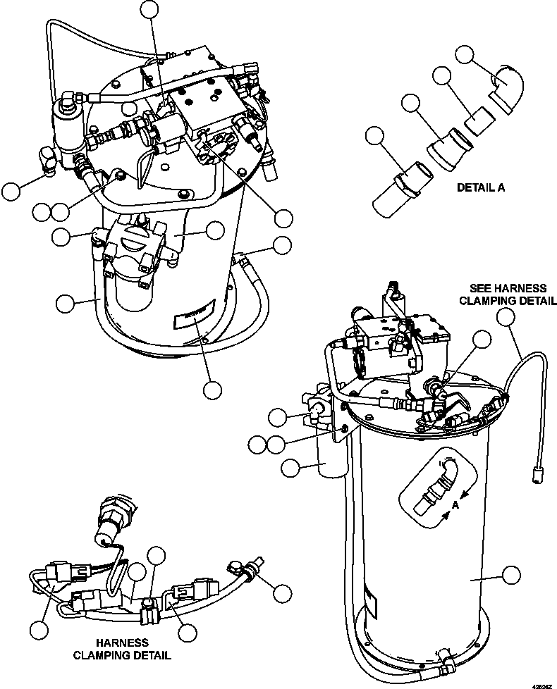
HYDRAULIC FILTER ASSEMBLY PC0811 568 41606
LUBE PUMP/CONTAINER ASSEMBLY PC2373 560 61273

Номер на схеме Каталожный номер Название Количество Детали
? WB0535 FITTING, ELBOW - 45 DEG 1
? F4037 FITTING, PIPE 1
? E2579 NIPPLE, CLOSE 1
? SD5214 FITTING, PIPE 1
? TG9242 CONNECTOR 1
? EM5618 HARNESS, AUTO LUBE 1
? PC2434 SWITCH, PRESSURE 1
? PC2373 LUBE PUMP/CONTAINER (SEE INDEX) 1 61273
? PC0811 FILTER, HYDRAULIC (SEE INDEX) 1 41606
? WA4726 FLAT WASHER - 3/8" (HARDENED) 6
? C1602 CAPSCREW - 3/8" - 16NC X 1" 4
? WB0268 FITTING, ELBOW - 90 DEG 3
? WB3098 CLAMP, CUSHIONED - 3/8" 3
? 08193-20012 CLIP 3
? C1604 CAPSCREW - 3/8" - 16NC X 1 1/2" 3
? DECAL, WARNING - GREASE FILL 1
? WB0499 FITTING, ELBOW - 90 DEG 1
? EJ0966 BRACKET, MOUNTING 1
? HA5843 HOSE 1
? WB0466 FITTING, STRAIGHT 1

Dump Trucks Komatsu / AFE62-Y 930E-4SE S/N A31105 & A31107    COLLAHUASI(AFE62-Y) / AUTOMATIC LUBRICATION PUMP SUB-ASSEMBLY(548 : 42526)
?
?
?
?
?
?
?
?
?
?
?
?
?
?
?
?
?
?
?
?
?
?
?
?
?
?