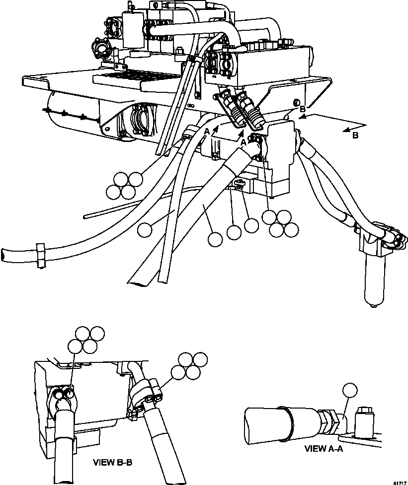
| Номер на схеме | Каталожный номер | Название | Количество | Детали | |||
|---|---|---|---|---|---|---|---|
| ? | C1615 | CAPSCREW - 1/2" - 13NC X 1 3/4" | 12 | ||||
| ? | C1540 | LOCKWASHER - 1/2" | 12 | ||||
| ? | WA5630 | CLAMP, SPLIT FLANGE - 1 1/4" | 4 | ||||
| ? | VG9096 | O-RING | 2 | ||||
| ? | HA7687 | HOSE (CASE DRAIN) | 1 | ||||
| ? | HA7341 | HOSE (SUCTION) | 1 | ||||
| ? | HA7688 | HOSE (UNLOADER FEEDBACK) | 1 | ||||
| ? | WB0574 | FITTING, STRAIGHT | 1 | ||||
| ? | VH6718 | CLAMP, SPLIT FLANGE - 2 1/2" | 2 | ||||
| ? | WA0232 | O-RING | 1 | ||||
| ? | WB0520 | FITTING, ELBOW - 90 DEG | 1 | ||||
| ? | C1631 | CAPSCREW - 5/8" - 11NC X 2 1/4" | 4 | ||||
| ? | C1541 | LOCKWASHER - 5/8" | 4 | ||||
| ? | WA5629 | CLAMP, SPLIT FLANGE - 1 1/2" | 2 | ||||
| ? | VG9095 | O-RING | 1 |