k-part
Номер на схеме Каталожный номер Название Количество Детали
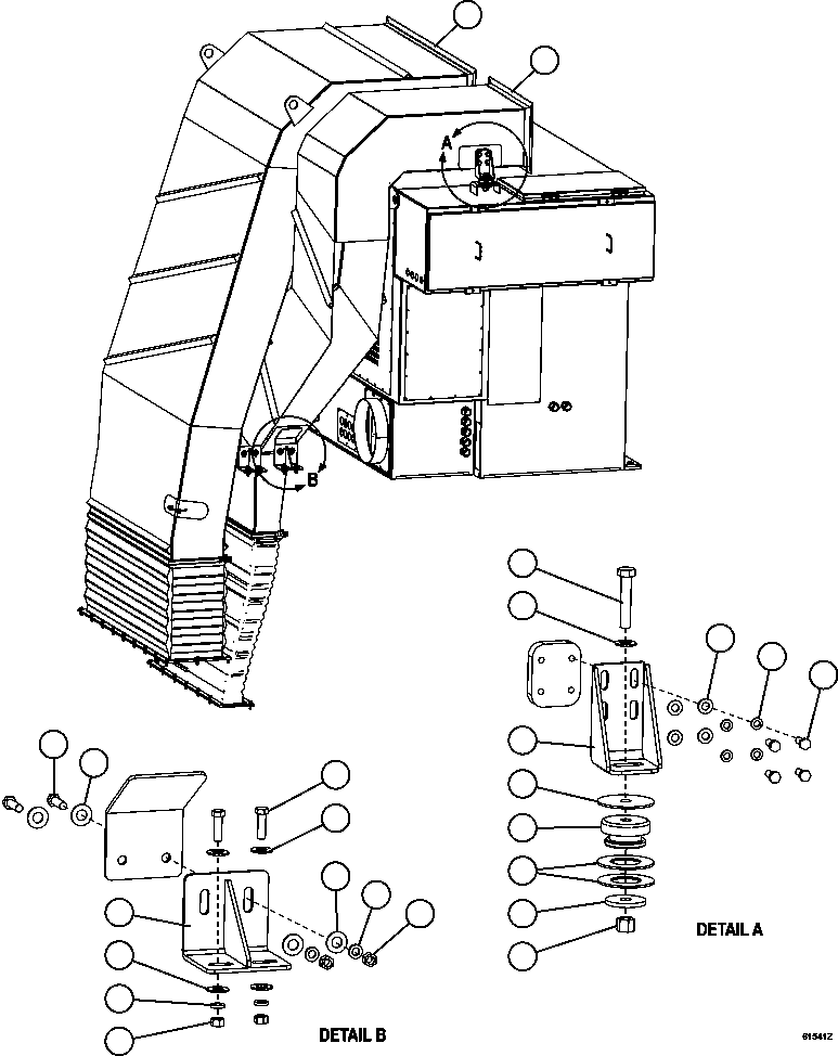
? XB0995 DUCT, WHEEL MOTOR BLOWER 1
? EL8938 • SCREEN, INTAKE (1) 1
? XB5110 DUCT, ALTERNATOR BLOWER 1
? EL8944 • SCREEN, INTAKE (1) 1
? C1636 CAPSCREW - 5/8" - 11NC X 3 1/2" 4
? WA4729 FLAT WASHER - 5/8" (HARDENED) 4
? EL3792 BRACKET, MOUNTING 4
? EK7045 WASHER 4
? WA2591 MOUNT, RUBBER 4
? EK7044 WASHER 8
? WA4719 WASHER 4
? TG9226 LOCKNUT - 5/8" - 11NC 4
? MM0605 CAPSCREW - M10 X 1.50 X 25 16
? MM0471 LOCKWASHER - M10 16
? WA4727 FLAT WASHER - 7/16" (HARDENED) 16
? EJ9295 BRACKET, MOUNTING 4
? MM0620 CAPSCREW - M12 X 1.75 X 40 16
? WA4729 FLAT WASHER - 5/8" (HARDENED) 32
? MM0472 LOCKWASHER - M12 16
? MM0179 NUT - M12 X 1.75 16
? NOTE: (1) WELD-ON COMPONENT.

Dump Trucks Komatsu / AFE62-Y 930E-4SE S/N A31105 & A31107    COLLAHUASI(AFE62-Y) / BLOWER INLET DUCT INSTALLATION(266 : 61541)
?
?
?
?
?
?
?
?
?
?
?
?
?
?
?
?
?
?
?
?
?
?
?
?