k-part
Номер на схеме Каталожный номер Название Количество Детали
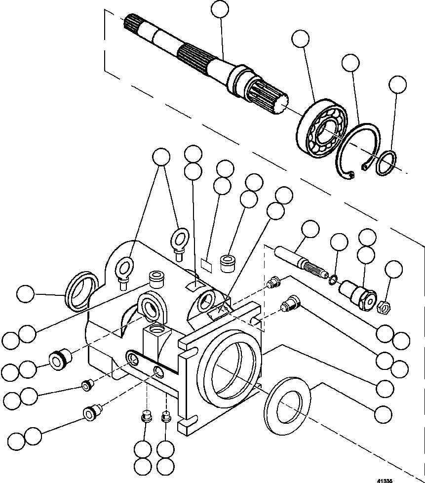
? VE9566 DRIVE SHAFT W/ SPLINE 1
? VE9568 BEARING 1
? VE9570 RING, RETAINING 1
? VE9569 RING, RETAINING 1
? VE9535 EYE BOLT 2
? VE9545 NAME PLATE 1
? VE9544 DRIVE SCREW 8
? VE9542 NAME PLATE 1
? VE9538 PLUG 3
? VE9540 O-RING (1) 3
? VE9543 NAME PLATE 1
? VE9597 STEM 1
? VE9598 SEAL, O-RING (1) 1
? VE9595 GLAND 1
? VE9541 SEAL, O-RING (1) 2
? BF3733 JAM NUT 1
? VE9534 BEARING, RETAINER PIN 2
? VE9546 SEAL, O-RING (1) 3
? VE9562 PIN, SWASH BLOCK 2
? VE9530 HOUSING, PUMP 1
? VE9567 RETAINER, SEAL 1
? BF0293 O-RING (1) 2
? VE9536 PLUG 1
? VE9532 SEAL, SHAFT (1) 1
? VE9607 PLUG, HOLLOW HEX 1
? BF1369 NOTE: (1) INCLUDED IN BF1369 HOUSING KIT.

Dump Trucks Komatsu / AFE65-C 860E-1KT S/N A30016 - A30030  KUMBA SISHEN(AFE65-C) / STEERING PUMP HOUSING (FRONT)     PC2828(448 : 41335)
?
?
?
?
?
?
?
?
?
?
?
?
?
?
?
?
?
?
?
?
?
?
?
?
?
?
?
?
?
?
?
?
?
?
?
?
?