| Номер на схеме | Каталожный номер | Название | Количество | Детали | |||
|---|---|---|---|---|---|---|---|
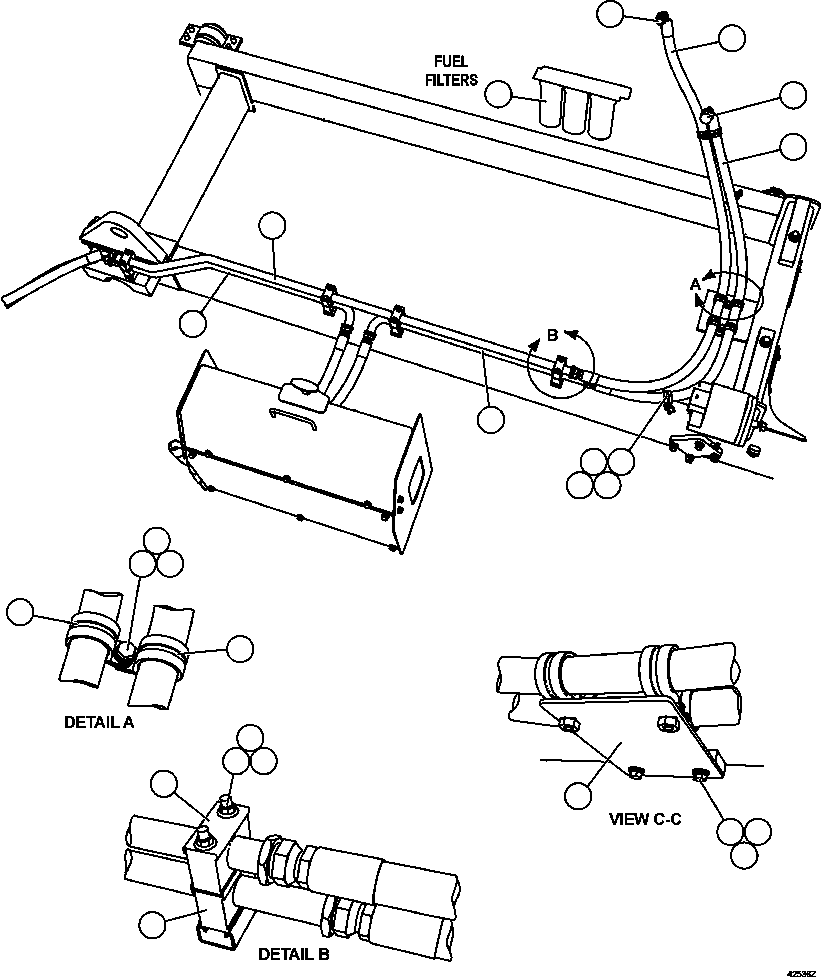
| ? | PC2030 | ADAPTER | 2 | ||||
| ? | HA8480 | HOSE (RETURN) | 1 | ||||
| ? | HA0259 | HOSE (SUPPLY) | 1 | ||||
| ? | EM7223 | TUBE | 1 | ||||
| ? | EL8902 | PLATE, MOUNTING | 1 | ||||
| ? | TC1234 | CAPSCREW - 3/8" - 16NC X 3/4" | 2 | ||||
| ? | TC1231 | LOCKWASHER - 3/8" | 2 | ||||
| ? | TR4436 | FLAT WASHER - 3/8" | 2 | ||||
| ? | WA4709 | CLAMP, HYDRA ZORB - 1 1/4" | 8 | ||||
| ? | EL9250 | THREADED ROD - 5/16" - 18NC | 8 | ||||
| ? | WB1305 | CLAMP, CUSHION - 1 1/2" | 7 | ||||
| ? | MM0047 | CAPSCREW - M10 X 1.50 X 30 | 2 | ||||
| ? | MM0471 | LOCKWASHER - M10 | 2 | ||||
| ? | MM0461 | FLAT WASHER - M10 | 2 | ||||
| ? | EM7222 | TUBE | 1 | ||||
| ? | EL9937 | TUBE | 1 | ||||
| ? | XA4487 | ELEMENT, FUEL FILTER | 3 | ||||
| ? | C1538 | LOCKWASHER - 5/16" | 8 | ||||
| ? | C1520 | NUT - 5/16" - 18NC | 8 |