| Номер на схеме | Каталожный номер | Название | Количество | Детали | |||
|---|---|---|---|---|---|---|---|
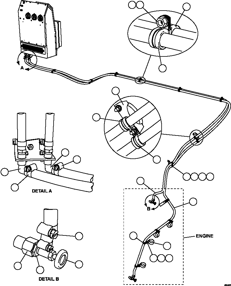
| ? | MM0461 | FLAT WASHER - M10 | 18 | ||||
| ? | MM0178 | NUT - M10 X 1.50 | 11 | ||||
| ? | WB3092 | CLAMP, CUSHIONED - 7/8" | 23 | ||||
| ? | KC1255 | CLAMP | 1 | ||||
| ? | TV2642 | FITTING, ELBOW | 2 | ||||
| ? | HC0908 | CLAMP, WORM DRIVE | 2 | ||||
| ? | EL0129 | HOSE, HEATER (SUPPLY) | 1 | ||||
| ? | XB0439 | HOSE, HEATER (RETURN) | 1 | ||||
| ? | VC7674 | CLAMP - 2 7/16" | 5 | ||||
| ? | MM0604 | CAPSCREW - M10 X 1.50 X 20 | 6 | ||||
| ? | MM0036 | CAPSCREW - M10 X 1.50 X 20 | 1 | ||||
| ? | XB0432 | BRACKET | 1 | ||||
| ? | VN6280 | VALVE, SHUTOFF | 1 | ||||
| ? | WB1192 | ADAPTER | 1 | ||||
| ? | SD5209 | BUSHING, PIPE - 3/4" X 5/8" | 1 |