| Номер на схеме | Каталожный номер | Название | Количество | Детали | |||
|---|---|---|---|---|---|---|---|
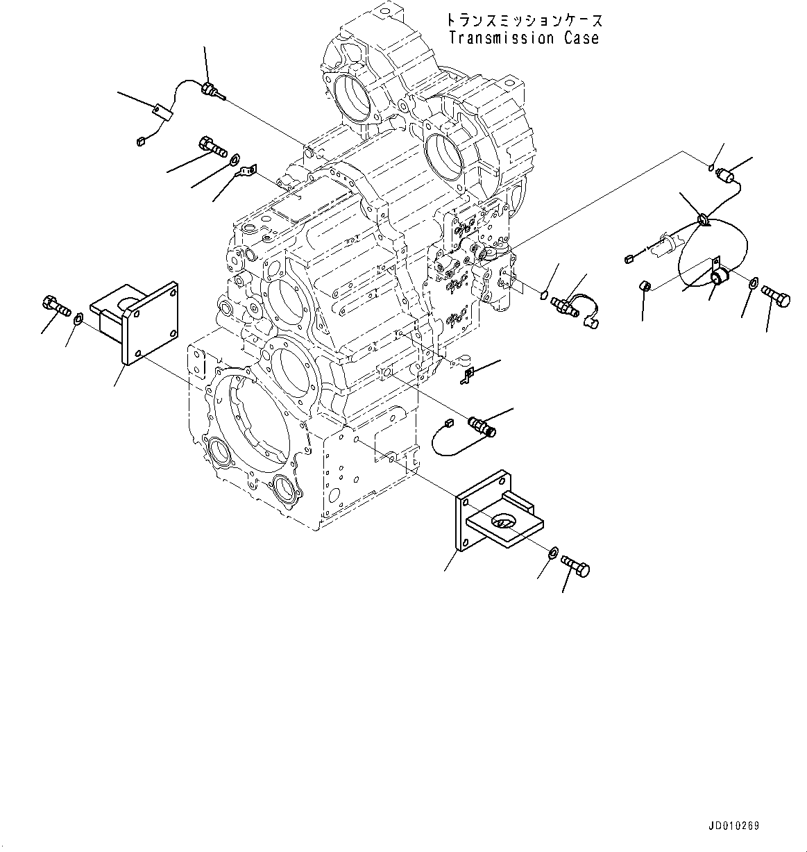
| ? | 423-01-41150 | Bracket | 2 | SN: 66847- KIT-FLAG: _- SCC: SERIALNO: 66847- |
|||
| ? | 01010-61650 | Bolt | 8 | SN: 66847- KIT-FLAG: _- SCC: SERIALNO: 66847- |
|||
| ? | 01643-31645 | Washer | 8 | SN: 66847- KIT-FLAG: _- SCC: SERIALNO: 66847- |
|||
| ? | 7861-93-3320 | Sensor, Temperature, Torque Converter Outlet Oil | 1 | SN: 66847- KIT-FLAG: _- SCC: SERIALNO: 66847- |
|||
| ? | 08193-21012 | Clip | 1 | SN: 66847- KIT-FLAG: _- SCC: SERIALNO: 66847- |
|||
| ? | 01010-81020 | Bolt | 1 | SN: 66847- KIT-FLAG: _- SCC: SERIALNO: 66847- |
|||
| ? | 01643-31032 | Washer | 1 | SN: 66847- KIT-FLAG: _- SCC: SERIALNO: 66847- |
|||
| ? | 08193-21012 | Clip | 1 | SN: 66847- KIT-FLAG: _- SCC: SERIALNO: 66847- |
|||
| ? | 799-101-5220 | Nipple | 2 | SN: 66847- KIT-FLAG: _- SCC: SERIALNO: 66847- |
|||
| ? | 07002-61023 | O-ring | 2 | SN: 66847- KIT-FLAG: _- SCC: SERIALNO: 66847- |
|||
| ? | 04434-51710 | Clip | 1 | SN: 66847- KIT-FLAG: _- SCC: SERIALNO: 66847- |
|||
| ? | 07095-20211 | Cushion | 1 | SN: 66847- KIT-FLAG: _- SCC: SERIALNO: 66847- |
|||
| ? | 01010-81035 | Bolt | 1 | SN: 66847- KIT-FLAG: _- SCC: SERIALNO: 66847- |
|||
| ? | 01643-31032 | Washer | 1 | SN: 66847- KIT-FLAG: _- SCC: SERIALNO: 66847- |
|||
| ? | 195-01-14540 | Collar | 1 | SN: 66847- KIT-FLAG: _- SCC: SERIALNO: 66847- |
|||
| ? | 423-43-31760 | Switch, Pressure, Parking Brake Indicator | 1 | SN: 67544- KIT-FLAG: _- SCC: SERIALNO: 67544- |
|||
| ? | 418-43-37681 | Switch, Pressure, Parking Brake Indicator | 1 | SN: 66847-67543 KIT-FLAG: _- SCC: A2 SERIALNO: 66847-67543 |
|||
| ? | 07002-61423 | O-ring, (Kit : K01) | 1 | SN: 66847- KIT-FLAG: _- SCC: SERIALNO: 66847- |
|||
| ? | 600-051-2050 | Clip | 1 | SN: 66847- KIT-FLAG: _- SCC: SERIALNO: 66847- |
|||
| ? | 7861-93-2330 | Sensor, Magnetic Pick-Up | 1 | SN: 66847- KIT-FLAG: _- SCC: SERIALNO: 66847- |
|||
| ? | 08034-20519 | Band | 1 | SN: 66847- KIT-FLAG: _- SCC: SERIALNO: 66847- |