k-part
Номер на схеме Каталожный номер Название Количество Детали
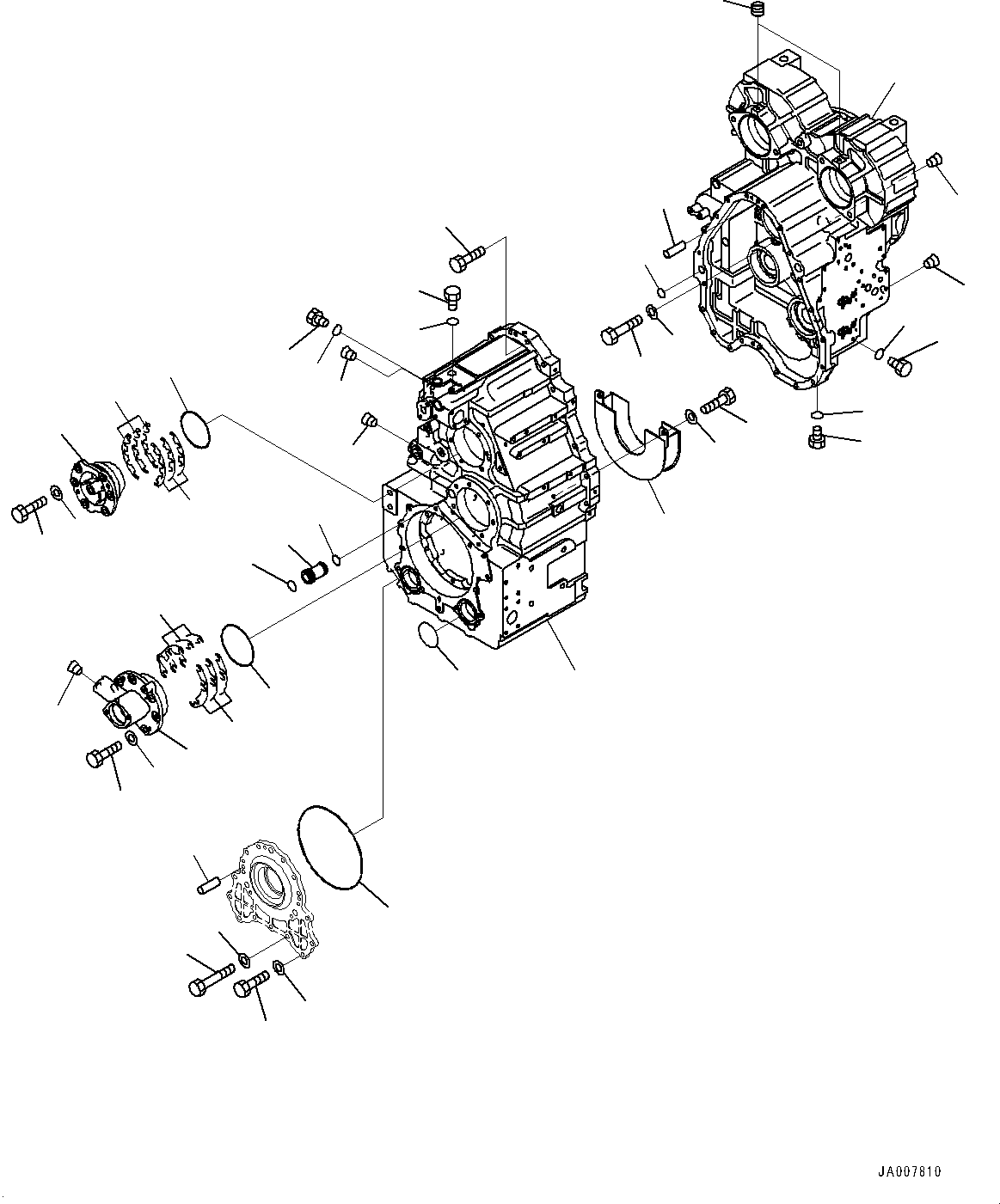
? 714-12-30020 Transmission Assembly 1
SN: 66847-
KIT-FLAG: _-
SCC:
SERIALNO: 66847-
? 714-12-31113 • Case 1
SN: 66847-
KIT-FLAG: _-
SCC:
SERIALNO: 66847-
? • • Case 1
SN: 66847-
KIT-FLAG: _-
SCC: C1
SERIALNO: 66847-
? 07040-11007 • • Plug 1
SN: 66847-
KIT-FLAG: _-
SCC:
SERIALNO: 66847-
? 07002-61023 • • O-ring, (Kit : K01) 1
SN: 66847-
KIT-FLAG: _-
SCC:
SERIALNO: 66847-
? 07043-70415 • • Plug 2
SN: 66847-
KIT-FLAG: _-
SCC:
SERIALNO: 66847-
? 07043-70617 • • Plug 3
SN: 66847-
KIT-FLAG: _-
SCC:
SERIALNO: 66847-
? 07040-12412 • • Plug 1
SN: 66847-
KIT-FLAG: _-
SCC:
SERIALNO: 66847-
? 07002-62434 • • O-ring, (Kit : K01) 1
SN: 66847-
KIT-FLAG: _-
SCC:
SERIALNO: 66847-
? 714-12-31123 • Case 1
SN: 66847-
KIT-FLAG: _-
SCC:
SERIALNO: 66847-
? • • Case 1
SN: 66847-
KIT-FLAG: _-
SCC: C1
SERIALNO: 66847-
? 07043-70108 • • Plug, Taper 2
SN: 66847-
KIT-FLAG: _-
SCC:
SERIALNO: 66847-
? 07043-70617 • • Plug 9
SN: 66847-
KIT-FLAG: _-
SCC:
SERIALNO: 66847-
? 07040-11409 • • Plug 2
SN: 66847-
KIT-FLAG: _-
SCC:
SERIALNO: 66847-
? 07002-61423 • • O-ring, (Kit : K01) 2
SN: 66847-
KIT-FLAG: _-
SCC:
SERIALNO: 66847-
? 07040-11612 • • Plug 3
SN: 66847-
KIT-FLAG: _-
SCC:
SERIALNO: 66847-
? 07002-61623 • • O-ring, (Kit : K01) 3
SN: 66847-
KIT-FLAG: _-
SCC:
SERIALNO: 66847-
? 714-12-32960 • • Plug 2
SN: 66847-
KIT-FLAG: _-
SCC:
SERIALNO: 66847-
? 04020-01228 • Pin, Dowel 2
SN: 66847-
KIT-FLAG: _-
SCC:
SERIALNO: 66847-
? 01010-81260 • Bolt 21
SN: 66847-
KIT-FLAG: _-
SCC:
SERIALNO: 66847-
? 01011-81215 • Bolt 6
SN: 66847-
KIT-FLAG: _-
SCC:
SERIALNO: 66847-
? 01643-31232 • Washer 6
SN: 66847-
KIT-FLAG: _-
SCC:
SERIALNO: 66847-
? 07000-75270 • O-ring, (Kit : K01) 1
SN: 66847-
KIT-FLAG: _-
SCC:
SERIALNO: 66847-
? 01010-81235 • Bolt 8
SN: 66847-
KIT-FLAG: _-
SCC:
SERIALNO: 66847-
? 01643-31232 • Washer 8
SN: 66847-
KIT-FLAG: _-
SCC:
SERIALNO: 66847-
? 07000-72080 • O-ring, (Kit : K01) 2
SN: 66847-
KIT-FLAG: _-
SCC:
SERIALNO: 66847-
? 01011-81230 • Bolt 7
SN: 66847-
KIT-FLAG: _-
SCC:
SERIALNO: 66847-
? 01643-31232 • Washer 7
SN: 66847-
KIT-FLAG: _-
SCC:
SERIALNO: 66847-
? 04020-01228 • Pin, Dowel 2
SN: 66847-
KIT-FLAG: _-
SCC:
SERIALNO: 66847-
? 714-12-38141 • Cage 1
SN: 66847-
KIT-FLAG: _-
SCC:
SERIALNO: 66847-
? 714-12-38162 • Sleeve 1
SN: 66847-
KIT-FLAG: _-
SCC:
SERIALNO: 66847-
? 07000-73022 • O-ring, (Kit : K01) 1
SN: 66847-
KIT-FLAG: _-
SCC:
SERIALNO: 66847-
? 07000-72021 • O-ring, (Kit : K01) 1
SN: 66847-
KIT-FLAG: _-
SCC:
SERIALNO: 66847-
? 07043-70415 • Plug 1
SN: 66847-
KIT-FLAG: _-
SCC:
SERIALNO: 66847-
? 714-07-00010 • Shim Assembly, (Kit : K01) 1
SN: 66847-
KIT-FLAG: _-
SCC:
SERIALNO: 66847-
? • • Shim, T=0.05mm 3
SN: 66847-
KIT-FLAG: _-
SCC: C1
SERIALNO: 66847-
? • • Shim, T=0.5mm 3
SN: 66847-
KIT-FLAG: _-
SCC: C1
SERIALNO: 66847-
? • • Shim, T=0.2mm 2
SN: 66847-
KIT-FLAG: _-
SCC: C1
SERIALNO: 66847-
? • • Shim, T=0.05mm 3
SN: 66847-
KIT-FLAG: _-
SCC: C1
SERIALNO: 66847-
? • • Shim, T=0.2mm 2
SN: 66847-
KIT-FLAG: _-
SCC: C1
SERIALNO: 66847-
? • • Shim, T=0.5mm 3
SN: 66847-
KIT-FLAG: _-
SCC: C1
SERIALNO: 66847-
? 07000-72135 • O-ring, (Kit : K01) 1
SN: 66847-
KIT-FLAG: _-
SCC:
SERIALNO: 66847-
? 01010-81235 • Bolt 6
SN: 66847-
KIT-FLAG: _-
SCC:
SERIALNO: 66847-
? 01643-31232 • Washer 6
SN: 66847-
KIT-FLAG: _-
SCC:
SERIALNO: 66847-
? 714-12-34913 • Plate 1
SN: 66847-
KIT-FLAG: _-
SCC:
SERIALNO: 66847-
? 01010-81225 • Bolt 2
SN: 66847-
KIT-FLAG: _-
SCC:
SERIALNO: 66847-
? 01643-31232 • Washer 2
SN: 66847-
KIT-FLAG: _-
SCC:
SERIALNO: 66847-
? 07000-73030 • O-ring, (Kit : K01) 1
SN: 66847-
KIT-FLAG: _-
SCC:
SERIALNO: 66847-
? 714-12-38152 • Cage 1
SN: 66847-
KIT-FLAG: _-
SCC:
SERIALNO: 66847-
? 714-12-00020 • Shim Assembly, (Kit : K01) 1
SN: 66847-
KIT-FLAG: _-
SCC:
SERIALNO: 66847-
? • • Shim, T=0.05mm 6
SN: 66847-
KIT-FLAG: _-
SCC: C1
SERIALNO: 66847-
? • • Shim, T=0.5mm 6
SN: 66847-
KIT-FLAG: _-
SCC: C1
SERIALNO: 66847-
? • • Shim, T=0.2mm 4
SN: 66847-
KIT-FLAG: _-
SCC: C1
SERIALNO: 66847-
? 07000-75120 • O-ring, (Kit : K01) 1
SN: 66847-
KIT-FLAG: _-
SCC:
SERIALNO: 66847-
? 01010-81235 • Bolt 6
SN: 66847-
KIT-FLAG: _-
SCC:
SERIALNO: 66847-
? 01643-31232 • Washer 6
SN: 66847-
KIT-FLAG: _-
SCC:
SERIALNO: 66847-

Wheel Loaders Komatsu / WA380Z-6 S/N 66847-UP(0000638C) / Torque Converter and Transmission, Transmission Case (#66847-)(F002001 : F4300-001001)
?
?
?
?
?
?
?
?
?
?
?
?
?
?
?
?
?
?
?
?
?
?
?
?
?
?
?
?
?
?
?
?
?
?
?
?
?
?
?
?
?
?
?
?
?
?