k-part
Номер на схеме Каталожный номер Название Количество Детали
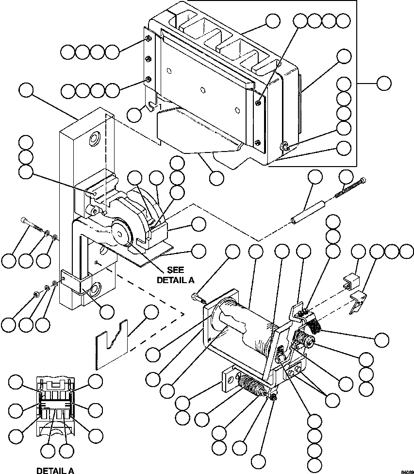
? VS8925 MAGNET, FRAME 1
? VS8908 CORE 1
? GE0349 FRAME, SPRING BRACKET 1
? VJ9134 CAPSCREW W/LOCKWASHER - 3/8" - 16NC X 3/4" 2
? VE5759 SPRING W/PLUG 1
? VE5771 LOCKWASHER - #10 (EXTERNAL TOOTH) 1
? VE4602 NUT - #10 - 32NF 1
? BF1890 ARMATURE ASSEMBLY 1
? VS9034 MACHINE SCREW - #10 - 32NF X 2 7/16" 1
? VS9209 SCREW W/LOCKWASHER - #10 - 32NF X 1/2" 2
? VS9172 PIN 1
? VS6881 WASHER - 5/16" (BRASS) 2
? VS9171 CLAMP 2
? VJ2551 CAPSCREW W/LOCKWASHER - 5/16" - 18NC X 5/8" 2
? VS8285 CONTACT ARM 1
? VE5761 COTTER PIN 1
? VS9175 SEAT, SPRING 1
? VM0253 SPRING 1
? VM0275 SHUNT 1
? DC3584 LOCKWASHER - 1/4" 3
? VE4347 NUT - 1/4" 3
? VM0217 HORN, ARC CHUTE 1
? VM0229 HORN, ARCING 2
? VJ7860 CAPSCREW - 5/16" - 18NC X 1 1/4" 4
? VE4696 LOCKWASHER - 5/16" 8
? AK1960 WASHER - 5/16" (NARROW) 8
? VE1183 TIP, CONTACT 2
? VE0252 WASHER, SPRING 1
? XA4234 COIL, OPERATING 1
? VS9212 CAPSCREW W/LOCKWASHER - 3/8" - 16NC X 1 1/4" 1
? VE3288 PLATE, LOCKING 1
? VS7830 SPACER 1
? XA4232 CAPSCREW - 1/4" - 20NC X 3 3/4" 1
? VS7132 INSULATION 1
? VE5885 SUPPORT, BLOW OUT COIL 1
? BF1893 SUPPORT 1
? GE0648 CAPSCREW - 5/16" - 18NC X 2 1/4" 2
? XA4231 CAPSCREW - 5/16" - 18NC X 2 1/8" 2
? VE7202 WASHER - 1/4" (NARROW) 1
? VJ8979 CLAMP 1
? VE2248 SHIM 2
? VJ0846 ARC CHUTE ASSEMBLY 1
? VJ8966 • ARC CHUTE - LH SIDE 1
? BF1894 • CAPSCREW - 1/4" - 20NC X 1 1/4" 1
? XA4233 • FLAT WASHER - 1/4" 2
? DC3584 • LOCKWASHER - 1/4" 6
? TD1549 • NUT - 1/4" - 20NC 6
? VE5778 • PIECE, POLE 1
? BF1895 • CAPSCREW - 1/4" - 20NC X 3 1/4" 5
? VS6696 • BUSHING 4
? VJ8965 • ARC CHUTE - RH SIDE 1
? VE7202 • WASHER - 1/4" (NARROW) 2
? VS6695 • BUSHING 4
? VS6697 • SUPPORT 2
? VE1076 • PIECE, POLE 1
? VJ8710 INSULATION FLANGE 2
? BF0705 CAPSCREW - #10 - 32NC X 1/2" 2
? BF1891 CORE FLANGE 2
? BF1892 CORE 1
? BF1896 INSULATION TUBE 1

Dump Trucks Komatsu / AFE69-C 730E-8 S/N A40009 - A40013  WESTMORELAND COAL(AFE69-C) / CONTACTOR - GF & GFR    VE1317(668 : 64069)
?
?
?
?
?
?
?
?
?
?
?
?
?
?
?
?
?
?
?
?
?
?
?
?
?
?
?
?
?
?
?
?
?
?
?
?
?
?
?
?
?
?
?
?
?
?
?
?
?
?
?
?
?
?
?
?
?
?
?
?
?
?
?
?
?
?
?
?
?
?
?
?
?
?
?
?
?
?
?
?
?
?