| Номер на схеме | Каталожный номер | Название | Количество | Детали | |||
|---|---|---|---|---|---|---|---|
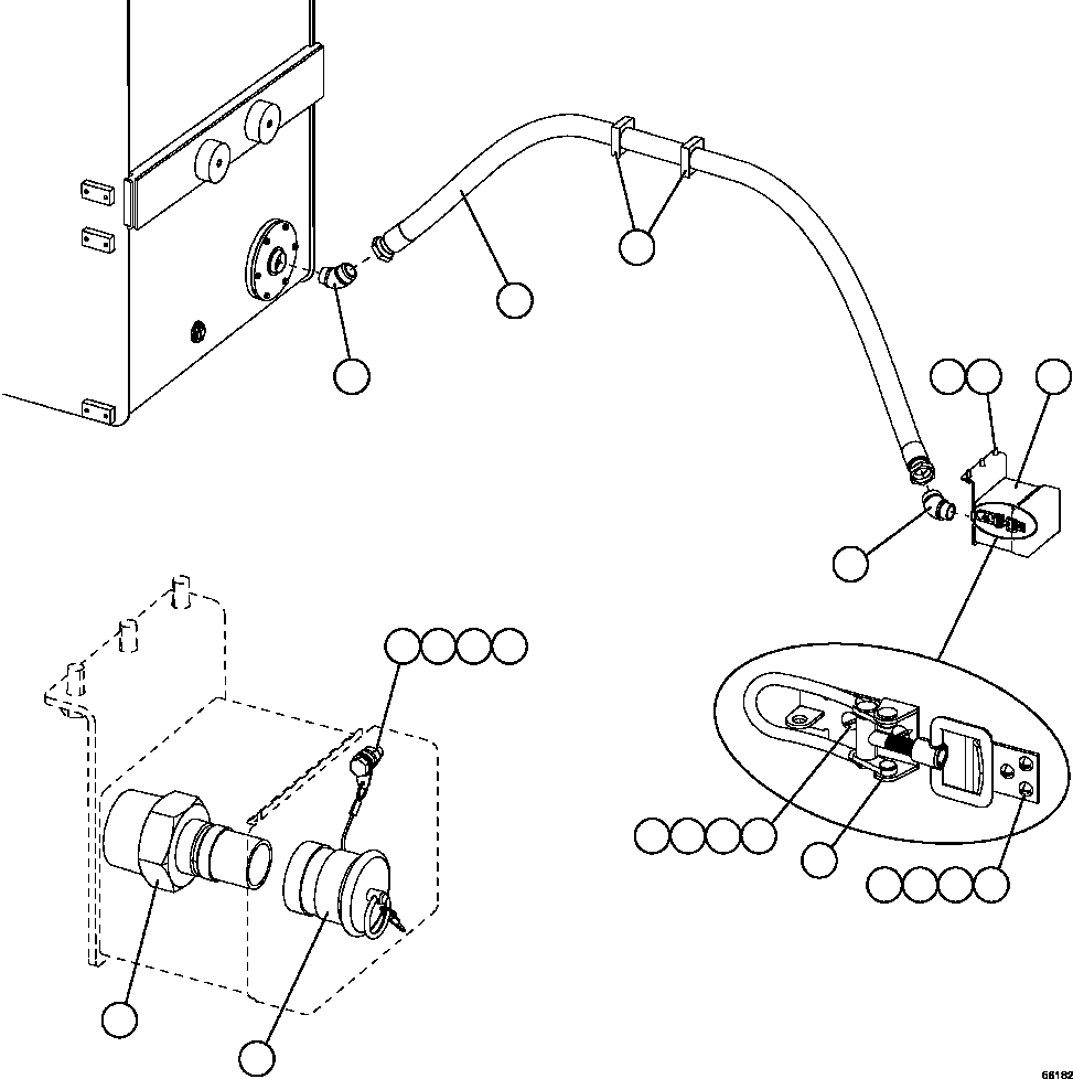
| ? | WB0303 | FITTING, ELBOW - 45 DEG | 2 | ||||
| ? | HA4414 | HOSE | 1 | ||||
| ? | WB1197 | CLAMP, HEAVY DUTY | 2 | ||||
| ? | XB8518 | BOX, FUELING | 1 | ||||
| ? | TR1376 | CAPSCREW - 1/2" - 13NC X 1 1/4" | 3 | ||||
| ? | TR5445 | LOCKWASHER - 1/2" | 3 | ||||
| ? | PC3115 | DRAW LATCH, ADJUSTABLE | 1 | ||||
| ? | TF6246 | MACHINE SCREW - #8 - 32NC X 5/8" | 3 | ||||
| ? | TF6248 | FLAT WASHER - #8 | 3 | ||||
| ? | VM9910 | LOCKWASHER - #8 | 3 | ||||
| ? | TV2179 | NUT - #8 - 32NC | 3 | ||||
| ? | SR6528 | MACHINE SCREW - #12 - 24NC X 3/4" | 2 | ||||
| ? | DF3445 | FLAT WASHER - #12 | 2 | ||||
| ? | VD2047 | LOCKWASHER - #12 | 2 | ||||
| ? | TR8580 | NUT - #12 - 24NC | 2 | ||||
| ? | PB2154 | RECEIVER ASSEMBLY | 1 | ||||
| ? | PB2020 | CAP ASSEMBLY | 1 | ||||
| ? | MM0594 | CAPSCREW - M8 X 1.25 X 25 | 1 | ||||
| ? | MM0460 | FLAT WASHER - M8 | 1 | ||||
| ? | MM0470 | LOCKWASHER - M8 | 1 | ||||
| ? | MM0177 | NUT - M8 X 1.25 | 1 |