| Номер на схеме | Каталожный номер | Название | Количество | Детали | |||
|---|---|---|---|---|---|---|---|
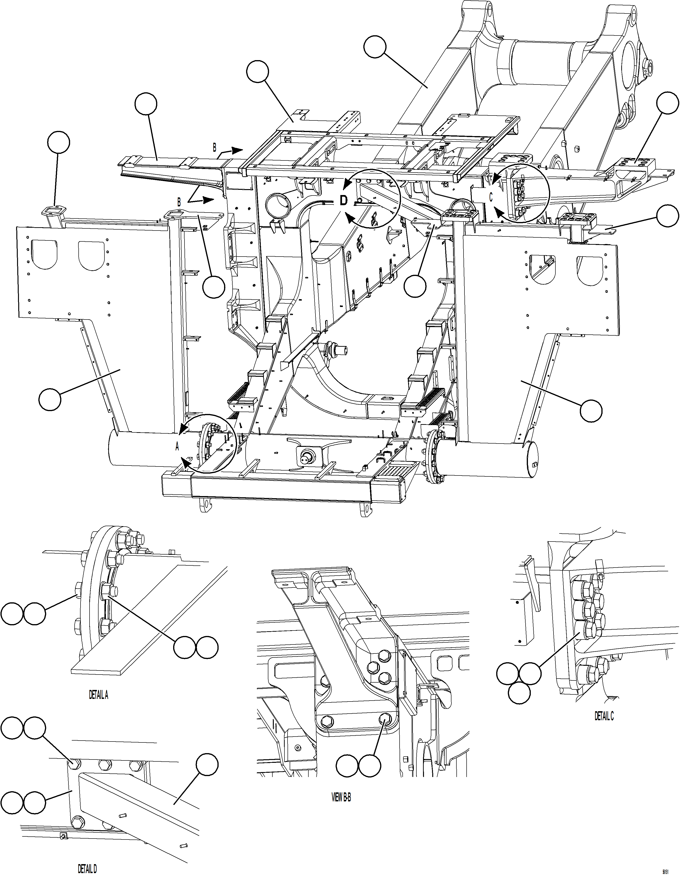
| ? | FRAME, MAIN (1) | 1 | |||||
| ? | UPRIGHT, RH (1) | 1 | |||||
| ? | UPRIGHT, LH (1) | 1 | |||||
| ? | MM0127 | CAPSCREW - M36 X 4.00 X 130 | 40 | ||||
| ? | MM0710 | FLAT WASHER - M36 (HARDENED) | 64 | ||||
| ? | MM0185 | NUT - M36 X 4.00 | 24 | ||||
| ? | 58D-46-00080 | DECK SUPPORT, RH | 1 | ||||
| ? | MM0087 | CAPSCREW - M24 X 3.00 X 80 | 8 | ||||
| ? | 01643-32460 | FLAT WASHER - M24 | 8 | ||||
| ? | XC4091 | DECK SUPPORT, LH | 1 | ||||
| ? | XB3950 | SPACER | 16 | ||||
| ? | TUBE, ROPS (1) | 1 | |||||
| ? | MOUNT PLATE (HORSECOLLAR) (1) | 1 | |||||
| ? | MOUNT PLATE (LH UPRIGHT) (1) | 1 | |||||
| ? | MM0058 | CAPSCREW - M24 X 3.00 X 60 | 12 | ||||
| ? | MM0708 | FLAT WASHER - M24 (HARDENED) | 12 | ||||
| ? | 58D-46-80401 | SUPPORT, CENTER DECK | 1 | ||||
| ? | EK9505 | MOUNT PLATE | 1 | ||||
| ? | XB6765 | MOUNT PLATE | 1 | ||||
| ? | XB6806 | MOUNT PLATE | 1 | ||||
| ? | XB6829 | MOUNT PLATE | 1 | ||||
| ? | NOTE: NS = NOT SHOWN | ||||||
| ? | WB3060 | NAME PLATE USA BUILD | 1 | ||||
| ? | WA3134 | DRIVE SCREW - #6 X .187 | 6 | ||||
| ? | NOTE: (1) ORDER FROM FACTORY. |