| Номер на схеме | Каталожный номер | Название | Количество | Детали | |||
|---|---|---|---|---|---|---|---|
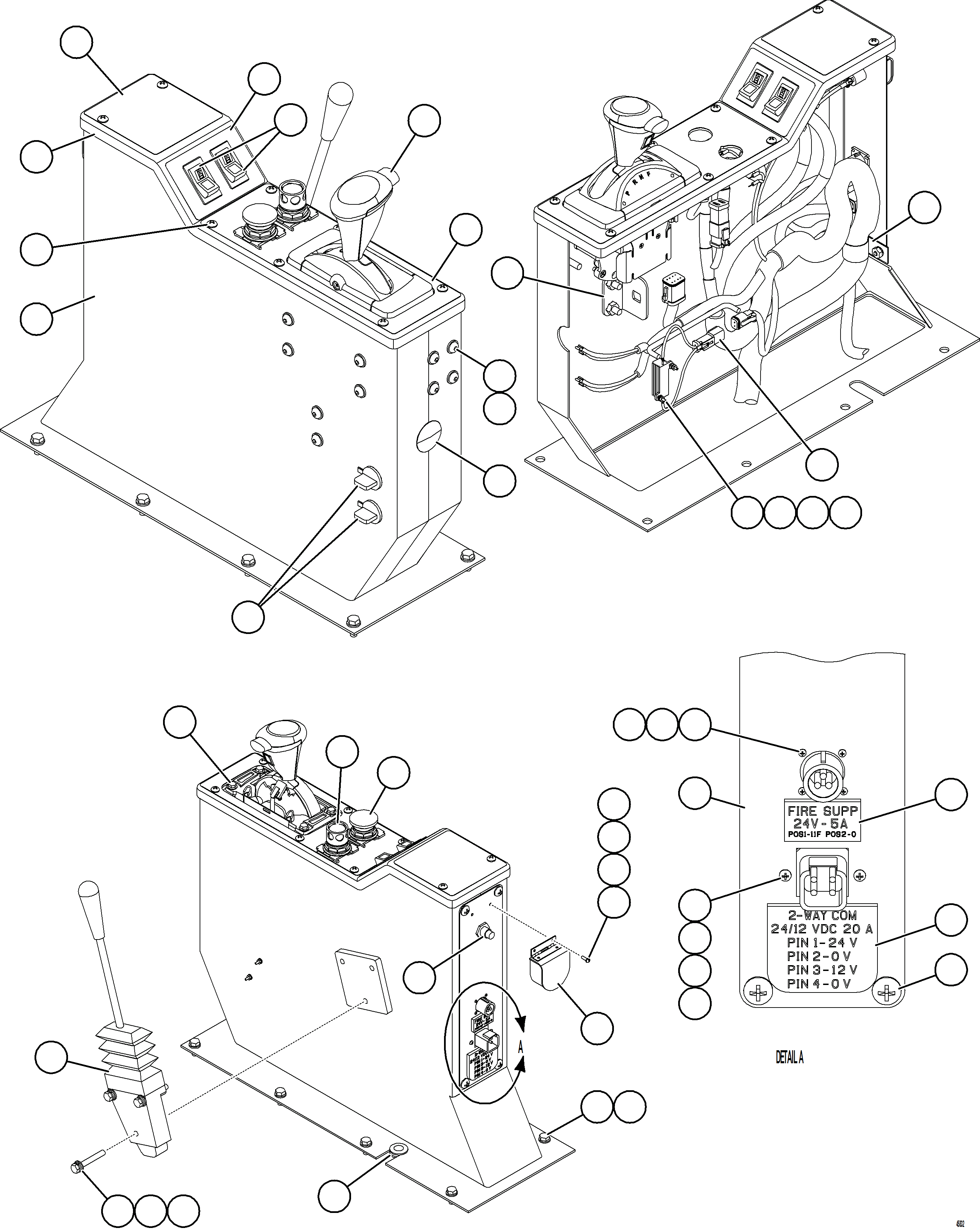
| ? | 58F-54-01140 | CONSOLE | 1 | ||||
| ? | 58D-54-00051 | COVER, CENTER CONSOLE (SHIFT CONSOLE) | 1 | ||||
| ? | EL2721 | • DECAL, SHIFT CONSOLE - FORWARD | 1 | ||||
| ? | EL2723 | • DECAL, SHIFT CONSOLE - MIDDLE | 1 | ||||
| ? | EL5711 | • DECAL, SHIFT CONSOLE - REAR | 1 | ||||
| ? | WA4605 | SCREW - #10 - 24NC X 1/2" | 8 | ||||
| ? | PC1374 | OUTLET, AUXILIARY POWER | 2 | ||||
| ? | SM0628 | COVER | 1 | ||||
| ? | HE2467 | MACHINE SCREW - #6 - 32NC X 1/2" | 2 | ||||
| ? | DF4944 | LOCKWASHER - #6 | 2 | ||||
| ? | HE5125 | FLAT WASHER - #6 | 2 | ||||
| ? | DD2468 | NUT - #6 - 32NC | 2 | ||||
| ? | PB6893 | VALVE, CONTROL | 1 | ||||
| ? | WA3597 | CAPSCREW - 5/16" - 18NC X 2 1/4" | 3 | ||||
| ? | SC4174 | LOCKWASHER - 5/16" | 3 | ||||
| ? | TV0177 | FLAT WASHER - 5/16" | 3 | ||||
| ? | WB3548 | NAME PLATE - FIRE SUPP | 1 | ||||
| ? | WB3549 | NAME PLATE - 2 WAY RADIO | 1 | ||||
| ? | 58E-09-01010 | FLAT WASHER - M8 | 10 | ||||
| ? | 58E-09-01000 | CAPSCREW - M8 X 1.25 X 25 | 10 | ||||
| ? | TF7982 | GROMMET, RUBBER | 1 | ||||
| ? | PB8624 | SWITCH, PUSH BUTTON (DATA STORE) | 1 | ||||
| ? | 58E-06-50080 | BUTTON, PUSH (OVERRIDE/FAULT RESET) | 1 | ||||
| ? | 58E-06-50070 | SWITCH, PUSH - PULL (ENGINE SHUTDOWN) | 1 | ||||
| ? | 58E-98-02320 | • KNOB, RED | 1 | ||||
| ? | PC2873 | LEVER, DIRECTIONAL CONTROL | 1 | ||||
| ? | 31127R1 | CAPSCREW - M6 X 1.00 X 12 (UNDER MOLDED COVER) | 4 | ||||
| ? | PC0490 | SWITCH, ROCKER (ELECTRIC WINDOW) | 2 | ||||
| ? | XB6618 | PLATE, DIAGNOSTIC | 1 | ||||
| ? | SM0926 | SCREW - M6 X 1.00 | 4 | ||||
| ? | VN2971 | PLUG, BUTTON - 1 1/2" | 1 | ||||
| ? | MM0712 | FLAT WASHER - M8 | 8 | ||||
| ? | MM0593 | CAPSCREW - M8 X 1.25 X 20 | 8 | ||||
| ? | EM5648 | RESISTOR | 1 | ||||
| ? | VG1621 | MACHINE SCREW - #4 - 40NC X 5/8" | 2 | ||||
| ? | VN9762 | FLAT WASHER - #4 | 2 | ||||
| ? | VD7129 | LOCKWASHER - #4 | 2 | ||||
| ? | VN9708 | NUT - #4 - 40NC | 2 | ||||
| ? | MM0344 | SCREW - M4 X 0.7 | 2 | ||||
| ? | MM0378 | LOCKWASHER - M4 (EXTERNAL TOOTH) | 2 | ||||
| ? | MM0205 | LOCKWASHER - M4 | 2 | ||||
| ? | MM0372 | NUT - M4 X 0.7 | 2 | ||||
| ? | MM0331 | MACHINE SCREW - M3 X 0.5 X 20 | 4 | ||||
| ? | MM0376 | LOCKWASHER - M3 (EXTERNAL TOOTH) | 4 | ||||
| ? | MM0370 | NUT - M3 X 0.5 | 4 | ||||
| ? | TR9441 | CLAMP, VINYL - 1 1/4" | 1 | ||||
| ? | 58E-54-23500 | BRACKET | 1 |