|
Номер на схеме |
Каталожный номер |
Название |
Количество |
Детали |
|
|
|
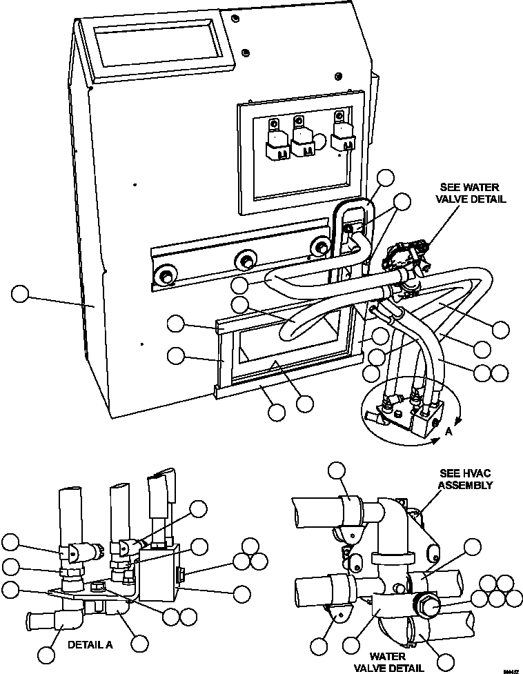
? |
SM6046 |
SEAL, TRIM EDGE |
1 |
|
|
|
|
? |
HC0908 |
CLAMP, WORM DRIVE |
8 |
|
|
|
|
? |
EB0256 |
HOSE, HEATER |
1 |
|
|
|
|
? |
VG2833 |
HOSE, HEATER |
2 |
|
|
|
|
? |
MM0026 |
CAPSCREW - M8 X 1.25 X 25 |
2 |
|
|
|
|
? |
MM0470 |
LOCKWASHER - M8 |
2 |
|
|
|
|
? |
TV2642 |
FITTING, ELBOW |
2 |
|
|
|
|
? |
SM2111 |
PLATE, JUNCTION |
1 |
|
|
|
|
? |
EC8894 |
SEAL, NEOPRENE |
2 |
|
|
|
|
? |
SM6047 |
SEAL, TRIM EDGE |
1 |
|
|
|
|
? |
EC8893 |
SEAL, NEOPRENE |
2 |
|
|
|
|
? |
TH0031 |
HOSE, HEATER |
1 |
|
|
|
|
? |
58F-07-00030 |
HEATER/AIR CONDITIONER ASSEMBLY (SEE INDEX) |
1 |
|
51010 |
|
|
? |
TG5601 |
CONNECTOR, HOSE |
2 |
|
|
|
|
? |
HA7190 |
HOSE |
1 |
|
|
|
|
? |
WA1733 |
O-RING |
1 |
|
|
|
|
? |
HA7601 |
HOSE |
1 |
|
|
|
|
? |
WA1731 |
O-RING |
1 |
|
|
|
|
? |
MM0057 |
CAPSCREW - M8 X 1.25 X 60 |
1 |
|
|
|
|
? |
MM0460 |
FLAT WASHER - M8 |
1 |
|
|
|
|
? |
SM2489 |
BLOCK, JUNCTION |
1 |
|
|
|
|
? |
TC1565 |
CLAMP, VINYL - 15/16" I.D. |
1 |
|
|
|
|
? |
MM0608 |
CAPSCREW - M10 X 1.50 X 40 |
1 |
|
|
|
|
? |
WA4759 |
FLAT WASHER - 7/16" |
2 |
|
|
|
|
? |
MM0471 |
LOCKWASHER - M10 |
1 |
|
|
|
|
? |
MM0178 |
NUT - M10 X 1.50 |
1 |
|
|
|
|
? |
MM0461 |
FLAT WASHER - M10 |
1 |
|
|
|