| Номер на схеме | Каталожный номер | Название | Количество | Детали | |||
|---|---|---|---|---|---|---|---|
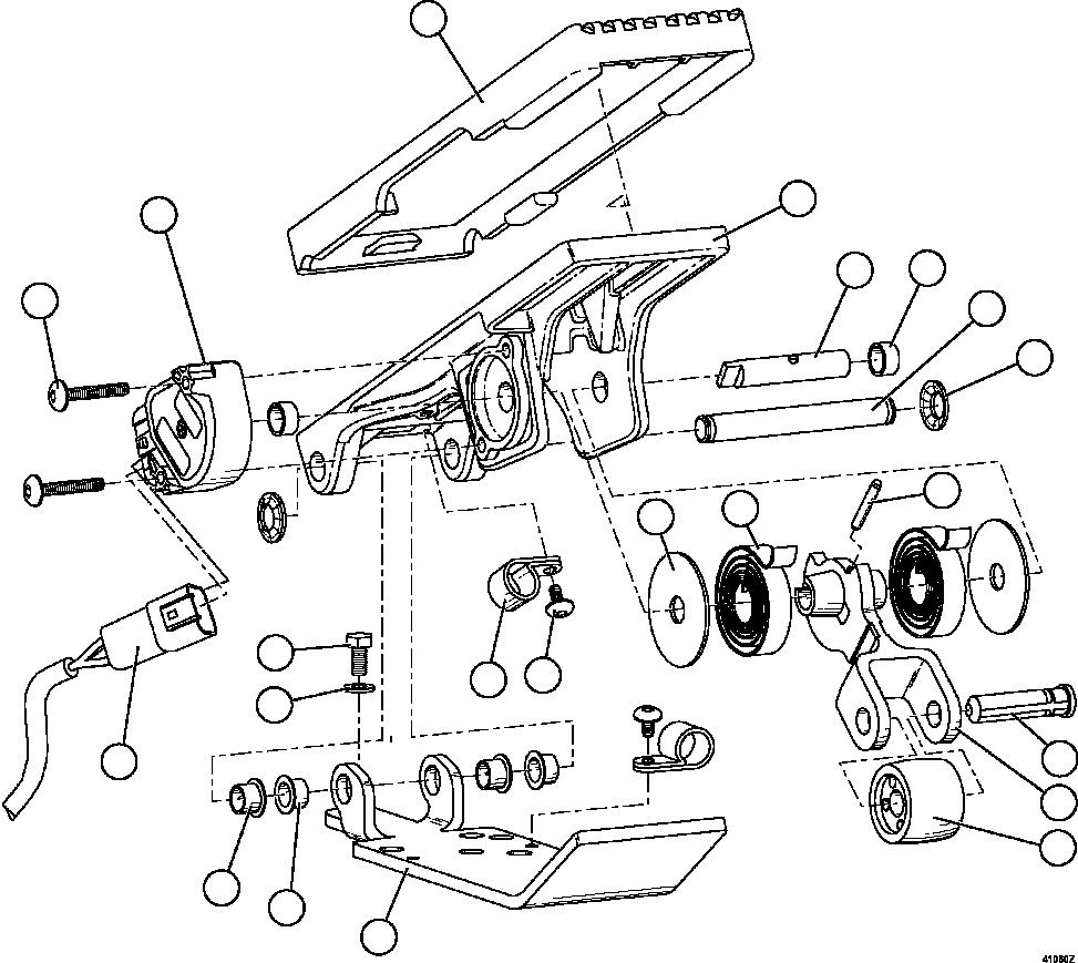
| ? | BF1493 | PEDAL (4) | 1 | ||||
| ? | VJ4023 | RING, RETAINING (1)/(2)/(4) | 3 | ||||
| ? | VE3517 | ROLLER (2)/(4) | 1 | ||||
| ? | BF1494 | LEVER, TREADLE (4) | 1 | ||||
| ? | VE7636 | HARNESS, WIRE (3)/(4) | 1 | ||||
| ? | VE7634 | CLAMP, WIRE (4) | 2 | ||||
| ? | VE4213 | SCREW, PAN HEAD (3)/(4) | 2 | ||||
| ? | MM0593 | CAPSCREW - M8 X 1.25 X 20 (6) | 4 | ||||
| ? | BF1495 | COVER | 1 | ||||
| ? | PIN, TREADLE (1)/(4)/(5) | 1 | |||||
| ? | VE3504 | BUSHING (1)/(4) | 2 | ||||
| ? | VE3510 | BUSHING (1)/(4) | 2 | ||||
| ? | SENSOR (4)/(5) | 1 | |||||
| ? | VE7551 | PIN (4) | 1 | ||||
| ? | 01643-30823 | FLAT WASHER - M8 (6) | 4 | ||||
| ? | SPRING (4)/(5) | 2 | |||||
| ? | BF1492 | SHAFT, SENSOR (4) | 1 | ||||
| ? | VE7557 | BUSHING (4) | 2 | ||||
| ? | BF1355 | PLATE, BASE | 1 | ||||
| ? | VE7638 | ROLLPIN (2)/(4) | 1 | ||||
| ? | VE7556 | WASHER, THRUST (OUTER) (4) | 2 | ||||
| ? | VE3522 | MACHINE SCREW (4) | 2 | ||||
| ? | VE7549 | NOTE: (1) INCLUDED IN VE7549 TREADLE PIN KIT. | |||||
| ? | VE7561 | (2) INCLUDED IN VE7561 ROLLER KIT. | |||||
| ? | BF1497 | (3) INCLUDED IN BF1497 SENSOR KIT. | |||||
| ? | BF1498 | (4) INCLUDED IN BF1498 UPPER SERVICE ASSM KIT. | |||||
| ? | (5) NOT SERVICED SEPARATELY. | ||||||
| ? | (6) NOT INCLUDED IN ASSEMBLY. |