k-part
Наименование Страница Код страницы
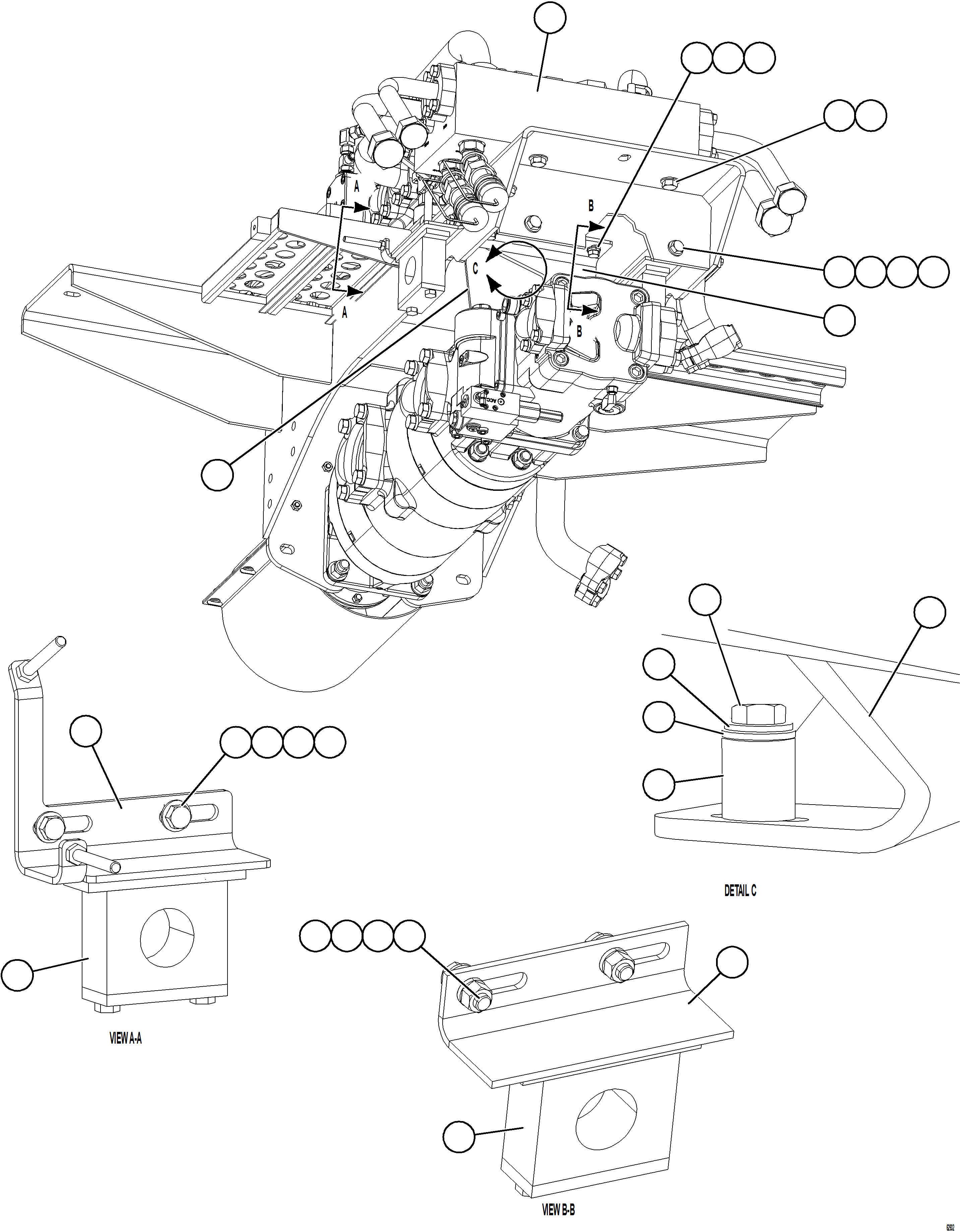
OVERCENTER MANIFOLD VALVE ASSM PC0522 486 55589

Номер на схеме Каталожный номер Название Количество Детали
? PC0522 OVERCENTER MANIFOLD VALVE (SEE INDEX) 1 55589
? MM0045 CAPSCREW - M12 X 1.75 X 40 2
? MM0472 LOCKWASHER - M12 2
? MM0714 FLAT WASHER - M12 (HARDENED) 2
? C7595 CAPSCREW - 5/8" - 11NC X 1 1/4" 4
? WA4729 FLAT WASHER - 5/8" (HARDENED) 8
? C1629 CAPSCREW - 5/8" - 11NC X 1 3/4" 2
? C1541 LOCKWASHER - 5/8" 2
? VN9952 LOCKNUT - 5/8" - 11NC 2
? EH8957 BRACKET 1
? EM7741 SPACER 2
? C1606 CAPSCREW - 3/8" - 16NC X 2" 2
? TC1231 LOCKWASHER - 3/8" 2
? WA0720 FLAT WASHER - 3/8" (HARDENED) 2
? 58F-60-00880 ANGLE 1
? C1614 CAPSCREW - 1/2" - 13NC X 1 1/2" 2
? WA4728 FLAT WASHER - 1/2" (HARDENED) 2
? C1523 NUT - 1/2" - 13NC 2
? WB0988 CLAMP, HEAVY DUTY 2
? 58F-60-40341 BRACKET 1
? 58B-60-50000 ANGLE 1
? C1540 LOCKWASHER - 1/2" 1
? NS NOTE: NS = NOT SHOWN
? WB0520 FITTING, ELBOW - 90 DEG 1

Dump Trucks Komatsu / AFE73-G 980E-4 S/N A40078 - A40079  ESCONDIDA(AFE73-G) / PUMP MODULE   3/3(476 : 62932)
?
?
?
?
?
?
?
?
?
?
?
?
?
?
?
?
?
?
?
?
?
?
?
?
?
?
?
?
?