| Номер на схеме | Каталожный номер | Название | Количество | Детали | |||
|---|---|---|---|---|---|---|---|
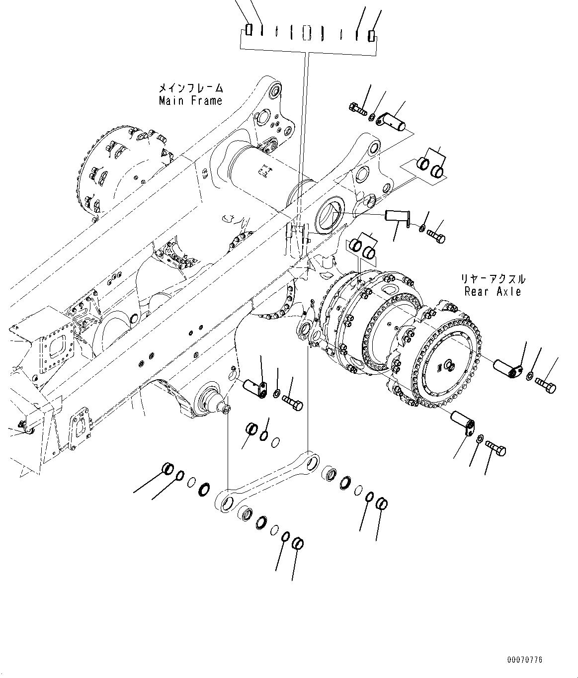
| ? | 561-22-700A7 | Axle Assembly | 1 | SN: 30671- KIT-FLAG: _- SCC: SERIALNO: 30671- |
|||
| ? | 561-22-700A6 | Axle Assembly | 1 | SN: 30629-30670 KIT-FLAG: _- SCC: SERIALNO: 30629-30670 |
|||
| ? | 561-22-700A5 | Axle Assembly | 1 | SN: 30629-30650 KIT-FLAG: _- SCC: B1 SERIALNO: (30629-30650) |
|||
| ? | 561-88-83612 | • Bracket | 1 | SN: 30629- KIT-FLAG: _- SCC: SERIALNO: 30629- |
|||
| ? | 01010-81230 | • Bolt | 2 | SN: 30001- KIT-FLAG: _- SCC: SERIALNO: 30001- |
|||
| ? | 01643-31232 | • Washer | 2 | SN: 30001- KIT-FLAG: _- SCC: SERIALNO: 30001- |
|||
| ? | 561-88-83680 | • Block | 1 | SN: 30629- KIT-FLAG: _- SCC: SERIALNO: 30629- |
|||
| ? | 01010-81025 | • Bolt | 2 | SN: 30629- KIT-FLAG: _- SCC: SERIALNO: 30629- |
|||
| ? | 01643-31032 | • Washer | 2 | SN: 30001- KIT-FLAG: _- SCC: SERIALNO: 30001- |
|||
| ? | 566-32-11430 | • Bleeder | 1 | SN: 30001- KIT-FLAG: _- SCC: SERIALNO: 30001- |
|||
| ? | 566-32-11620 | • Cap | 1 | SN: 30668- KIT-FLAG: _- SCC: SERIALNO: 30668- |
|||
| ? | 232-32-11350 | • Cap | 1 | SN: 30001-30667 KIT-FLAG: _- SCC: SERIALNO: 30001-30667 |
|||
| ? | 02781-00422 | • Union | 2 | SN: 30001- KIT-FLAG: _- SCC: SERIALNO: 30001- |
|||
| ? | 07002-22034 | • O-ring | 2 | SN: 30001- KIT-FLAG: _- SCC: SERIALNO: 30001- |
|||
| ? | 02896-21012 | • O-ring | 2 | SN: 30001- KIT-FLAG: _- SCC: SERIALNO: 30001- |
|||
| ? | 02782-10516 | • Elbow | 1 | SN: 30001- KIT-FLAG: _- SCC: SERIALNO: 30001- |
|||
| ? | 07002-22034 | • O-ring | 1 | SN: 30001- KIT-FLAG: _- SCC: SERIALNO: 30001- |
|||
| ? | 02896-21015 | • O-ring | 1 | SN: 30001- KIT-FLAG: _- SCC: SERIALNO: 30001- |
|||
| ? | 561-43-86191 | • Slack Adjuster | 1 | SN: 30629- KIT-FLAG: _- SCC: SERIALNO: 30629- |
|||
| ? | 01010-81025 | • Bolt | 4 | SN: 30001- KIT-FLAG: _- SCC: SERIALNO: 30001- |
|||
| ? | 01643-31032 | • Washer | 4 | SN: 30001- KIT-FLAG: _- SCC: SERIALNO: 30001- |
|||
| ? | 02781-00422 | • Union | 2 | SN: 30001- KIT-FLAG: _- SCC: SERIALNO: 30001- |
|||
| ? | 07002-22034 | • O-ring | 2 | SN: 30001- KIT-FLAG: _- SCC: SERIALNO: 30001- |
|||
| ? | 02896-21012 | • O-ring | 2 | SN: 30001- KIT-FLAG: _- SCC: SERIALNO: 30001- |
|||
| ? | 561-88-83661 | • Tube | 1 | SN: 30001- KIT-FLAG: _- SCC: SERIALNO: 30001- |
|||
| ? | 561-88-83651 | • Tube | 1 | SN: 30001- KIT-FLAG: _- SCC: SERIALNO: 30001- |
|||
| ? | 02781-00422 | • Union | 2 | SN: 30001- KIT-FLAG: _- SCC: SERIALNO: 30001- |
|||
| ? | 07002-22034 | • O-ring | 2 | SN: 30001- KIT-FLAG: _- SCC: SERIALNO: 30001- |
|||
| ? | 02896-21012 | • O-ring | 2 | SN: 30001- KIT-FLAG: _- SCC: SERIALNO: 30001- |
|||
| ? | 561-88-83632 | • Tube | 1 | SN: 30629- KIT-FLAG: _- SCC: SERIALNO: 30629- |
|||
| ? | 561-88-83642 | • Tube | 1 | SN: 30629- KIT-FLAG: _- SCC: SERIALNO: 30629- |
|||
| ? | 02781-00422 | • Union | 2 | SN: 30001- KIT-FLAG: _- SCC: SERIALNO: 30001- |
|||
| ? | 07002-22034 | • O-ring | 2 | SN: 30001- KIT-FLAG: _- SCC: SERIALNO: 30001- |
|||
| ? | 02896-21012 | • O-ring | 2 | SN: 30001- KIT-FLAG: _- SCC: SERIALNO: 30001- |
|||
| ? | 561-43-83981 | • Bracket | 1 | SN: 30001- KIT-FLAG: _- SCC: SERIALNO: 30001- |
|||
| ? | 01010-81225 | • Bolt | 2 | SN: 30001- KIT-FLAG: _- SCC: SERIALNO: 30001- |
|||
| ? | 01643-31232 | • Washer | 2 | SN: 30001- KIT-FLAG: _- SCC: SERIALNO: 30001- |
|||
| ? | 07283-32236 | • Clip, Pipe | 2 | SN: 30001- KIT-FLAG: _- SCC: SERIALNO: 30001- |
|||
| ? | 01597-01009 | • Nut | 4 | SN: 30001- KIT-FLAG: _- SCC: SERIALNO: 30001- |
|||
| ? | 01643-31032 | • Washer | 4 | SN: 30001- KIT-FLAG: _- SCC: SERIALNO: 30001- |
|||
| ? | 561-43-83991 | • Bracket | 1 | SN: 30001- KIT-FLAG: _- SCC: SERIALNO: 30001- |
|||
| ? | 01010-81225 | • Bolt | 2 | SN: 30001- KIT-FLAG: _- SCC: SERIALNO: 30001- |
|||
| ? | 01643-31232 | • Washer | 2 | SN: 30001- KIT-FLAG: _- SCC: SERIALNO: 30001- |
|||
| ? | 07283-32236 | • Clip, Pipe | 2 | SN: 30001- KIT-FLAG: _- SCC: SERIALNO: 30001- |
|||
| ? | 01597-01009 | • Nut | 4 | SN: 30001- KIT-FLAG: _- SCC: SERIALNO: 30001- |
|||
| ? | 01643-31032 | • Washer | 4 | SN: 30001- KIT-FLAG: _- SCC: SERIALNO: 30001- |
|||
| ? | 02781-00516 | • Union | 2 | SN: 30001- KIT-FLAG: _- SCC: SERIALNO: 30001- |
|||
| ? | 02896-21015 | • O-ring | 2 | SN: 30001- KIT-FLAG: _- SCC: SERIALNO: 30001- |
|||
| ? | 07002-22034 | • O-ring | 2 | SN: 30001- KIT-FLAG: _- SCC: SERIALNO: 30001- |