| Номер на схеме | Каталожный номер | Название | Количество | Детали | |||
|---|---|---|---|---|---|---|---|
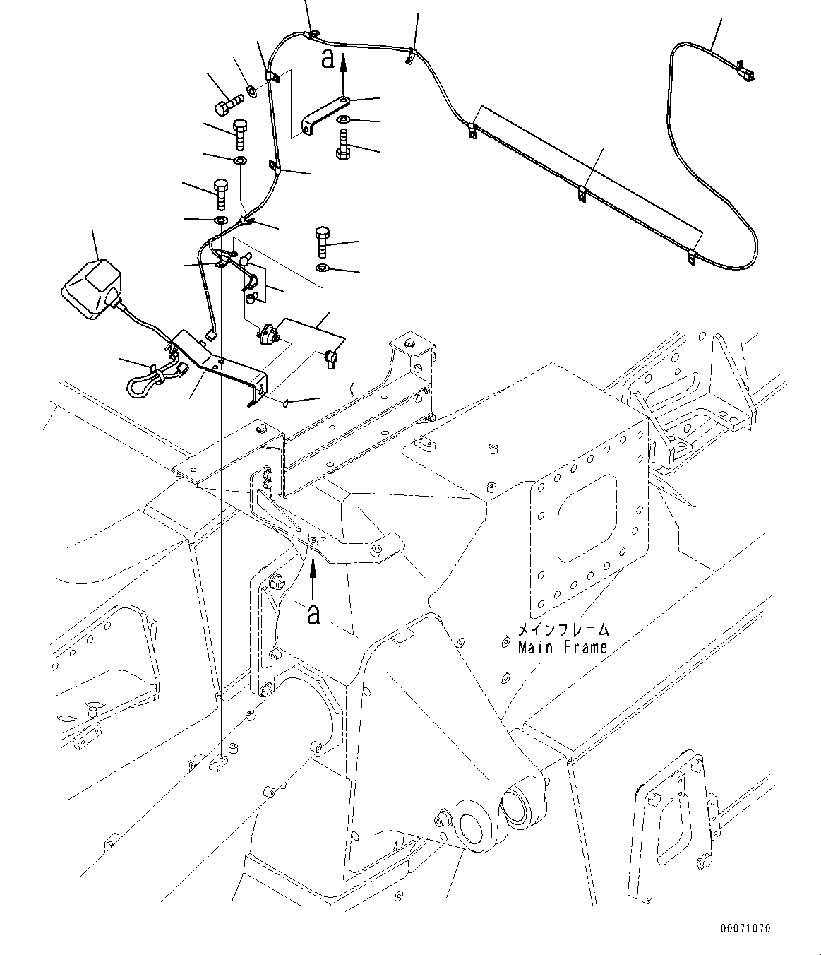
| ? | 561-85-81471 | Bracket | 1 | SN: 30001- KIT-FLAG: _- SCC: SERIALNO: 30001- |
|||
| ? | 01010-81020 | Bolt | 2 | SN: 30001- KIT-FLAG: _- SCC: SERIALNO: 30001- |
|||
| ? | 01643-31032 | Washer | 2 | SN: 30001- KIT-FLAG: _- SCC: SERIALNO: 30001- |
|||
| ? | 421-06-23350 | Lamp Assembly | 1 | SN: 30001- KIT-FLAG: _- SCC: SERIALNO: 30001- |
|||
| ? | 08034-20834 | Band | 1 | SN: 30001- KIT-FLAG: _- SCC: SERIALNO: 30001- |
|||
| ? | 08063-01000 | Switch, Lever | 1 | SN: 30001- KIT-FLAG: _- SCC: SERIALNO: 30001- |
|||
| ? | 09679-0200A | Plate, Symbol, Headlamp Switch | 1 | SN: 30001- KIT-FLAG: _- SCC: SERIALNO: 30001- |
|||
| ? | 561-85-81490 | Wiring Harness | 1 | SN: 30001- KIT-FLAG: _- SCC: SERIALNO: 30001- |
|||
| ? | 08038-00519 | Cap, Terminal | 2 | SN: 30001- KIT-FLAG: _- SCC: SERIALNO: 30001- |
|||
| ? | 566-44-83531 | Plate | 1 | SN: 30001- KIT-FLAG: _- SCC: SERIALNO: 30001- |
|||
| ? | 01010-81225 | Bolt | 1 | SN: 30001- KIT-FLAG: _- SCC: SERIALNO: 30001- |
|||
| ? | 01643-31232 | Washer | 1 | SN: 30001- KIT-FLAG: _- SCC: SERIALNO: 30001- |
|||
| ? | 04434-50610 | Clip | 7 | SN: 30001- KIT-FLAG: _- SCC: SERIALNO: 30001- |
|||
| ? | 04434-50612 | Clip | 2 | SN: 30001- KIT-FLAG: _- SCC: SERIALNO: 30001- |
|||
| ? | 01010-81016 | Bolt | 2 | SN: 30001- KIT-FLAG: _- SCC: SERIALNO: 30001- |
|||
| ? | 01643-31032 | Washer | 2 | SN: 30001- KIT-FLAG: _- SCC: SERIALNO: 30001- |
|||
| ? | 01010-81025 | Bolt | 1 | SN: 30001- KIT-FLAG: _- SCC: SERIALNO: 30001- |
|||
| ? | 01643-31032 | Washer | 1 | SN: 30001- KIT-FLAG: _- SCC: SERIALNO: 30001- |