k-part
Наименование Страница Код страницы
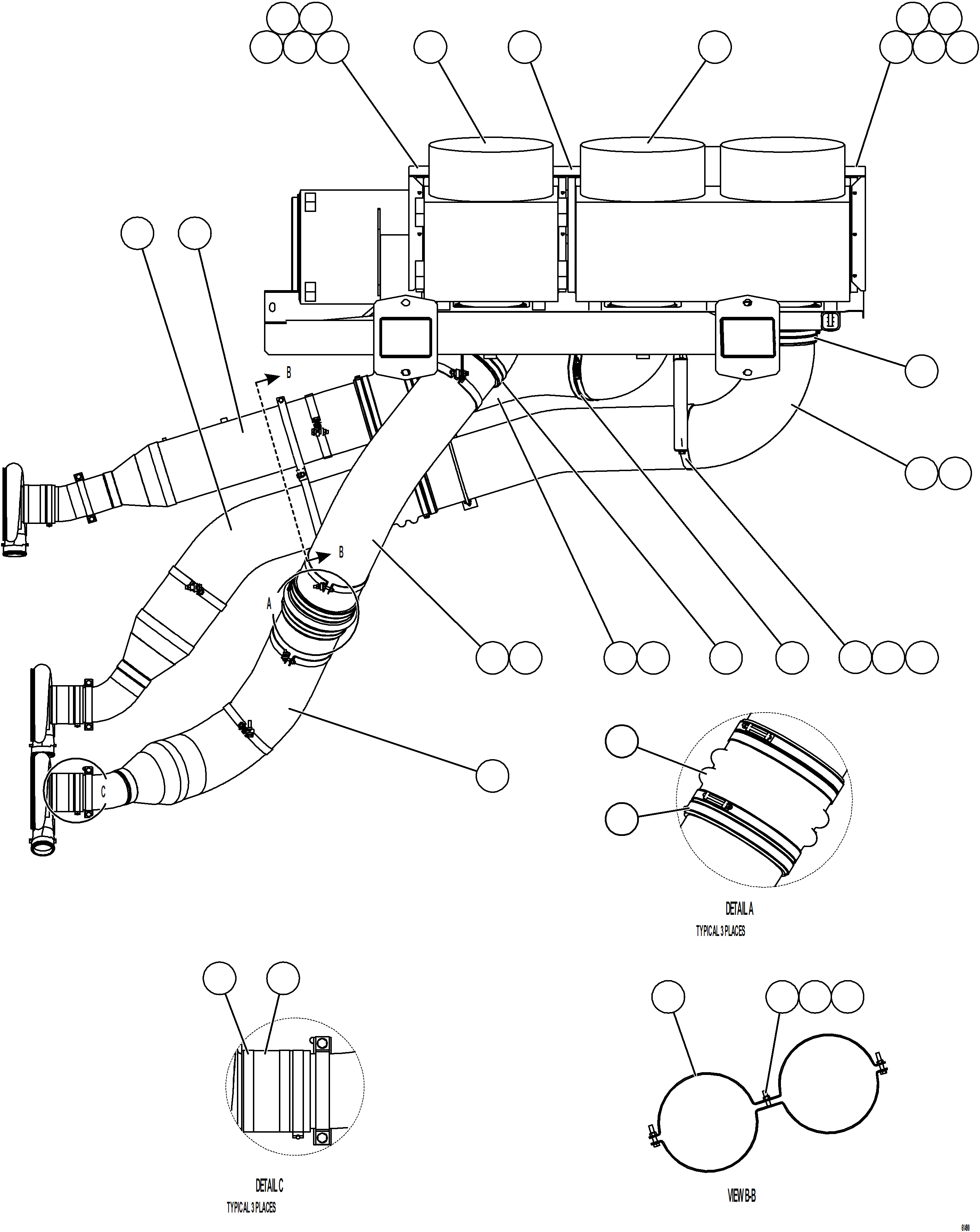
AIR CLEANER ASSEMBLY 58B-02-00970 092 43407
AIR CLEANER ASSEMBLY. DUAL 58F-02-00160 090 68056

Номер на схеме Каталожный номер Название Количество Детали
? EK5653 TUBE, BENT - RH OUTER FRONT 1
? VW7882 HOSE 1
? WB1177 CLAMP, T-BOLT 16
? EJ9919 BRACKET, MOUNTING 1
? MM0462 FLAT WASHER - M12 2
? MM0616 CAPSCREW - M12 X 1.75 X 20 2
? WB1179 CLAMP, T-BOLT 4
? EH9693 TUBE, BENT - RH MIDDLE FRONT 1
? PB1597 ELBOW, RUBBER 1
? EH9696 TUBE, BENT - RH INNER FRONT 1
? TX6040 ELBOW, RUBBER - 45 DEG 1
? TB1019 RAIN GUARD, LH 2
? TB1017 RAIN GUARD 1
? TR2961 CAPSCREW - 5/8" - 11NC X 1" 8
? VC1390 LOCKWASHER - 5/8" 8
? TR9082 FLAT WASHER - 5/8" 8
? TB1018 RAIN GUARD, RH 2
? TB1406 RAIN GUARD, FRONT 1
? 58B-02-00970 AIR CLEANER ASSEMBLY, SINGLE (SEE FIG 43407) 1 43407
? EJ0609 SHEET 1
? 58F-02-00160 AIR CLEANER ASSEMBLY, DUAL (SEE FIG 68056) 1 68056
? EH9694 TUBE, MIDDLE REAR - RH 1
? XB9527 TUBE, OUTER REAR - RH 1
? XB9528 TUBE, RH INNER REAR 1
? PC1115 HOSE, DOUBLE HUMP 3
? EG8033 CLAMP, DOUBLE 2
? TR4434 CAPSCREW - 3/8" - 16NC X 2" 3
? HE5611 LOCKNUT - 3/8" - 16NC 3
? WA4726 FLAT WASHER, HARDENED - 3/8" 3
? WB1169 CLAMP, T-BOLT 9
? EH9965 HOSE, TURBO CONNECTION 3
? WB1178 CLAMP, T-BOLT 4

Dump Trucks Komatsu / AFE73-N 980E-4 S/N A40147 - A40148  LAS BAMBAS(AFE73-N) / AIR CLEANER PIPING - RIGHT(088 : 61490)
?
?
?
?
?
?
?
?
?
?
?
?
?
?
?
?
?
?
?
?
?
?
?
?
?
?
?
?
?
?
?
?
?
?
?
?