k-part
Номер на схеме Каталожный номер Название Количество Детали
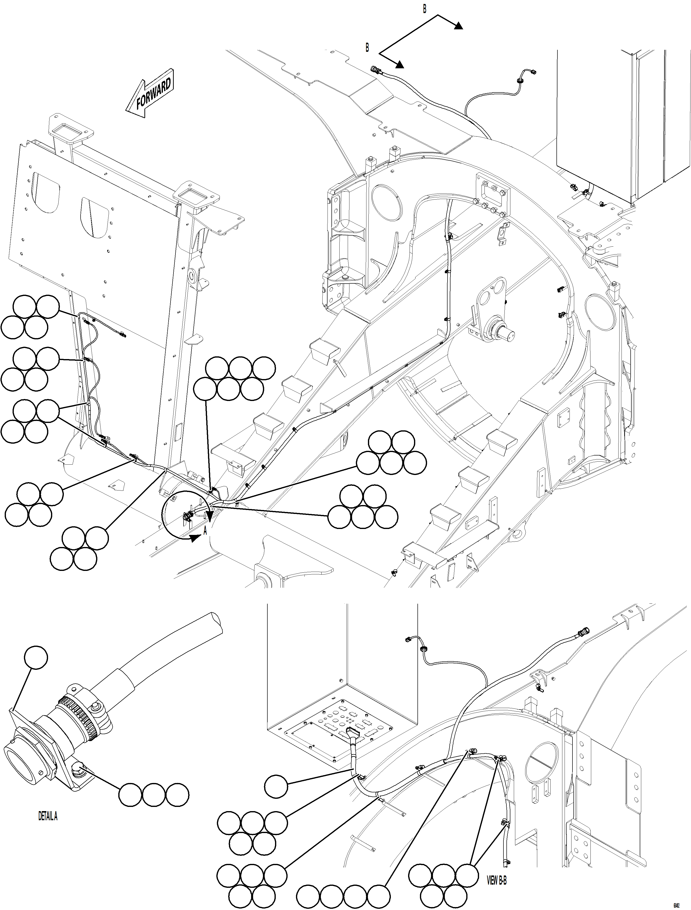
? 58E-06-05432 HARNESS, WIRING - RIGHT FRONT FRAME RAIL 1
? MM0471 LOCKWASHER - M10 25
? MM0461 FLAT WASHER - M10 25
? MM0178 NUT - M10 X 1.50 25
? WB3096 CLAMP, CUSHIONED - 1 1/4" 3
? EM1393 SPACER 3
? TY8375 SPACER 7
? 58D-90-00710 CLAMP, CUSHIONED - 15/16" 13
? WB1303 CLAMP, CUSHIONED - 3/4" 3
? WB1300 CLAMP, CUSHIONED - 5/8" 1
? WB1304 CLAMP, CUSHIONED - 9/16" 2
? WB3097 CLAMP, CUSHIONED - 1/2" 1
? WB3098 CLAMP, CUSHIONED - 3/8" 2
? EG0018 BRACKET 1
? 58B-06-20020 BRACKET 1
? MM0019 CAPSCREW - M6 X 1.00 X 16 2
? MM0469 LOCKWASHER - M6 2
? MM0459 FLAT WASHER - M6 2

Dump Trucks Komatsu / AFE77-U 830E-5 S/N A50066 - A50067  COPPER MOUNTAIN(AFE77-U) / RIGHT FRONT FRAME RAIL HARNESS(160 : 68402)
?
?
?
?
?
?
?
?
?
?
?
?
?
?
?
?
?
?
?
?
?
?
?
?
?
?
?
?
?
?
?
?
?
?
?
?
?
?
?
?
?
?
?
?
?
?
?
?
?
?
?
?
?
?
?
?
?
?
?
?