| Номер на схеме | Каталожный номер | Название | Количество | Детали | |||
|---|---|---|---|---|---|---|---|
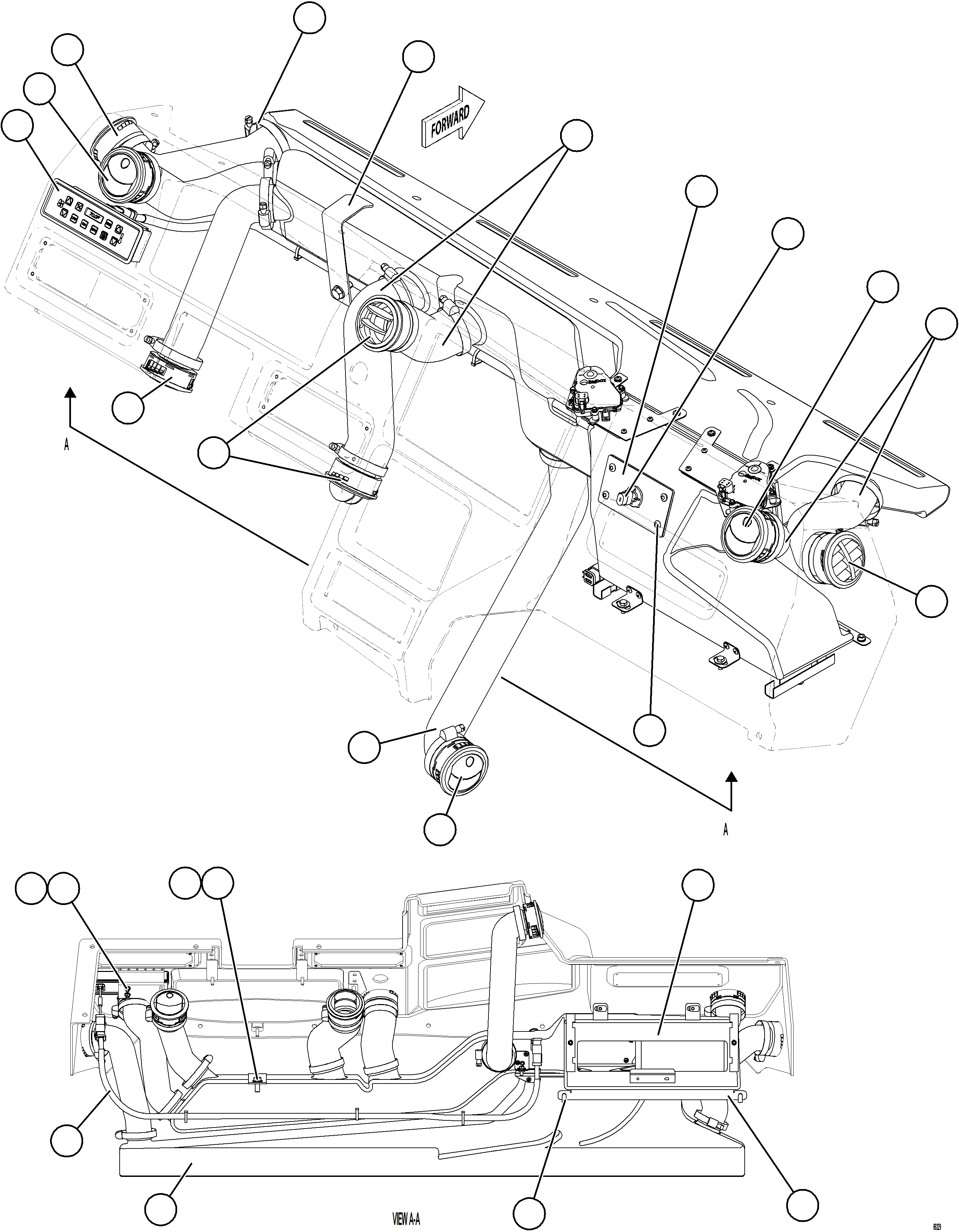
| ? | 58E-98-20031 | DUCT, HVAC DEFROST | 1 | ||||
| ? | 58E-98-03321 | PLENUM | 1 | ||||
| ? | 58E-98-03170 | THERMISTOR | 1 | ||||
| ? | 58E-98-03270 | PLATE, ACCESS | 1 | ||||
| ? | 58E-98-03350 | HOSE | 1 | ||||
| ? | 58E-98-03330 | HOSE | 2 | ||||
| ? | 58E-98-03340 | HOSE | 5 | ||||
| ? | 58E-98-03240 | LOUVER | 2 | ||||
| ? | 58E-98-20022 | PLENUM | 1 | ||||
| ? | 58E-98-03040 | HARNESS, WIRING - HVAC JUMPER | 1 | ||||
| ? | 58E-98-03050 | BRACKET | 1 | ||||
| ? | MM0605 | CAPSCREW - M10 X 1.50 X 25 | 1 | ||||
| ? | MM0461 | FLAT WASHER - M10 | 1 | ||||
| ? | MM0459 | FLAT WASHER - M6 | 4 | ||||
| ? | 58E-98-03010 | CONTROLLER | 1 | ||||
| ? | 58E-54-51210 | BRACKET | 1 | ||||
| ? | 58E-98-03230 | LOUVER | 4 | ||||
| ? | 58E-98-03220 | LOUVER | 2 | ||||
| ? | 58E-98-03210 | CLAMP, HOSE | 16 | ||||
| ? | PC3244 | LOCKNUT W/ NYLON INSERT - M5 | 2 |