| Номер на схеме | Каталожный номер | Название | Количество | Детали | |||
|---|---|---|---|---|---|---|---|
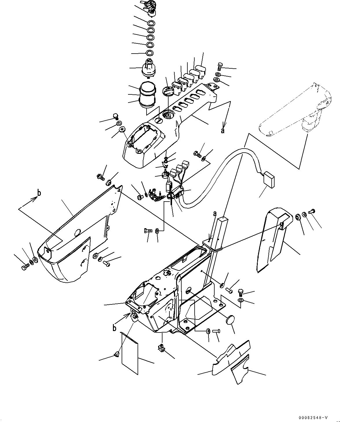
| ? | 20Y-43-41314 | Frame | 1 | SN: 400002- KIT-FLAG: _- SCC: SERIALNO: 400002- |
|||
| ? | 01010-D1230 | Bolt | 4 | SN: 400002- KIT-FLAG: _- SCC: SERIALNO: 400002- |
|||
| ? | 01643-71232 | Washer | 4 | SN: 400002- KIT-FLAG: _- SCC: SERIALNO: 400002- |
|||
| ? | 20Y-43-41631 | Sheet | 1 | SN: 400002- KIT-FLAG: _- SCC: SERIALNO: 400002- |
|||
| ? | 22U-43-23251 | Sheet | 1 | SN: 400002- KIT-FLAG: _- SCC: SERIALNO: 400002- |
|||
| ? | 22U-43-23290 | Clip | 2 | SN: 400002- KIT-FLAG: _- SCC: SERIALNO: 400002- |
|||
| ? | 20Y-43-41324 | Cover | 1 | SN: 400002- KIT-FLAG: _- SCC: SERIALNO: 400002- |
|||
| ? | 20Y-43-41661 | Sheet | 1 | SN: 400002- KIT-FLAG: _- SCC: SERIALNO: 400002- |
|||
| ? | 01010-80616 | Bolt | 4 | SN: 400002- KIT-FLAG: _- SCC: SERIALNO: 400002- |
|||
| ? | 01643-30623 | Washer | 4 | SN: 400002- KIT-FLAG: _- SCC: SERIALNO: 400002- |
|||
| ? | 20Y-43-41290 | Collar | 4 | SN: 400002- KIT-FLAG: _- SCC: SERIALNO: 400002- |
|||
| ? | 20Y-43-41332 | Cover | 1 | SN: 400002- KIT-FLAG: _- SCC: SERIALNO: 400002- |
|||
| ? | 01245-00616 | Screw | 2 | SN: 400002- KIT-FLAG: _- SCC: SERIALNO: 400002- |
|||
| ? | 01643-70623 | Washer | 2 | SN: 400002- KIT-FLAG: _- SCC: SERIALNO: 400002- |
|||
| ? | 01010-80616 | Bolt | 1 | SN: 400002- KIT-FLAG: _- SCC: SERIALNO: 400002- |
|||
| ? | 01643-30623 | Washer | 1 | SN: 400002- KIT-FLAG: _- SCC: SERIALNO: 400002- |
|||
| ? | 01435-00612 | Bolt | 2 | SN: 400002- KIT-FLAG: _- SCC: SERIALNO: 400002- |
|||
| ? | 20Y-43-41290 | Collar | 5 | SN: 400002- KIT-FLAG: _- SCC: SERIALNO: 400002- |
|||
| ? | 20Y-43-41353 | Cover | 1 | SN: 400002- KIT-FLAG: _- SCC: SERIALNO: 400002- |
|||
| ? | 01245-00616 | Screw | 2 | SN: 400002- KIT-FLAG: _- SCC: SERIALNO: 400002- |
|||
| ? | 01643-70623 | Washer | 2 | SN: 400002- KIT-FLAG: _- SCC: SERIALNO: 400002- |
|||
| ? | 20Y-43-41290 | Collar | 2 | SN: 400002- KIT-FLAG: _- SCC: SERIALNO: 400002- |
|||
| ? | 01245-00616 | Screw | 3 | SN: 400002- KIT-FLAG: _- SCC: SERIALNO: 400002- |
|||
| ? | 01643-70623 | Washer | 3 | SN: 400002- KIT-FLAG: _- SCC: SERIALNO: 400002- |
|||
| ? | 09415-02512 | Cap | 1 | SN: 400002- KIT-FLAG: _- SCC: SERIALNO: 400002- |
|||
| ? | 08086-20000 | Switch, Starting | 1 | SN: 400002- KIT-FLAG: _- SCC: SERIALNO: 400002- |
|||
| ? | 20Y-43-41740 | Plate | 1 | SN: 400002- KIT-FLAG: _- SCC: SERIALNO: 400002- |
|||
| ? | 20Y-43-41750 | Washer | 3 | SN: 400002- KIT-FLAG: _- SCC: SERIALNO: 400002- |
|||
| ? | 20Y-43-41790 | Washer | 1 | SN: 400002- KIT-FLAG: _- SCC: SERIALNO: 400002- |
|||
| ? | 20Y-43-41671 | Sheet | 1 | SN: 400002- KIT-FLAG: _- SCC: SERIALNO: 400002- |
|||
| ? | 08034-20519 | Band | 2 | SN: 400002- KIT-FLAG: _- SCC: SERIALNO: 400002- |
|||
| ? | 22U-06-22380 | Potentiometer | 1 | SN: 400002- KIT-FLAG: _- SCC: SERIALNO: 400002- |
|||
| ? | 22U-06-22460 | Spring | 1 | SN: 400002- KIT-FLAG: _- SCC: SERIALNO: 400002- |
|||
| ? | 20Y-43-41781 | Knob | 1 | SN: 400002- KIT-FLAG: _- SCC: SERIALNO: 400002- |
|||
| ? | 20Y-06-42110 | Switch, Lock | 1 | SN: 400002- KIT-FLAG: _- SCC: SERIALNO: 400002- |
|||
| ? | 20Y-06-42121 | Switch, Lamp | 1 | SN: 400002- KIT-FLAG: _- SCC: SERIALNO: 400002- |
|||
| ? | 20Y-06-42190 | Cover | 3 | SN: 400002- KIT-FLAG: _- SCC: SERIALNO: 400002- |
|||
| ? | 20Y-06-16920 | Wiring Harness | 1 | SN: 400002- KIT-FLAG: _- SCC: SERIALNO: 400002- |
|||
| ? | 08034-20414 | Band | 1 | SN: 400002- KIT-FLAG: _- SCC: SERIALNO: 400002- |
|||
| ? | 01023-10508 | Screw | 5 | SN: 400002- KIT-FLAG: _- SCC: SERIALNO: 400002- |
|||
| ? | 01601-20513 | Washer | 5 | SN: 400002- KIT-FLAG: _- SCC: SERIALNO: 400002- |
|||
| ? | 22U-43-23260 | Clip | 1 | SN: 400002- KIT-FLAG: _- SCC: SERIALNO: 400002- |
|||
| ? | 04434-51710 | Clip | 1 | SN: 400002- KIT-FLAG: _- SCC: SERIALNO: 400002- |
|||
| ? | 01010-81016 | Bolt | 1 | SN: 400002- KIT-FLAG: _- SCC: SERIALNO: 400002- |
|||
| ? | 01643-31032 | Washer | 1 | SN: 400002- KIT-FLAG: _- SCC: SERIALNO: 400002- |
|||
| ? | 04434-51410 | Clip | 1 | SN: 400002- KIT-FLAG: _- SCC: SERIALNO: 400002- |
|||
| ? | 01010-81016 | Bolt | 1 | SN: 400002- KIT-FLAG: _- SCC: SERIALNO: 400002- |
|||
| ? | 01643-31032 | Washer | 1 | SN: 400002- KIT-FLAG: _- SCC: SERIALNO: 400002- |