k-part
Номер на схеме Каталожный номер Название Количество Детали
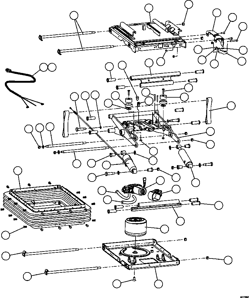
? XA4923 SHAFT, BEARING 4
? XA4920 HOUSING, UPPER 1
? XA4962 NUT, CENTERLOCK - 3/8" - 16NC 10
? XA4932 BRACKET, CABLE 1
? XA4965 CAPSCREW - 1/4" - 20NC X 5/8" 2
? XA4952 CAPSCREW - 1/4" - 20NC X 1 1/2" 1
? XA4951 CAPSCREW - #6 - 32NC X 1/2" 1
? XA4931 KNOB 1
? XA4954 SPRING, COMPRESSION 1
? XA4946 BALL, BEARING 1
? XA4950 LOCKNUT - #6 - 32NC 1
? XA4961 LOCKNUT - 1/4" - 20NC 5
? XA4929 LINK, NARROW TOGGLE 1
? XA4966 CAPSCREW - 3/8" - 16NC X 1/2" 1
? XA4943 TUBE, BEARING 12
? XA4935 SHOULDER BOLT 2
? XA4957 LOCKWASHER 2
? XA4963 FLAT WASHER 2
? XA4930 RETAINER, BUMPER 2
? XA4960 CAPSCREW - #8 - 32NC X 1 1/4" 2
? XA4947 FITTING, 90 DEG ELBOW (1) 1
? XA4939 BUMPER 2
? XA4959 SCREW - 1/4" - 20NC X 1" 2
? XA4925 TETHER, BOLT 2
? XA4924 ARM, SCISSORS 1
? XA4938 SHOCK ABSORBER 1
? XA4934 CLAMP, COMPRESSOR 1
? XA4928 LINK, WIDE TOGGLE 1
? XA4941 SPRING, AIR 1
? XA4921 HOUSING, LOWER 1
? XA4958 SCREW - 3/8" - 16NC 1
? XA4955 CLIP 1
? XA4942 BOOT, SUSPENSION 1
? XA5791 COMPRESSOR 1
? XA4956 TUBING, NYLON - 5/32" (PRESSURE) (1)/(2) 1
? XA4948 TUBING, CONVOLUTED (VENT) 1
? XA4933 SHOULDER BOLT 2
? XA4922 SHOCK ABSORBER, ADJUSTABLE 1
? XA4937 WASHER, SPACER 4
? XA4940 BEARING 4
? XA4936 SHAFT, BEARING - LONG 1
? XA4926 SHAFT, BEARING - SHORT 1
? XA4964 FLAT WASHER 2
? XA4927 HARNESS, SEAT COMPRESSOR 1
? XA4945 TIE, CABLE (1) 1
? XA5074 NOTE: (1) INCLUDED IN XA5074 AIR LINE SERVICE KIT.
? (2) NOT SERVICED SEPARATELY. ORDER XA5074.

Dump Trucks Komatsu / AFE62-AE 930E-4SE S/N A31245 - A31247, A31250 & A31252    SIERRA GORDA(AFE62-AE) / SEAT SUSPENSION ASSEMBLY    XA5816(172 : 42738)
?
?
?
?
?
?
?
?
?
?
?
?
?
?
?
?
?
?
?
?
?
?
?
?
?
?
?
?
?
?
?
?
?
?
?
?
?
?
?
?
?
?
?
?
?
?
?
?
?
?
?
?
?
?