k-part
Номер на схеме Каталожный номер Название Количество Детали
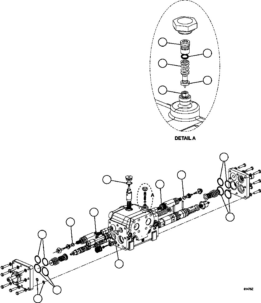
? XA3695 O-RING (1) 1
? XA3696 ADJUSTING SCREW (1) 1
? XA3697 SPRING (1) 1
? XA3698 PILOT CONE (1) 1
? XA3699 VALVE SEAT (1) 1
? VE4146 O-RING (2) 4
? VE4147 O-RING (2) 4
? VE4148 O-RING (2) 2
? VE4149 O-RING (2) 1
? VE4152 O-RING (2) 2
? VE4153 O-RING (2) 2
? VE4154 O-RING (2) 1
? XA4442 NOTE: (1) INCLUDED IN XA4442 FLOW AMPLIFIER SERVICE KIT.
? XA4441 (2) INCLUDED IN XA4441 RELIEF VALVE ASSEMBLY SERVICE KIT.

Dump Trucks Komatsu / AFE62-AE 930E-4SE S/N A31245 - A31247, A31250 & A31252    SIERRA GORDA(AFE62-AE) / FLOW AMPLIFIER VALVE        PC2162(546 : 61479)
?
?
?
?
?
?
?
?
?
?
?
?
?
?
?
?