| Номер на схеме | Каталожный номер | Название | Количество | Детали | |||
|---|---|---|---|---|---|---|---|
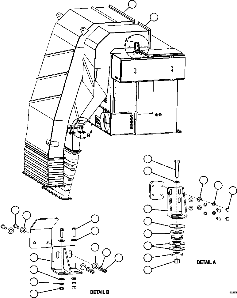
| ? | 58B-03-00410 | DUCT, WHEEL MOTOR BLOWER | 1 | ||||
| ? | EL8938 | • SCREEN, INTAKE (1) | 1 | ||||
| ? | XB5110 | DUCT, ALTERNATOR BLOWER | 1 | ||||
| ? | EL8944 | • SCREEN, INTAKE (1) | 1 | ||||
| ? | C1636 | CAPSCREW - 5/8" - 11NC X 3 1/2" | 4 | ||||
| ? | WA4729 | FLAT WASHER - 5/8" (HARDENED) | 4 | ||||
| ? | EL3792 | BRACKET, MOUNTING | 4 | ||||
| ? | EK7045 | WASHER | 4 | ||||
| ? | WA2591 | MOUNT, RUBBER | 4 | ||||
| ? | EK7044 | WASHER | 8 | ||||
| ? | WA4719 | WASHER | 4 | ||||
| ? | TG9226 | LOCKNUT - 5/8" - 11NC | 4 | ||||
| ? | MM0605 | CAPSCREW - M10 X 1.50 X 25 | 16 | ||||
| ? | MM0471 | LOCKWASHER - M10 | 16 | ||||
| ? | WA4727 | FLAT WASHER - 7/16" (HARDENED) | 16 | ||||
| ? | EJ9295 | BRACKET, MOUNTING | 4 | ||||
| ? | MM0622 | CAPSCREW - M12 X 1.75 X 50 | 8 | ||||
| ? | WA4729 | FLAT WASHER - 5/8" (HARDENED) | 32 | ||||
| ? | MM0472 | LOCKWASHER - M12 | 16 | ||||
| ? | MM0179 | NUT - M12 X 1.75 | 16 | ||||
| ? | MM0619 | CAPSCREW - M12 X 1.75 X 35 | 8 | ||||
| ? | NOTE: (1) WELD-ON COMPONENT. |