k-part
Номер на схеме Каталожный номер Название Количество Детали
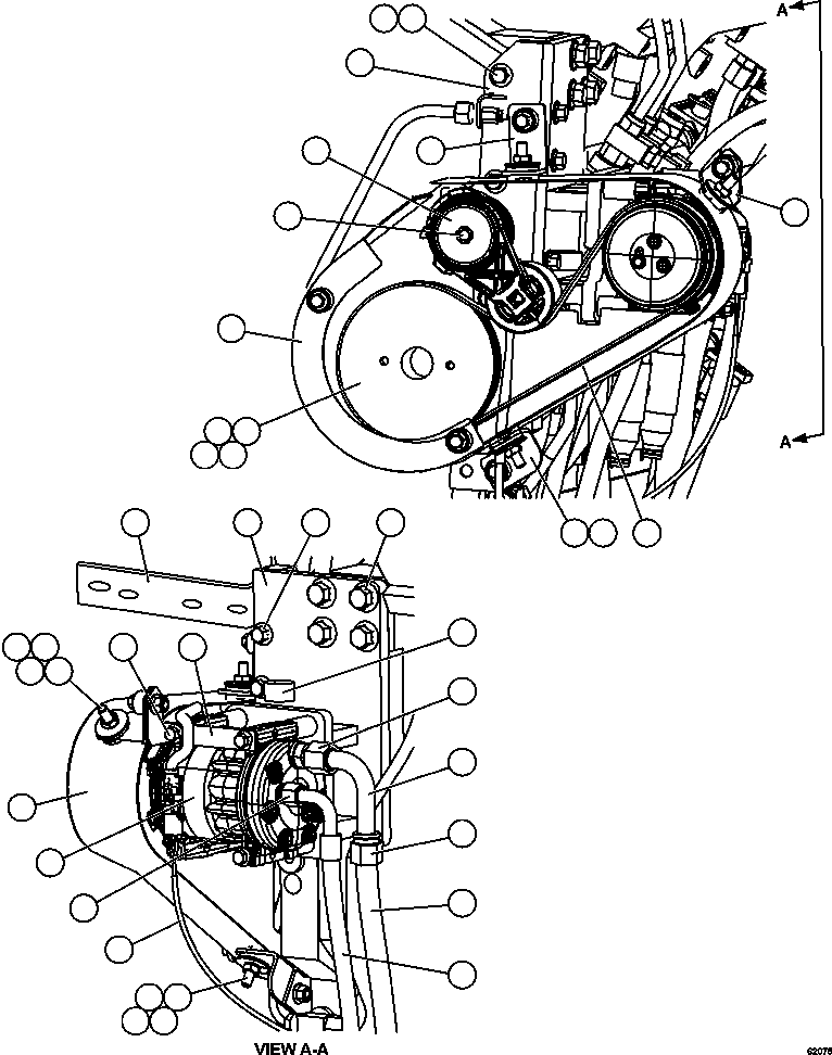
? HA8678 HOSE 1
? WA1732 O-RING 1
? HA8748 HOSE 1
? WB1027 O-RING 2
? PC2276 ADAPTER 1
? PC2409 COMPRESSOR, A/C 1
? PC2279 • OIL, REFRIGERANT - 8 OZ. 1
? XB7318 HARNESS, A/C COMPRESSOR JUMPER 1
? PC3045 GUARD, BELT 1
? PC3034 BRACKET 1
? PC3038 CAPSCREW - M16 X 2.00 X 60 4
? PC3037 CAPSCREW - M16 X 2.00 X 40 3
? PC3036 "P" CLIP 2
? PC3041 GUARD, MOUNTING BRACKET 1
? PC3035 CAPSCREW - M8 X 1.25 X 100 4
? PC3046 LOCKNUT - M10 X 1.50 3
? PC3047 WASHER 3
? PC3048 ISOLATOR 3
? PC3049 ISOLATOR 3
? PC3042 BRACKET, ISOLATOR 1
? PC3030 BRACKET 1
? PC3031 CAPSCREW - M12 X 1.75 X 100 2
? PC3032 CAPSCREW - M12 X 1.75 X 85 1
? PC3039 BRACKET, ISOLATOR 1
? PC3029 TENSIONER 1
? PC3033 CAPSCREW - M10 X 1.50 X 80 1
? PC3040 GUARD 1
? PC3025 PULLEY 1
? PC3026 SPACER 1
? PC3027 SEAL 1
? PC3028 SCREW 3
? PC3043 BRACKET, ISOLATOR 1
? PC3044 BRACKET, BELT GUARD 1
? XA4549 BELT, V-RIBBED 1
? PC3139 BRACKET 1

Dump Trucks Komatsu / AFE62-AE 930E-4SE S/N A31245 - A31247, A31250 & A31252    SIERRA GORDA(AFE62-AE) / AIR CONDITIONING - COMPRESSOR INSTALLATION(228 : 62075)
?
?
?
?
?
?
?
?
?
?
?
?
?
?
?
?
?
?
?
?
?
?
?
?
?
?
?
?
?
?
?
?
?
?
?
?
?
?
?