| Номер на схеме | Каталожный номер | Название | Количество | Детали | |||
|---|---|---|---|---|---|---|---|
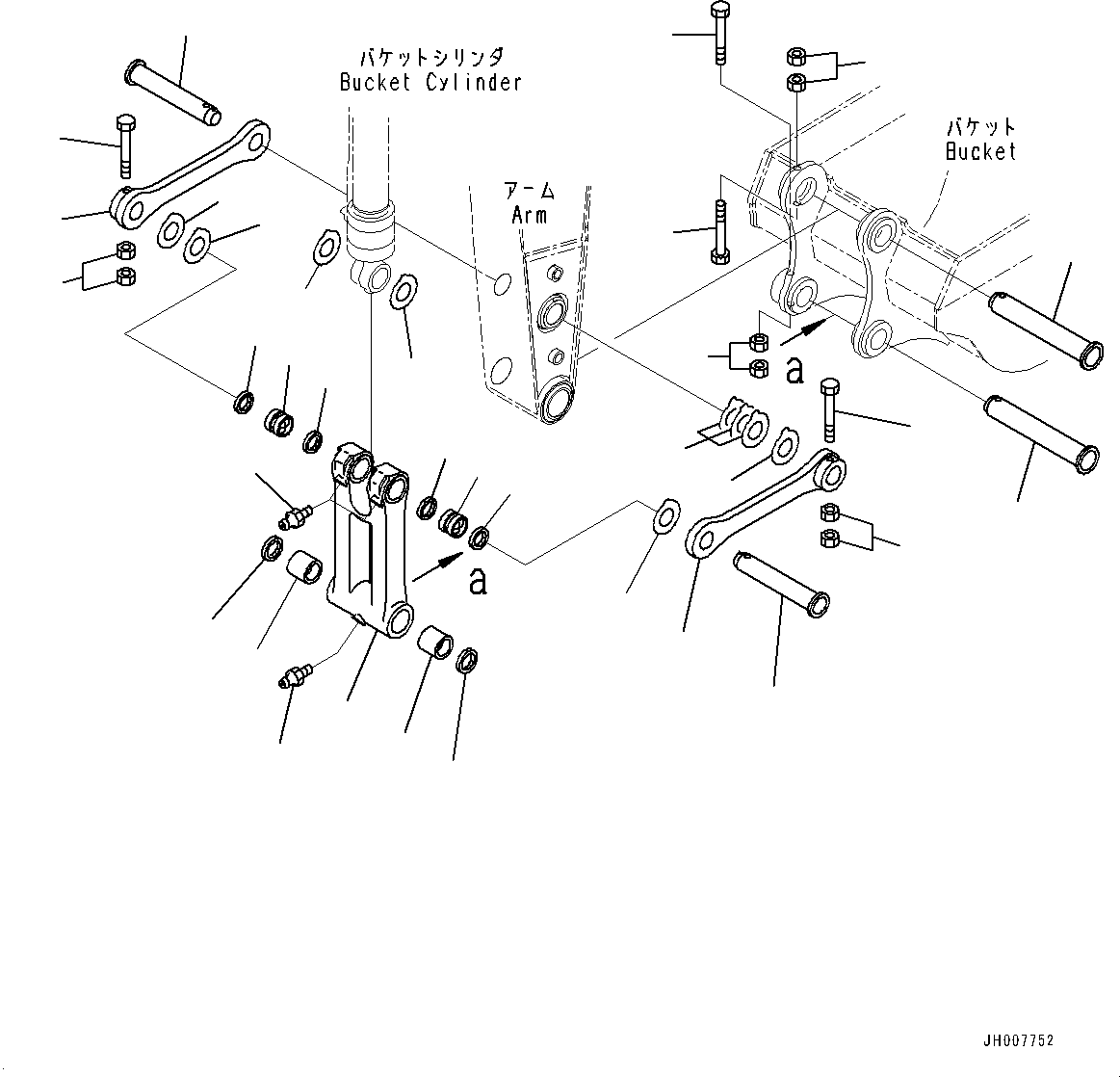
| ? | 20Y-70-01240 | Link Assembly | 1 | SN: 400001- KIT-FLAG: _- SCC: SERIALNO: 400001- |
|||
| ? | • Link | 1 | SN: 400001- KIT-FLAG: _- SCC: C1 SERIALNO: 400001- |
||||
| ? | 21K-70-12161 | • Bushing | 2 | SN: 400001- KIT-FLAG: _- SCC: SERIALNO: 400001- |
|||
| ? | 205-70-73180 | • Bushing | 2 | SN: 400001- KIT-FLAG: _- SCC: SERIALNO: 400001- |
|||
| ? | 07020-00000 | • Fitting, Grease | 3 | SN: 400001- KIT-FLAG: _- SCC: SERIALNO: 400001- |
|||
| ? | 20Y-70-23220 | • Seal, Dust | 4 | SN: 400001- KIT-FLAG: _- SCC: SERIALNO: 400001- |
|||
| ? | 20Y-70-23230 | • Seal, Dust | 2 | SN: 400001- KIT-FLAG: _- SCC: SERIALNO: 400001- |
|||
| ? | 205-70-73130 | Link | 2 | SN: 400001- KIT-FLAG: _- SCC: SERIALNO: 400001- |
|||
| ? | 22U-70-21191 | Pin | 1 | SN: 400001- KIT-FLAG: _- SCC: SERIALNO: 400001- |
|||
| ? | 20Y-70-32450 | Bolt | 1 | SN: 400001- KIT-FLAG: _- SCC: SERIALNO: 400001- |
|||
| ? | 01580-12016 | Nut | 2 | SN: 400001- KIT-FLAG: _- SCC: SERIALNO: 400001- |
|||
| ? | 20Y-70-11320 | Spacer, T=0.8mm | 1 | SN: 400001- KIT-FLAG: _- SCC: SERIALNO: 400001- |
|||
| ? | 20Y-70-11330 | Spacer, T=1.5mm | 3 | SN: 400001- KIT-FLAG: _- SCC: SERIALNO: 400001- |
|||
| ? | 22U-70-21191 | Pin | 1 | SN: 400001- KIT-FLAG: _- SCC: SERIALNO: 400001- |
|||
| ? | 20Y-70-32450 | Bolt | 1 | SN: 400001- KIT-FLAG: _- SCC: SERIALNO: 400001- |
|||
| ? | 01580-12016 | Nut | 2 | SN: 400001- KIT-FLAG: _- SCC: SERIALNO: 400001- |
|||
| ? | 20Y-70-11320 | Spacer, T=0.8mm | 1 | SN: 400001- KIT-FLAG: _- SCC: SERIALNO: 400001- |
|||
| ? | 20Y-70-11330 | Spacer, T=1.5mm | 4 | SN: 400001- KIT-FLAG: _- SCC: SERIALNO: 400001- |
|||
| ? | 205-70-73270 | Pin | 1 | SN: 400001- KIT-FLAG: _- SCC: SERIALNO: 400001- |
|||
| ? | 20Y-70-32450 | Bolt | 1 | SN: 400001- KIT-FLAG: _- SCC: SERIALNO: 400001- |
|||
| ? | 01580-12016 | Nut | 2 | SN: 400001- KIT-FLAG: _- SCC: SERIALNO: 400001- |
|||
| ? | 205-70-73270 | Pin | 1 | SN: 400001- KIT-FLAG: _- SCC: SERIALNO: 400001- |
|||
| ? | 20Y-70-32460 | Bolt | 1 | SN: 400001- KIT-FLAG: _- SCC: SERIALNO: 400001- |
|||
| ? | 01580-12016 | Nut | 2 | SN: 400001- KIT-FLAG: _- SCC: SERIALNO: 400001- |