k-part
Номер на схеме Каталожный номер Название Количество Детали
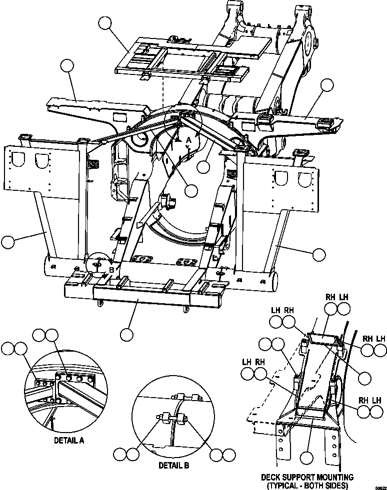
? FRAME, MAIN (1) 1
? UPRIGHT - L.H. (1) 1
? UPRIGHT - R.H. (1) 1
? MM0465 FLAT WASHER - M20 16
? MM0168 CAPSCREW - M20 X 2.50 X 180 8
? MM0182 NUT - M20 X 2.50 8
? TUBE, ROPS - L.H. (1) 1
? TUBE, ROPS - R.H. (1) 1
? 01643-32460 FLAT WASHER - M24 (HARDENED) 16
? MM0058 CAPSCREW - M24 X 3.00 X 60 16
? EL1255 SUPPORT, DECK - R.H. 1
? 01643-31645 FLAT WASHER - M16 (HARDENED) 12
? MM0071 CAPSCREW - M16 X 2.00 X 45 12
? EK3908 BACKER 2
? EK3905 BACKER, VERTICAL - R.H. 2
? EK3904 PLATE, END CAP - R.H. 1
? EM4594 SUPPORT, DECK - CENTER 1
? 01643-32060 FLAT WASHER - M20 (HARDENED) 8
? MM0109 CAPSCREW - M20 X 2.50 X 90 8
? EL1256 SUPPORT, DECK - L.H. 1
? EK3910 BACKER, VERTICAL - L.H. 2
? EK3914 BACKER - L.H. 2
? EK3909 PLATE, END CAP - L.H. 1
? ED4792 BACKER 2
? EK3915 BACKER - R.H. 2
? NOTE: NS = NOT SHOWN
? XK0901 KIT, TOW BUMPER 1
? NOTE: (1) ORDER FROM FACTORY.

Dump Trucks Komatsu / AFE62-AC 930E-4SE S/N A31218 & A31230   CCI(AFE62-AC) / FRAME & UPRIGHTS(012 : 60822)
?
?
?
?
?
?
?
?
?
?
?
?
?
?
?
?
?
?
?
?
?
?
?
?
?
?
?
?
?
?