k-part
Номер на схеме Каталожный номер Название Количество Детали
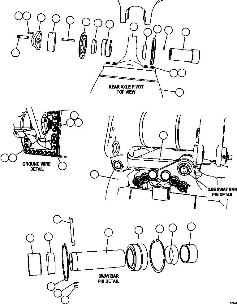
? XC2583 AXLE HOUSING ASSEMBLY 1
? TX8110 SLEEVE (2) 2
? WB1162 CAPSCREW - 1 1/4" - 7NC X 3" (12 PT) 28
? WA0366 FLAT WASHER - 1 1/4" (HARDENED) 28
? XB2450 PIVOT EYE ASSEMBLY 1
? XB2449 • EYE, PIVOT 1
? PC1291 • BEARING (1) 1
? WB1154 • CAPSCREW - 3/4" - 10NC X 6" (12 PT) (1) 14
? VL2993 • LOCKNUT - 3/4" - 10NC (1) 14
? EL0047 • RETAINER, BEARING (1) 2
? ED4952 SLEEVE (1) 1
? EK0867 PIN, PIVOT (1) 1
? VN9952 LOCKNUT - 5/8" - 11NC (2) 2
? EG3028 SPACER (1) 2
? EK0866 PLATE, LOCKING (1) 1
? WB1059 CAPSCREW - 1 1/4" - 7NC X 4 1/2" (12 PT) (1) 5
? WA0361 FLAT WASHER - 5/8" (HARDENED) (2) 2
? VN9087 CAPSCREW - 5/8" - 11NC X 2 1/2" (1) 3
? C1541 LOCKWASHER - 5/8" (1) 3
? EM8109 SHOULDER BOLT - 5/8" - 11NC X 7.16" (FRAME END) (2) 1
? EM8110 SHOULDER BOLT - 5/8" - 11NC X 6.73" (AXLE END) (2) 1
? TY2734 SPACER (2) 4
? EH7812 ANTI-SWAY BAR W/ BEARINGS 1
? EH7813 • BAR, ANTI-SWAY 1
? VN9351 • RING, RETAINER (2) 4
? PB0027 • BEARING, SPHERICAL (2) 2
? EH7811 PIN, BEARING (2) 2
? XB2497 WIRE, GROUND (PIVOT EYE TO FRAME) 1
? MM0471 LOCKWASHER - M10 2
? MM0178 NUT - M10 X 1.50 1
? MM0603 CAPSCREW - M10 X 1.50 X 16 1
? NOTE: NS = NOT SHOWN
? AK5258 NOTE: (1) INCLUDED IN AK5258 NOSE CONE PIN KIT.
? AK5672 (2) INCLUDED IN AK5672 PANHARD PIN KIT.

Dump Trucks Komatsu / AFE62-AQ 930E-4SE S/N A31450, A31500, A31576, A31578 & A31605 - A31607  BLOOM LAKE(AFE62-AQ) / REAR AXLE INSTALLATION(124 : 62243)
?
?
?
?
?
?
?
?
?
?
?
?
?
?
?
?
?
?
?
?
?
?
?
?
?
?
?
?
?
?
?
?
?
?
?
?